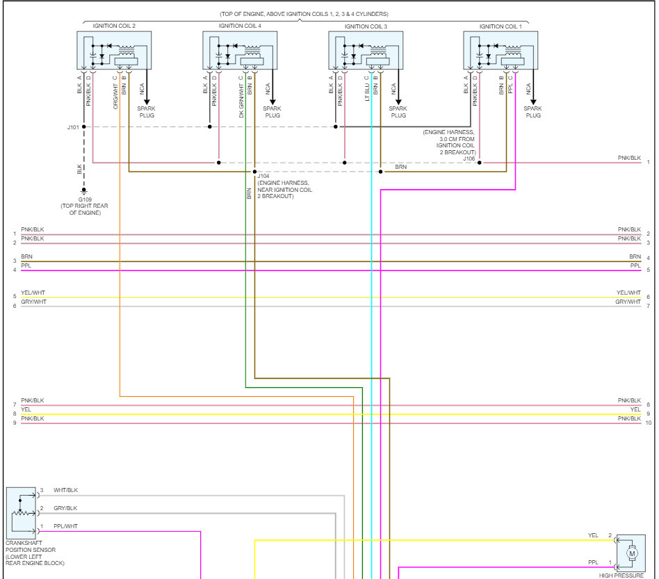
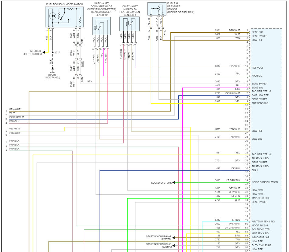
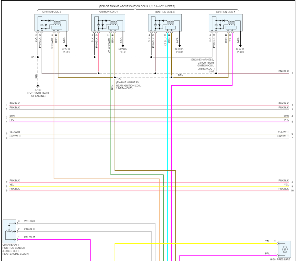
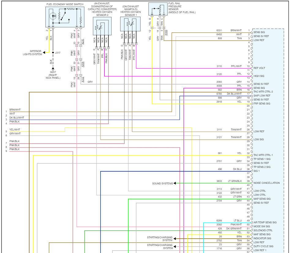
When i try to start it, it will struggle to turn over. When it does it will rev high then go low and shutter. if i drive it the display shows reduced engine power the codes i pulled were in this order p00c6 p228c p00c6p228c p0016 p0228d p0191 and p0192 it doesn't sound like timing is off as i just did chains and new guide and tensioner and all of the colored links lined up I'm thinking high pressure fuel pump it has been sitting for at least 6 months thoughts?
Aug 28, 2023 at 6:33 PM



















