High beams not working?

1997 GMC SONOMA
136,000 MILES • 4.3L • 6 CYL • 4WD • AUTOMATIC
Avatar
DANIEL MC GRANE
  • MEMBER
  • 1 POST
My low beam headlights and daytime running lights work, but not the high beams.
Aug 16, 2022 at 5:30 PM
Advertisement
Avatar
JACOBANDNICKOLAS
  • CERTIFIED EXPERT
  • 110,175 POSTS
Hi,

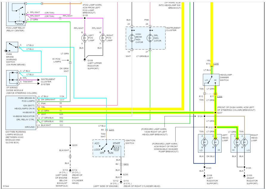
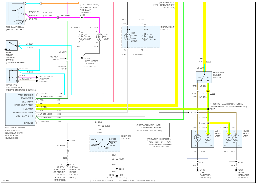
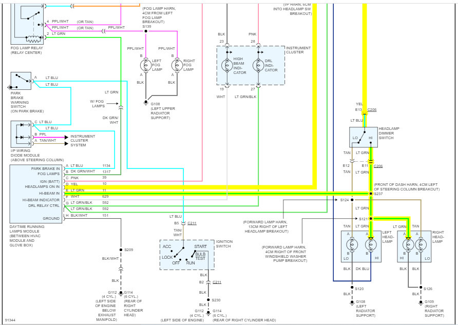
I looked through the wiring schematic for your vehicle. Based on what I'm seeing, either the high beam bulbs are burned out, there is a wiring issue, a light socket issue, or DRL module has failed.

I attached the schematic below for the lamp circuit and highlighted the wires related to the high beam. What I need you to do is this. Disconnect the light connector on each side. Locate the light green wire one at a time in the connector and check if it has power with the high beam on. Do this and let me know what you find. Also, here is a link you may find helpful:

https://www.2carpros.com/articles/how-to-check-wiring

Also, let me know if the high beam indicator light turns on.

Let me know what you find or if you have questions.

Take care,

Joe

See pic below. Note: I cut the schematic in half to make it readable for you. I did overlap them so you can follow from one to the next.
Aug 16, 2022 at 9:01 PM