High Beams not working properly?

2008 CADILLAC STS
150,000 MILES • 3.6L • 6 CYL • 4WD • AUTOMATIC
Avatar
CANDO1
  • MEMBER
  • 47 POSTS
My High Beams are on until i use the left turn signal. How do I fix this? it's been going on a long while turns off on occasion then back on, the auto control on my rear-view mirror don't seem to work like it used to so it doesn't matter if the auto is on or off the high beams stay on regardless or at least till i use the left turn signal. please send whatever I can do to fix this with wiring diagrams, if needed. PS: at night they go off when a car is in the opposite lane, at least that still works, Thanks Again you guys are priceless !!!!
Feb 16, 2023 at 10:50 AM
Advertisement
Avatar
STRAILER
  • CERTIFIED EXPERT
  • 53,855 POSTS
I have seen the IPM (instrument panel module) cause this issue. here is the location of unit so you can check it out, also we should check the fuses to be sure and do a CAN scan which is easy. You can get a CAN scanner (Controller Area Network) from Amazon.

Here is a video to show you how:

https://youtu.be/u-4syLc-ifQ

and

https://www.2carpros.com/articles/can-scan-controller-area-network-easy

Here is a list of CAN scanners starting at about $25.00 on Amazon:

https://amzn.to/3DBMlc7

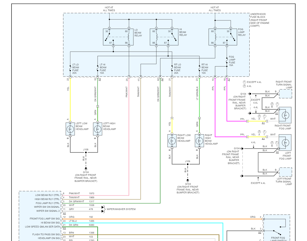
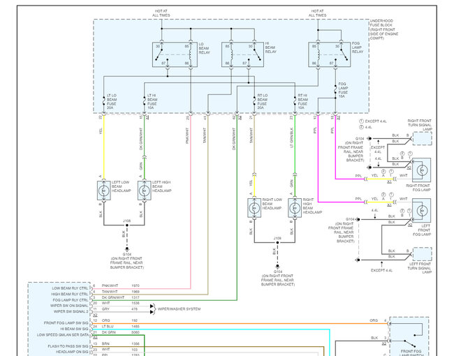
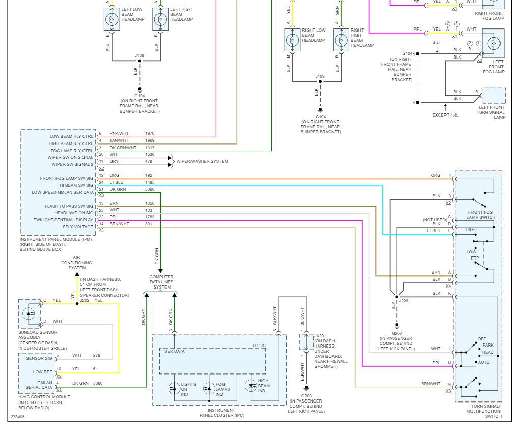
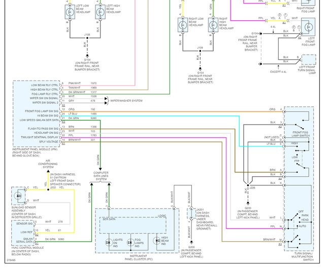
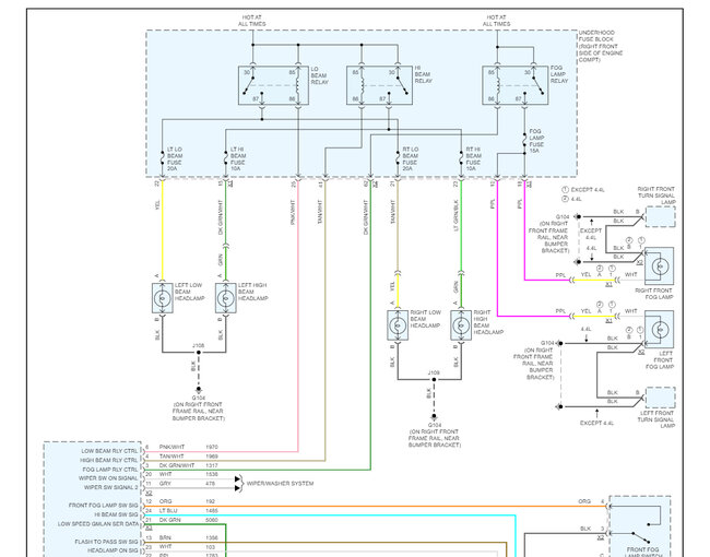
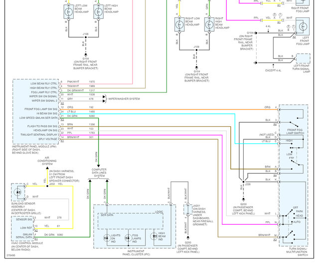
Also, here is a guide to help you check the fuses for the headlights which I have left the headlamp wiring diagrams so you can see which fuses to test under the hood and to see how the system works.

https://www.2carpros.com/articles/how-to-check-a-car-fuse

Here is how to change the IPM out which you can find a rebuilt preprogrammed unit by searching google or eBay. Please let us know how it goes.
Feb 16, 2023 at 4:45 PM
Avatar
CANDO1
  • MEMBER
  • 47 POSTS
is there a part number for the IMP?
Feb 22, 2023 at 6:32 PM
Advertisement
Avatar
STRAILER
  • CERTIFIED EXPERT
  • 53,855 POSTS
I don't show one but the dealer will if you call them, they can tell you, ask for the parts department.
Feb 23, 2023 at 11:54 AM