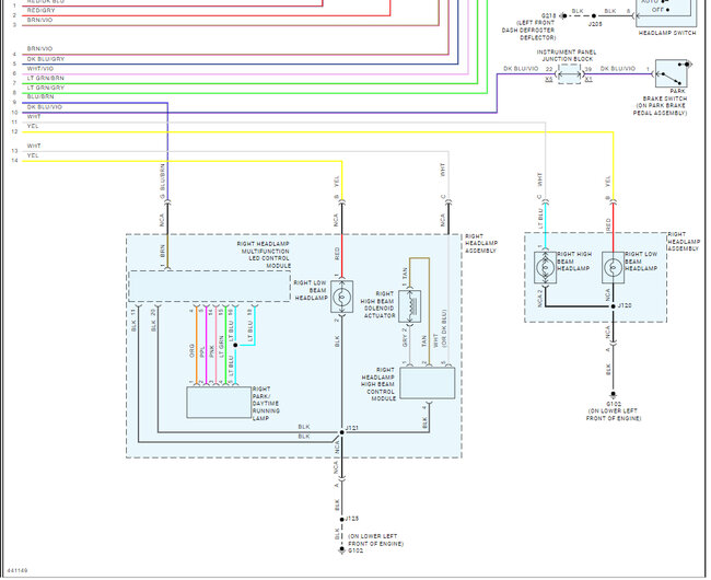
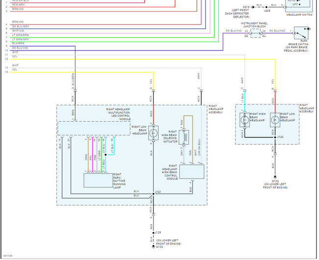
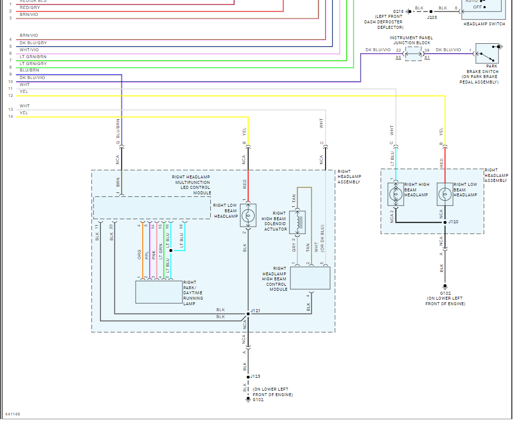
I have the truck listed above 1500 high country. My high beams do not work, but my low beams do. I’ve already replaced the headlight housing and tried replacing the switch on the steering column, I’m pretty sure it’s a relay, but I am unable to figure out which one it is as the manual and the fuse box lid diagram shows the headlights are two different relays/fuses. When I hit the lock or unlock button on my key fob, I can hear the clicking sound coming from the fuse box. Any help would be greatly appreciated.
Aug 8, 2024 at 3:54 PM




