Please run some tests and get back to us we are interested to see what it is.
Cheers, Ken
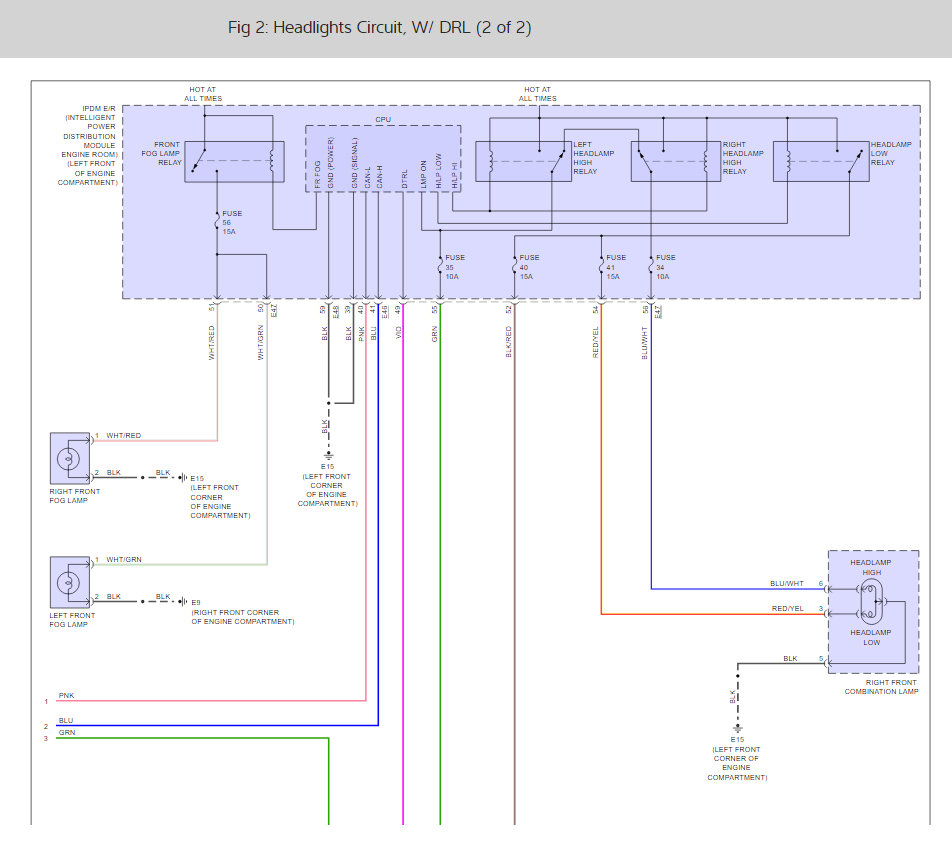
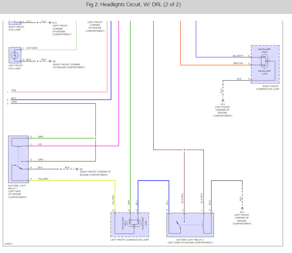
Images (Click to enlarge)
Jul 24, 2017 at 7:13 PM
SHEREF
MEMBER
3 POSTS
First the left side low beam did not work although the high beam is working. I checked the fuses they were fine. Now the tail light on the left side is also not working at all.
Aug 7, 2017 at 3:53 PM
(Merged)
REY-GTS
MEMBER
1 POST
Thanks for this post I had this problem and had to get a new IPDM which cost $176.00 all fixed I love this site.
Nov 5, 2019 at 2:57 PM
JFF_KOCH
MEMBER
2 POSTS
Both low beams not working. Left and right headlights are fused separately (under the hood), fuses are good, and high beams work. Bulb APPEARS to be a single unit for both beams. Could this be a faulty switch, and if so, do I need a pro to replace it? Also, fog lights work but go out with high beams on. Is this normal?
Nov 5, 2019 at 2:59 PM
(Merged)
JFF_KOCH
MEMBER
2 POSTS
I bought one headlight and replaced it on the left side - it worked. I tried it right side - it worked. Although the light APPEARS to be a single unit it actually has separate elements for low and high beams. Turns out both headlights failed at the same time! Replaced both - works fine, $36.00 fix.