High beam on driver side not working

2012 HYUNDAI SONATA
145,000 MILES • 4 CYL • 2WD • AUTOMATIC
Avatar
ROBFALVO
  • MEMBER
  • 1 POST
I went ahead and replaced the bulb, but still no luck. Any help you could provide would be great! Please and thank you.
Jun 3, 2021 at 2:06 PM
Advertisement
Avatar
JACOBANDNICKOLAS
  • CERTIFIED EXPERT
  • 110,175 POSTS
Hi,

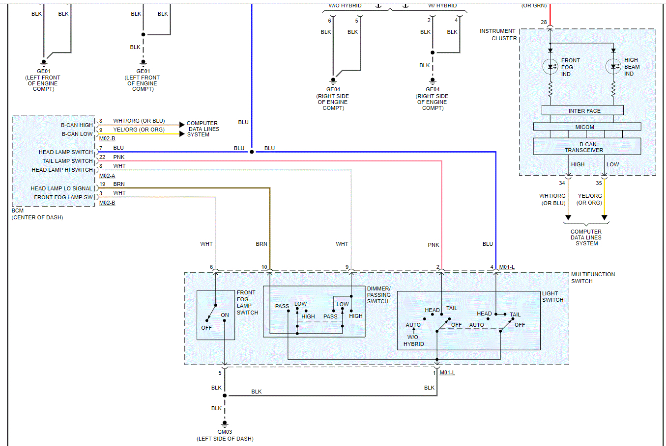
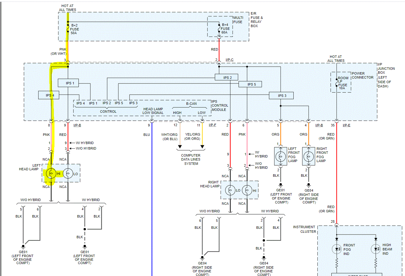
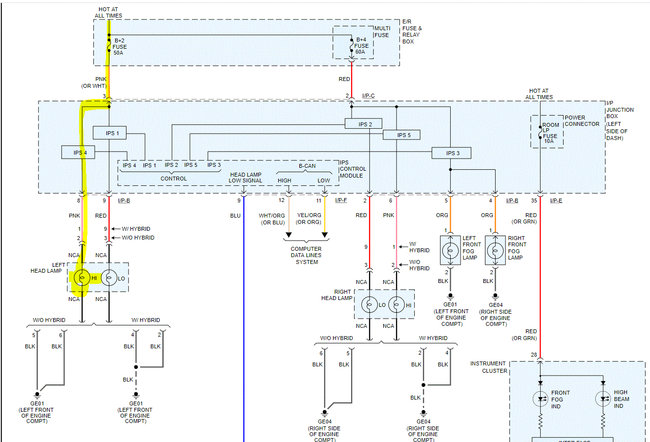
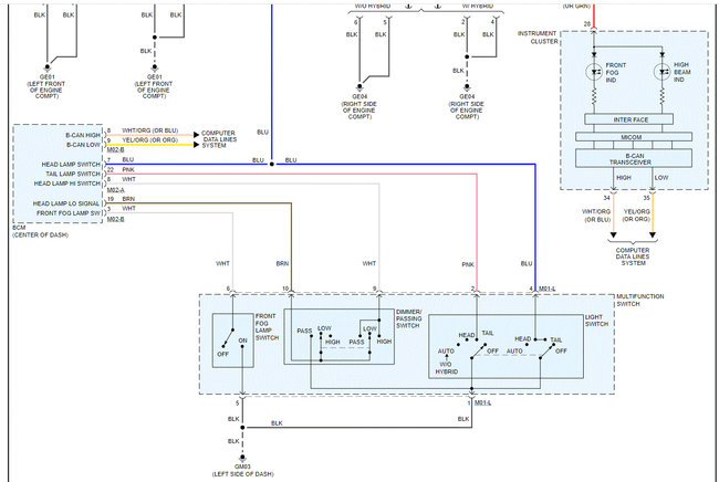
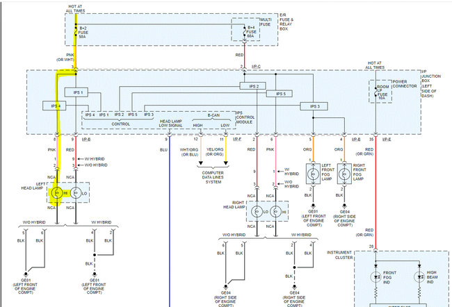
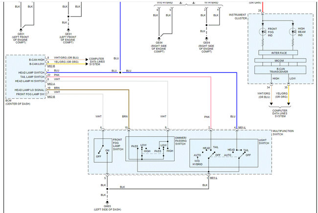
If the bulb is good, we need to check some wiring. At the light socket, we need to check if there is power and ground. I can tell you that the wire supplying power to the left high beam is pink in color. At the socket, the schematics indicate NCA which means no color associated at the socket itself.

So, let me try to explain how this system works. In traditional vehicles, fuses were used to power electrical components. On this vehicle, it's a bit different. You will have a fuse that allows power to go to the intelligent power source (IPS) control module. At that point, the IPS delivers power to the high beam light in this case. IPS 4 is the one responsible.

Now, if the low beam works on the driver's side, that tells me the traditional fuse is good, so whether we have a bad control module or a wiring problem. The easiest place to start is to see if there is power at the socket. If there is, it could simply be the socket, a loose wire, or a bad ground. If there isn't, we will need to check for power out at the IPS control module (pink wire). If there is no power out and there is power in, the module is most likely bad.

If you look at the pics below, I attached the wiring schematic for your vehicle. I highlighted a few things so you see locations. Try checking if there is power at the socket. If there is, check the opposite wire for continuity to ground and let me know the results.

Here is a link you may find helpful:

https://www.2carpros.com/articles/how-to-check-wiring

Let me know what you find or if you have other questions.

Take care,

Joe

See pics below.
Jun 3, 2021 at 6:40 PM