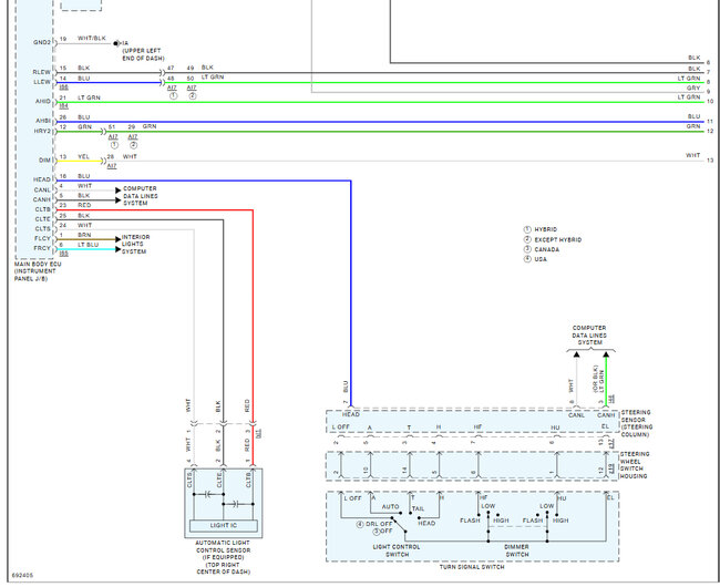
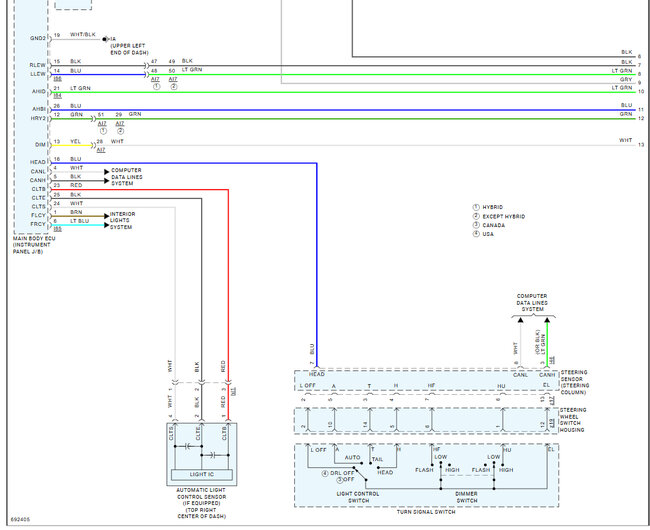
Hi, high beam in my right headlight stopped working, is a halogen lamp used for both low and high (HIR2), checked fuses 7.5A - are good and have power, I don't know if could be a relay for each headlight, headlight itself is good- my friend borrowed me his, anyone have a wire diagram? Please help! 2017 Toyota Auris (Corolla) hybrid.
Nov 5, 2024 at 10:23 AM












