high beam low beam control lever not working properly?

2006 FORD F-150
190 MILES • 5.4L • V8 • 4WD • AUTOMATIC
Avatar
DIMITAR STEFANOV GLAVINOV
  • MEMBER
  • 28 POSTS
Recently, I noticed that I have some kind of problem with the lights of my car. When I turn on the headlights as follows gauges, low beams or in automatic mode, everything works normally. But from the lever that controls the wipers and high beams there is a problem with them (the wipers work in every one position). When I move the lever forward or backward the high beams do not come on. However if I push the lever in and at the same time move it forward or backward they come on and if I leave it like that the headlights only work on high beam (low beam does not work).To I turn on the low beams, analogously I do the same with the lever (but the high beams don't work). I have some doubts, but I still want an opinion. Thanks in advance.
Aug 15, 2023 at 8:45 AM
Advertisement
Avatar
STRAILER
  • CERTIFIED EXPERT
  • 53,855 POSTS
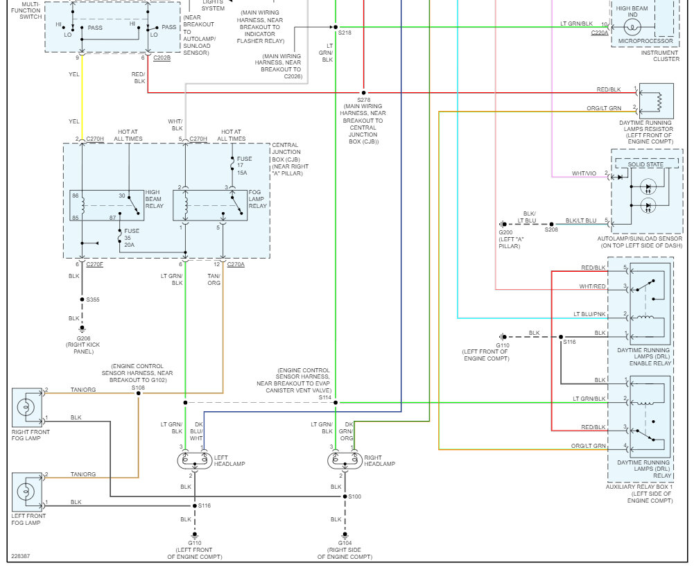
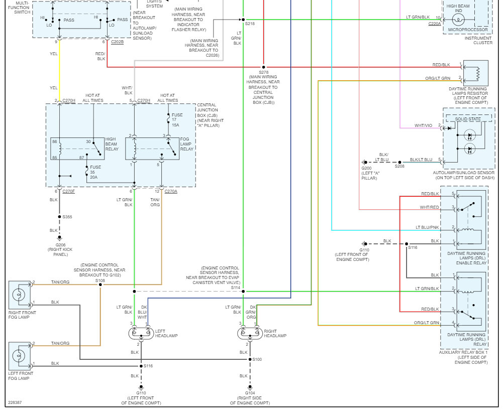
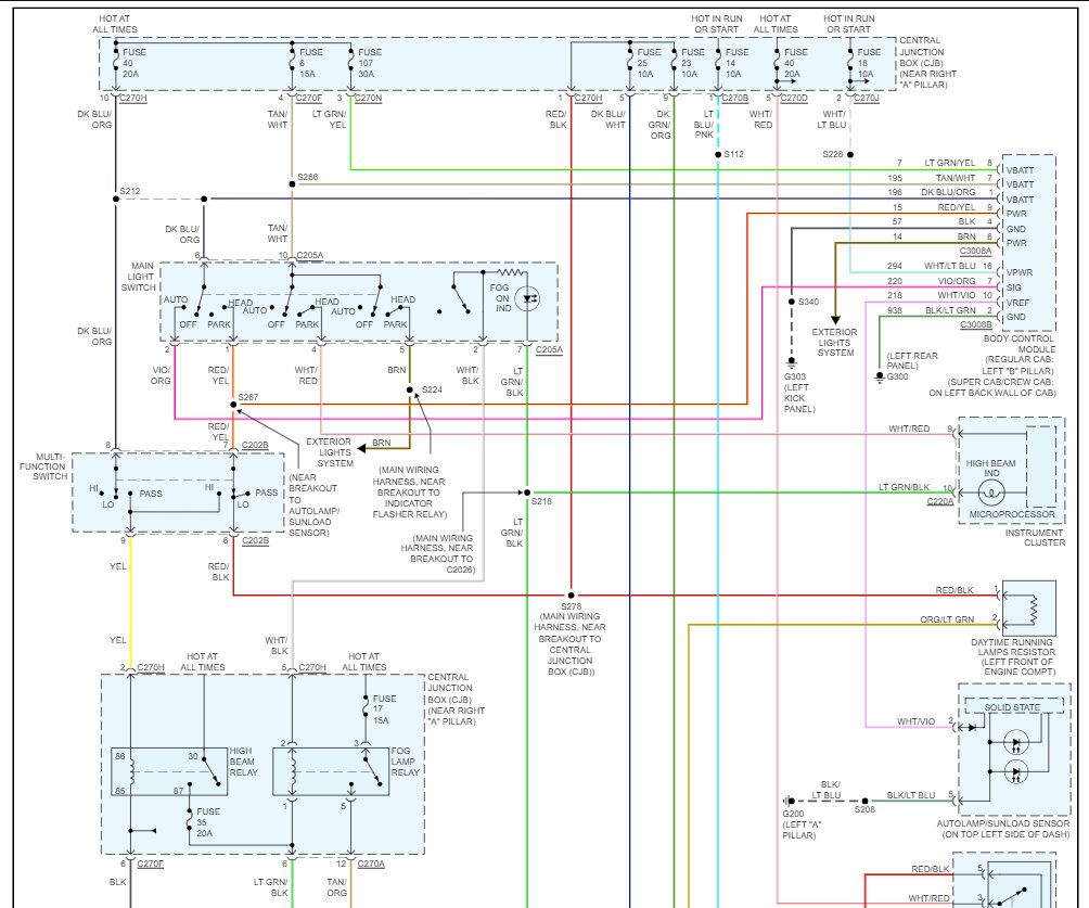
9 times out of 10 it will be the multifunction switch but there are several fuses that run the system so I would check those first here is a guide to help and the headlight wiring diagrams so you can see how the system works and which fuses to check:

https://www.2carpros.com/articles/how-to-check-a-car-fuse

Check out the images (below). Please let us know how it goes
Aug 15, 2023 at 11:33 AM
Avatar
DIMITAR STEFANOV GLAVINOV
  • MEMBER
  • 28 POSTS
Yesterday I installed the new switch that controls the wipers, the fluid for them, the indicators, the high beams and the problem with them was fixed!
Thanks
Sep 11, 2023 at 10:00 PM
Advertisement
Avatar
STRAILER
  • CERTIFIED EXPERT
  • 53,855 POSTS
Thanks for letting us know, we are here to help, please use 2CarPros anytime.
Sep 12, 2023 at 10:13 AM