High Beam Lights

2002 TOYOTA ALTEEZA
25 MILES • 2.0L • 6 CYL • 4WD • AUTOMATIC
Avatar
LIAM MARTIN
  • MEMBER
  • 1 POST
so I have been for my WOF and was told that my high beam lights were not bright enough , I have bought a new set of bulbs and they still say it is not bright enough and may have to see an electrician , is there anything that may help before I do that
Apr 13, 2021 at 8:59 PM
Advertisement
Avatar
KASEKENNY
  • CERTIFIED EXPERT
  • 18,907 POSTS
Just checking to see if you can clarify the issue. Who said they are not bright enough? Is this an inspection in your country?

Do they turn on when you turn the high beams on?

Also, when you turn them on, do you see the increase in visibility?

Just not sure how to help with this because if the high beams are working then I am just not sure how they are measuring them to say they are not bright enough.

The only thing that would make sense is you have a dirty ground and that is taking some voltage and not allowing the bulbs to be as bright as possible.

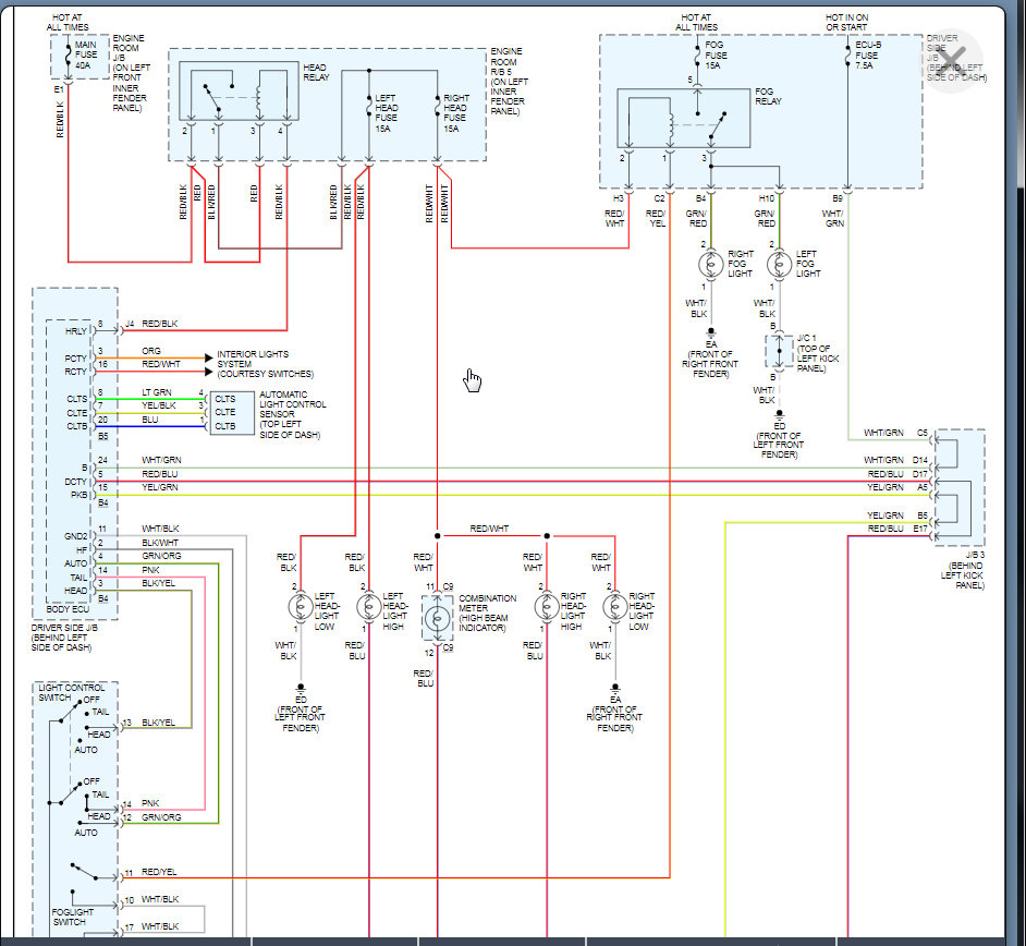
Below you will find the wiring diagrams but this is for a sister vehicle as we don't offer this one here in the USA.

https://www.2carpros.com/articles/how-to-replace-a-headlight-bulb

Please review this and let us know what you find. Thanks
Apr 17, 2021 at 6:53 PM