High beams do not work

2002 TOYOTA AVALON
87,000 MILES • 3.0L • V6 • 2WD • AUTOMATIC
Avatar
DULUXE2000
  • MEMBER
  • 14 POSTS
Hi,

My high beams do not work. I checked the fuses and DIM relay, they look okay.

My problem is similar to https://www.2carpros.com/questions/toyota-camry-1999-toyota-camry-high-beams

Please tell me how to test the dimmer switch and the light control switch on my model.

Thanks
Apr 15, 2018 at 5:26 AM
Advertisement
Avatar
PATENTED_REPAIR_PRO
  • CERTIFIED EXPERT
  • 1,853 POSTS
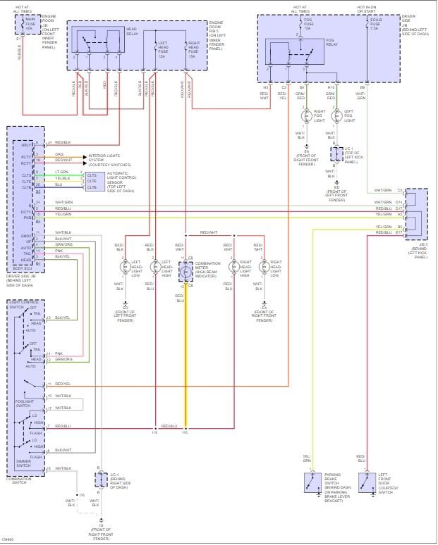
Does this have DRL's (daytime running lights) or not?
Apr 15, 2018 at 7:42 AM
Avatar
ASEMASTER6371
  • CERTIFIED EXPERT
  • 52,796 POSTS
good morning.

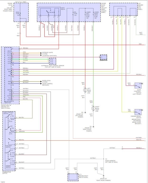
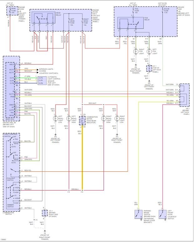
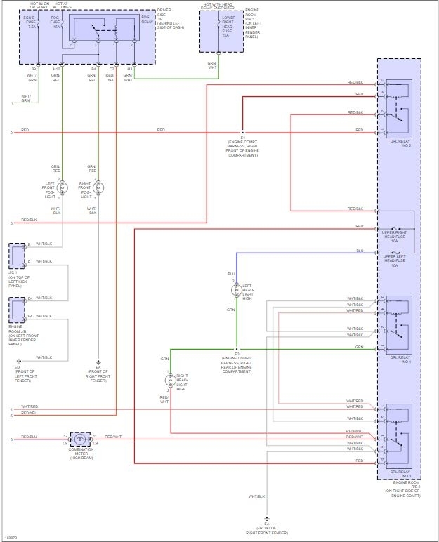
I attached a wiring diagram for you to view. make sure you test for voltage at the headlight for the high beam feed with a test light or voltmeter to be sure there is power.

Also, check the fuse for the high beams for power to the fuse. Check for voltage on both sides.

need to check basics first.

Roy
Apr 15, 2018 at 7:44 AM
Advertisement
Avatar
DULUXE2000
  • MEMBER
  • 14 POSTS
Hi,

Thanks for your timely responses.

1. My car does not have DRL's.
2. I did the following tests (while switching high beams on).
- Check voltage between two terminals of the bulb base, 0.
- Check voltage between battery negative and two terminals of the bulb base, both are 0.
- Check voltage between battery positive and two terminals of the bulb base : both ~12 volts.
- Check voltage between battery negative and both sides of the fuse, both are 0.

Looking forward to your replies.
Apr 16, 2018 at 5:45 AM
Avatar
ASEMASTER6371
  • CERTIFIED EXPERT
  • 52,796 POSTS
Okay, using your voltmeter, check the voltage at the two wire connector at the headlight. use the black in one terminal and red in the other.

Roy
Apr 16, 2018 at 5:49 AM
Avatar
DULUXE2000
  • MEMBER
  • 14 POSTS
Sorry,

When i said "check voltage between two terminals of the bulb base", it means voltage between two wire connector at the headlight. It is 0.
Apr 16, 2018 at 5:54 AM
Avatar
ASEMASTER6371
  • CERTIFIED EXPERT
  • 52,796 POSTS
okay, I assumed you were on the battery negative post from your description.

if your voltmeter reads 0 with the headlight activated, that indicates a short circuit in the wiring. it is the same if you put the leads together on the volt scale without hooking them to anything. that is a short circuit.

if you read ghost voltage or voltage all over the place it is an open circuit.

Roy

Apr 16, 2018 at 5:58 AM
Avatar
PATENTED_REPAIR_PRO
  • CERTIFIED EXPERT
  • 1,853 POSTS
Using the voltmeter with both leads on the bulb plug is assuming the ground wire is okay, just attach the voltmeter ground lead to either the negative battery post or a metal ground and leave it there while you use the positive voltmeter test lead to move around and check different spots for voltage.
If you had a bad ground and stuck both voltmeter test leads in the bulb plug even if you did have 12 volts on the positive wire, you would get a false 0 volt reading because you do not have a good ground.
Apr 16, 2018 at 7:09 AM
Avatar
DULUXE2000
  • MEMBER
  • 14 POSTS
Thanks again for you replies.

In tests number two and three, I did attach voltmeter ground lead to the battery negative post and use positive lead to check voltage at, both leads on the bulb plug as well as both sides of the fuse, there are no voltage. I guess I have an open circuit one this side of the bulb plug.

I do not think i have bad ground as I attached voltmeter on battery positive post and checked
voltage at both leads on the bulb plugs (test no.1 ), both read at 12 volts ( it means the ground is okay, does it not?).

Now the next step is to track down the open circuit, is it not it? It is not the fuse since both sides of the fuse read 0 volts.

Next is the DIM relay. In my car, there is only one DIM relay for both high and low beams. Low beams work so DIM Relay is okay, I guess.

I might be the combination switch which is faulty so I thought I could test the continuity of the switch, but do not know which pins are used for high beams on my model.

What steps do you advise me to take? Appreciate your time.
Apr 16, 2018 at 7:58 AM
Avatar
PATENTED_REPAIR_PRO
  • CERTIFIED EXPERT
  • 1,853 POSTS
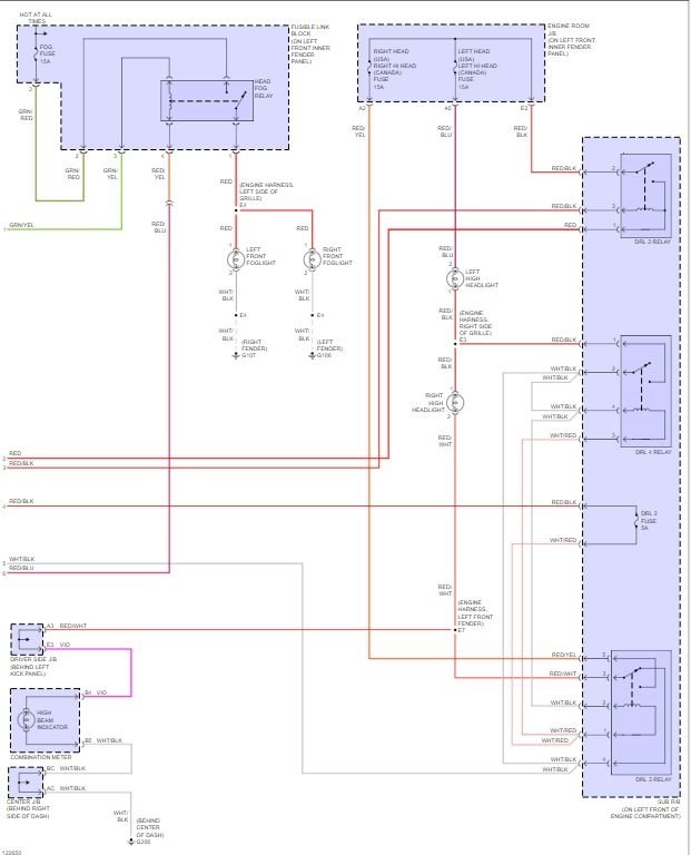
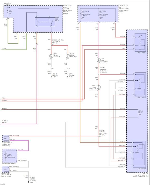
First of all there are two fuses, "left head" and "right head" and both fuses also feed the low circuits, so I do not know how you could have 0 volts on a fuse. Which fuse are you referring to that has 0 volts?
Plus, what are you referring to as a "DIM" relay, the "head" relay?
Apr 16, 2018 at 9:25 AM
Avatar
DULUXE2000
  • MEMBER
  • 14 POSTS
Hello again,

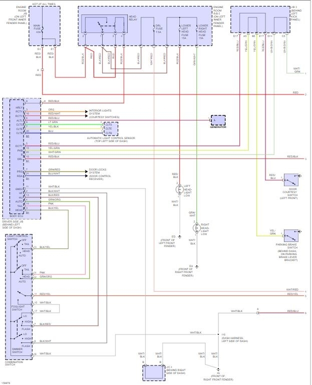
The diagram does not look like what I have in my car.

My car has four fuses for each lights and the relay is Dim relay ( please see the photo attached).

Car model is MCX10R Mark II Conquest.
Apr 17, 2018 at 2:16 AM
Avatar
PATENTED_REPAIR_PRO
  • CERTIFIED EXPERT
  • 1,853 POSTS
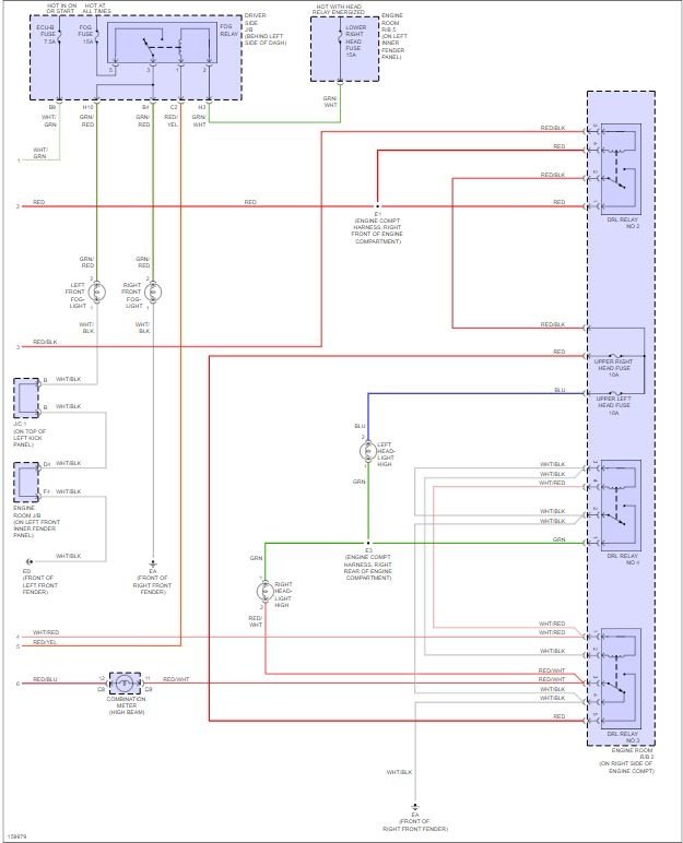
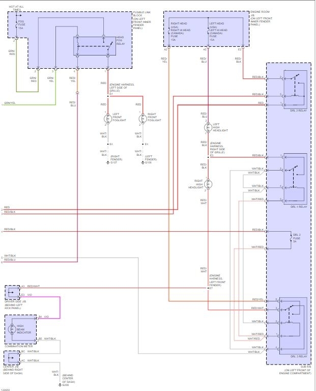
That is why I asked if this had DRL (daytime running lights) or not, because there are two different wiring diagrams and since you said no DRL, I gave you that wiring diagram. The DRL does have four fuses.
Apr 17, 2018 at 6:26 AM
Avatar
DULUXE2000
  • MEMBER
  • 14 POSTS
Again thanks for your patience,

I should disclose that I am from Australia, are your diagrams for US models?

My car has four fuses for four lights and it does not have DRL (I searched all over the engine department but found no relay labeled DRL). I do not think I ever use it (DRL). Also, your DRL diagram shows that lower beams use 15A fuses, mine (from the photos I attached) shows that lower beams use 10A fuses.

According to wikipedia (https://en.wikipedia.org/wiki/Toyota_Avalon), 2002 Australia Avalon should be the first generation Avalon. However, when I looked at diagrams for first gen (from the old post, https://www.2carpros.com/questions/toyota-camry-1999-toyota-camry-high-beams ), the circuit without DRL does not match either.

I am trying my luck to see if anyone has my model's diagrams.
Apr 17, 2018 at 8:28 AM
Avatar
PATENTED_REPAIR_PRO
  • CERTIFIED EXPERT
  • 1,853 POSTS
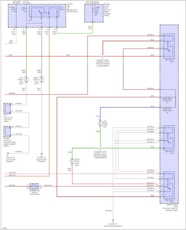
You just showed me a relay that said DRL. Look again at your photo of DIM relay, it also says DRL #2.
Your second link says that is for a Camry, not an Avalon.
These from a 1999 Avalon with DRL, have 10a fuses.
Apr 17, 2018 at 9:36 AM
Avatar
DULUXE2000
  • MEMBER
  • 14 POSTS
Hi,

Thanks all for the answers so far. I think I found the problem.
Today I decided i will check the dimmer relay first. I took it out and check voltage between dimmer plug terminals.
1. 12 volts between two and four, which means the switch circuit is good, what a relief.
2. 12 volts between one and four, which is expected because the low beams work.
3. 12 volts between three and four, which means high beams circuit is good, voila. I connect them using a wire and high beams turn on.

So it is the dimmer relay is faulty, although I heard the click when high beams switched.

I am lucky because it is just dimmer relay. I still have not found the correct diagram for my car. The last diagram Patient_Repair_Pro attached does not have dimmer relay, which switches between low and high beams. Plus, all diagrams so far with DRL have DRL relay number four but in my car, I only have DRL dimmer relay and head relay.

Thanks again.
Apr 18, 2018 at 5:40 AM
Avatar
PATENTED_REPAIR_PRO
  • CERTIFIED EXPERT
  • 1,853 POSTS
Post the tenth digit of your VIN number, perhaps you I have looked up the wrong year.
Although if you look that DRL 2 relay is on page 2 of them last diagrams I gave you, and in that picture you gave me before it did say the dim relay was also marked as the DRL2 , so they are the same thing.
Apr 18, 2018 at 6:17 AM
Avatar
DULUXE2000
  • MEMBER
  • 14 POSTS
Yep, relay number two is the same as dimmer relay.

The tenth digit of my VIN number is letter "O" or zero 0, which means it does not exist, does it not?
Apr 18, 2018 at 6:45 AM
Avatar
PATENTED_REPAIR_PRO
  • CERTIFIED EXPERT
  • 1,853 POSTS
It should have been a two if a 2002. Are you sure you gave me the tenth digit? Can you post the entire VIN number?
Apr 18, 2018 at 7:21 AM
Avatar
DULUXE2000
  • MEMBER
  • 14 POSTS
Hi,

Sorry for late reply, please see the attachment.
Apr 21, 2018 at 9:03 AM
Avatar
PATENTED_REPAIR_PRO
  • CERTIFIED EXPERT
  • 1,853 POSTS
That is odd. The 10th digit of 0 decodes as unknown.
Apr 21, 2018 at 9:33 AM