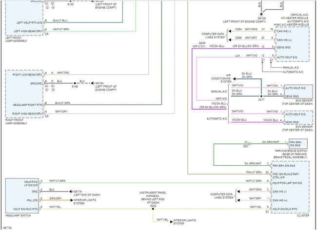
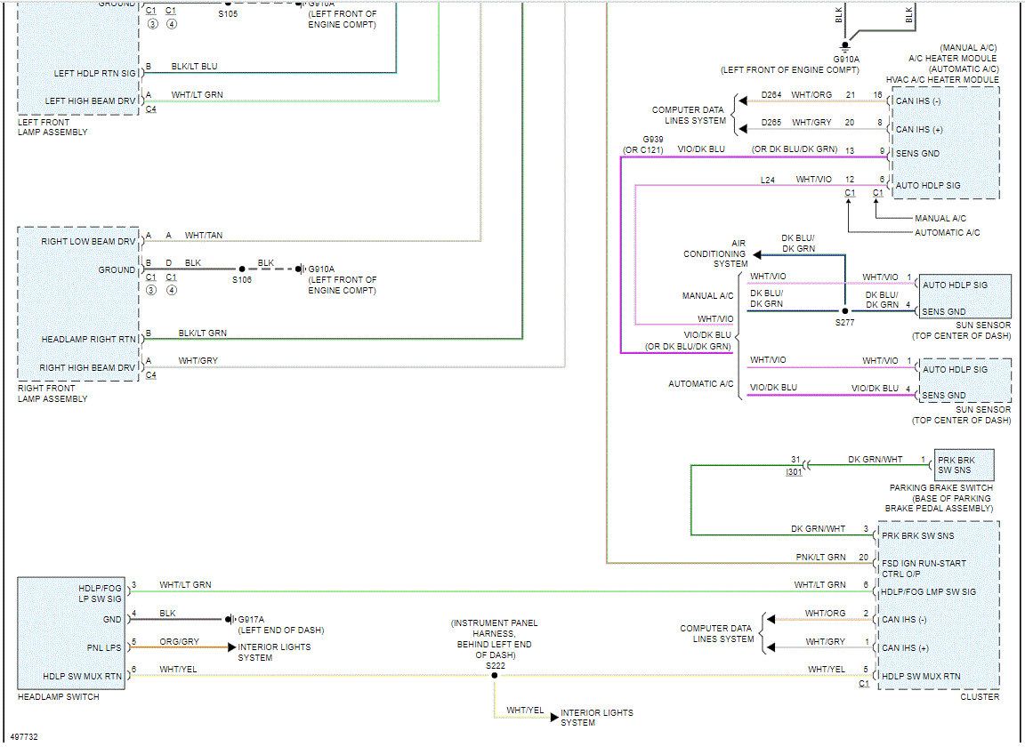
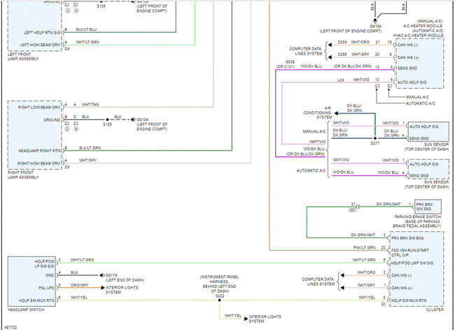
My passenger side high beam/day light won't work. I tested the bulb and it works fine. I know it isn't the switch because all other exterior lights turn on. It's just that one light. Any suggestions?
Mar 8, 2021 at 11:13 AM

