HID headlight Issue

2006 CHRYSLER 300
60,000 MILES • 5.7L • V8 • 2WD • AUTOMATIC
Avatar
BILL HANSEN
  • MEMBER
  • 1 POST
I just replaced both HID headlight assemblies and new HID bulbs on my car listed above (300C). All works fine except neither of the HID low beams come on. I triple checked my connections. Any thoughts? Thanks.
Feb 20, 2018 at 5:10 PM
Advertisement
Avatar
STEVE W.
  • CERTIFIED EXPERT
  • 15,113 POSTS
What was the reason for replacement? Bad lenses? Stopped working? Wanted a different look?
Are the new units OEM or ? Same type HID units?
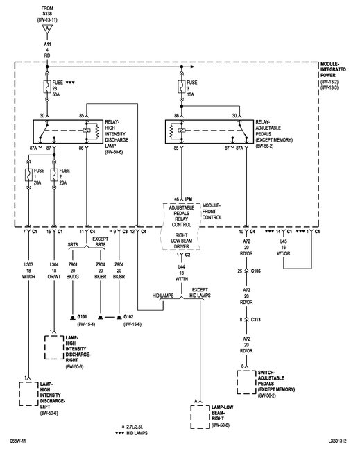
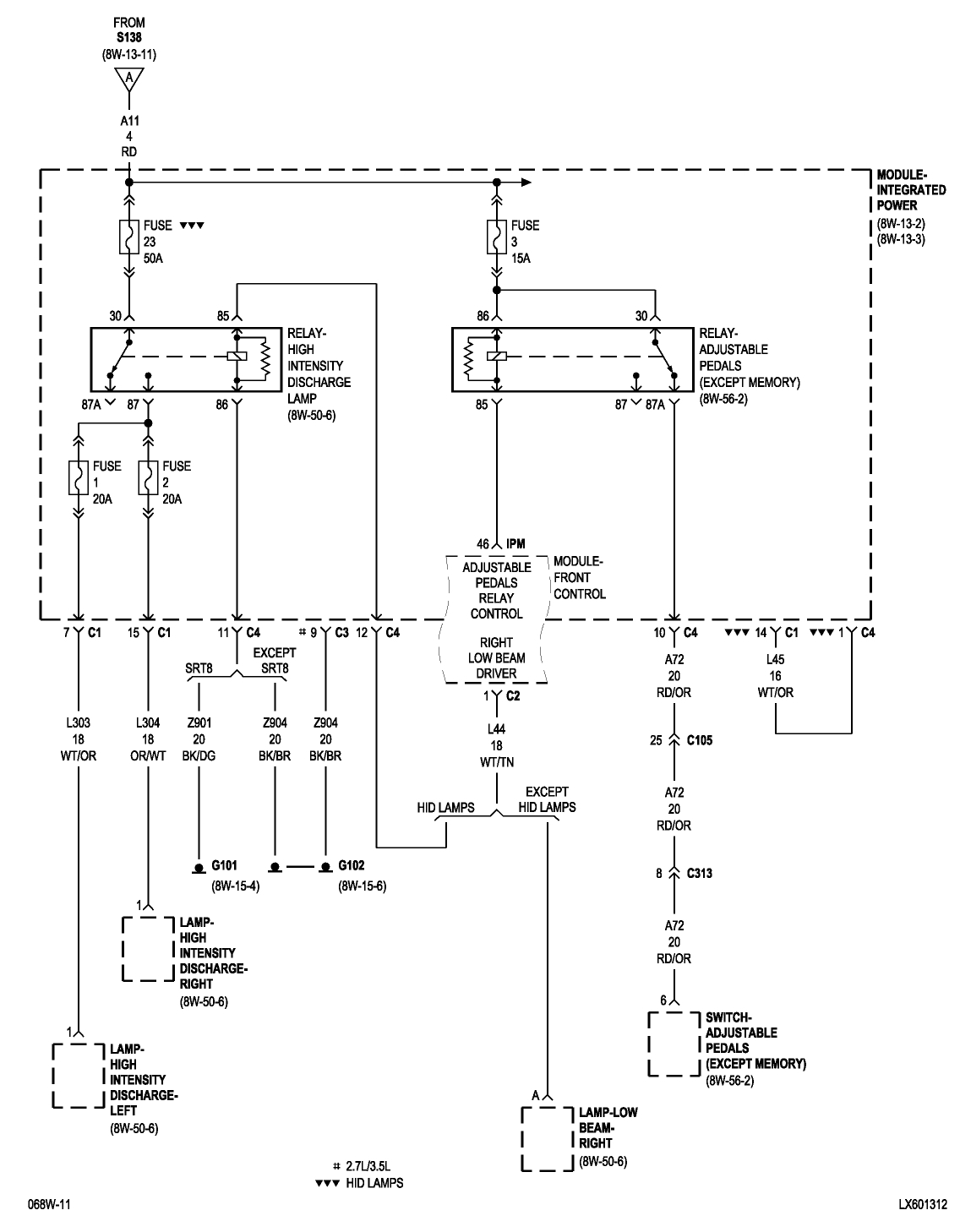
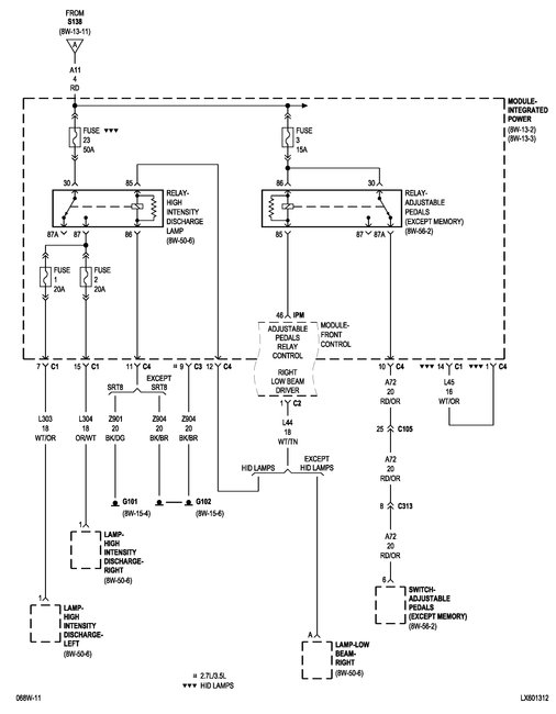
Check fuses 1, 2 and 23 to be sure they are getting power on both sides. When you switch on the low beams can you hear/feel the low beam relay trigger?

Use a test light and verify that you have twelve volts going to the ballasts on the white/orange and the orange/white wires. If you have power at fuse 23 but not at fuses 1 and 2 swap the relay out, if you have power at all three and at the ballast connections, either the ballasts or the bulbs are bad.
Feb 22, 2018 at 12:04 AM