Hello,
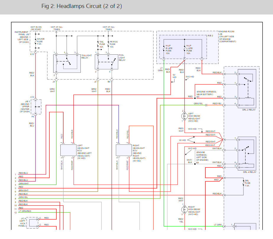
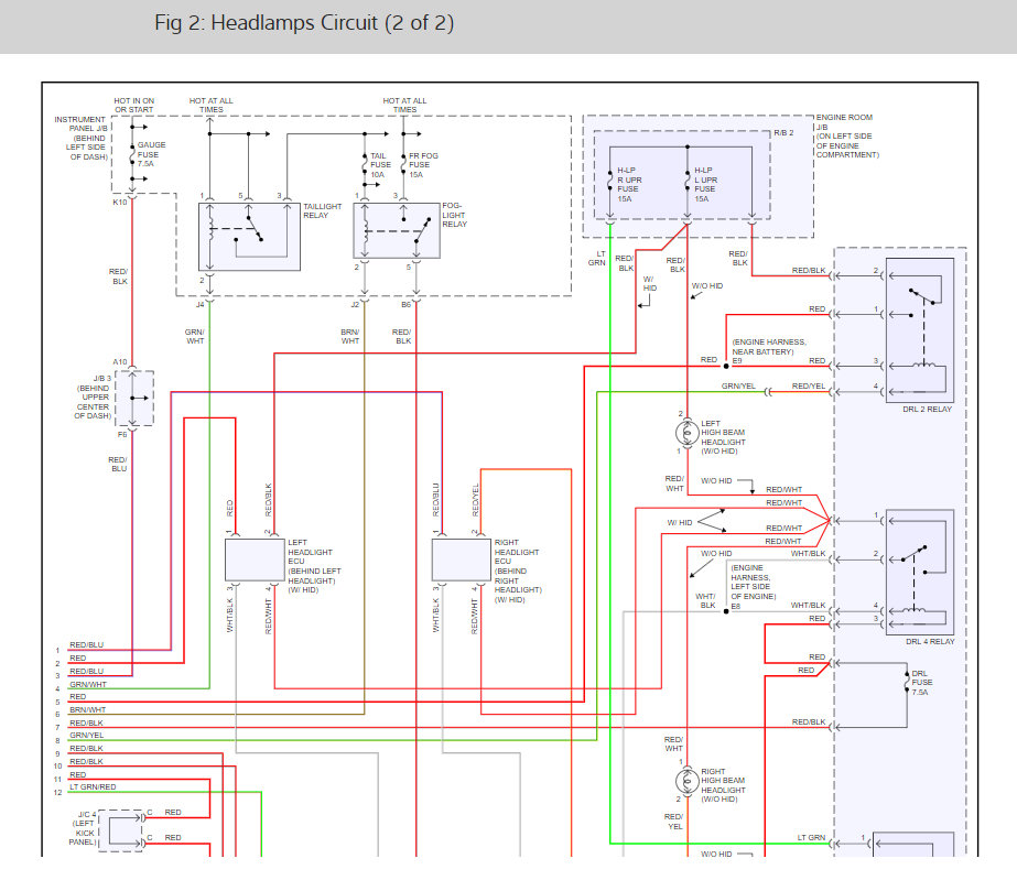
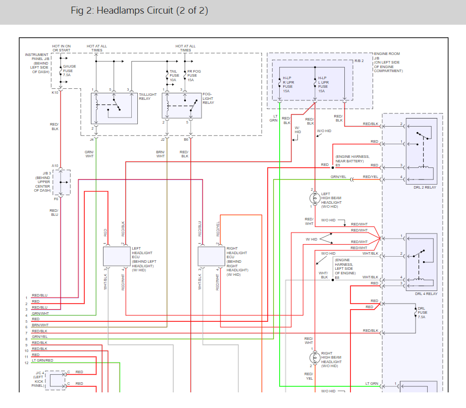
Because HID assemblies are too expensive where I live. If I were to remove the old ballasts, there would be two wires each side. I believe one is a control wire and the other is 12V. How do I hook up wiring for both high and low halogen beams? Do I need relays in this case?
Thanks!
Because HID assemblies are too expensive where I live. If I were to remove the old ballasts, there would be two wires each side. I believe one is a control wire and the other is 12V. How do I hook up wiring for both high and low halogen beams? Do I need relays in this case?
Thanks!
Jan 15, 2020 at 6:38 AM



