Code P0722

2008 HONDA PILOT
144,000 MILES • 3.5L • 6 CYL • 4WD • AUTOMATIC
Avatar
VICARUN
  • MEMBER
  • 8 POSTS
Hi, where is the input shaft speed sensor located?

Apr 22, 2018 at 1:09 PM
Advertisement
Avatar
WRENCHTECH
  • CERTIFIED EXPERT
  • 20,761 POSTS
You can access it from below.

Apr 22, 2018 at 1:21 PM
Avatar
VICARUN
  • MEMBER
  • 8 POSTS
Thank you for your fast answer. i have been looking with that picture still no luck. can you please be more specific where is located? thank you so much.
Apr 22, 2018 at 2:06 PM
Advertisement
Avatar
WRENCHTECH
  • CERTIFIED EXPERT
  • 20,761 POSTS
That view is the front of the transmission from below. You may have a splash panel to remove.
Apr 22, 2018 at 2:09 PM
Avatar
VICARUN
  • MEMBER
  • 8 POSTS
Thank you, finally I found and change the sensor, but the speedometer still not moving. any suggestions?
Apr 22, 2018 at 3:52 PM
Avatar
WRENCHTECH
  • CERTIFIED EXPERT
  • 20,761 POSTS
That would be because the input speed sensor has nothing to do with the speedometer. That would be the output speed sensor which is what that code indicates.
Apr 22, 2018 at 3:56 PM
Avatar
VICARUN
  • MEMBER
  • 8 POSTS
Hi, I put input by mistake on the title, actually the sensor I had replaced was the output shaft speed sensor, the l shape one but no luck, should I change the input too.
Apr 23, 2018 at 8:39 AM
Avatar
WRENCHTECH
  • CERTIFIED EXPERT
  • 20,761 POSTS
No, that sensor will not help. It has to be a wiring or transmission issue somewhere. You may need a lab scope to troubleshoot.
Apr 23, 2018 at 2:16 PM
Avatar
VICARUN
  • MEMBER
  • 8 POSTS
Hi, I replace input and output shaft speed sensors, the D light is not blinking any more but the speedometer still not moving or the car shifting. could it be the shift control solenoid? if yes where is located? thank you
Apr 24, 2018 at 6:39 PM
Avatar
STRAILER
  • CERTIFIED EXPERT
  • 53,855 POSTS
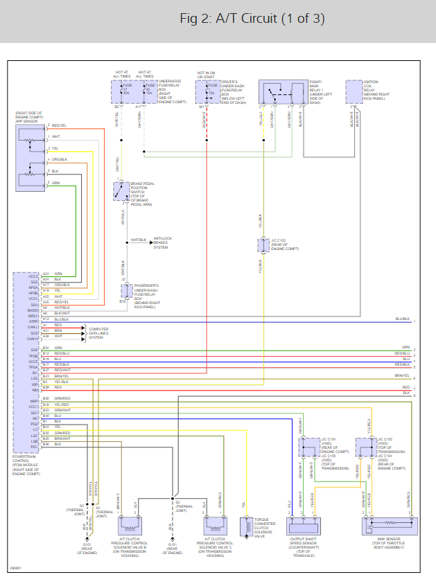
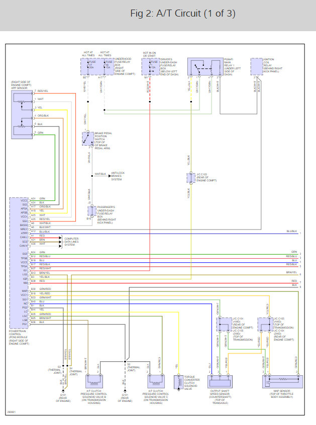
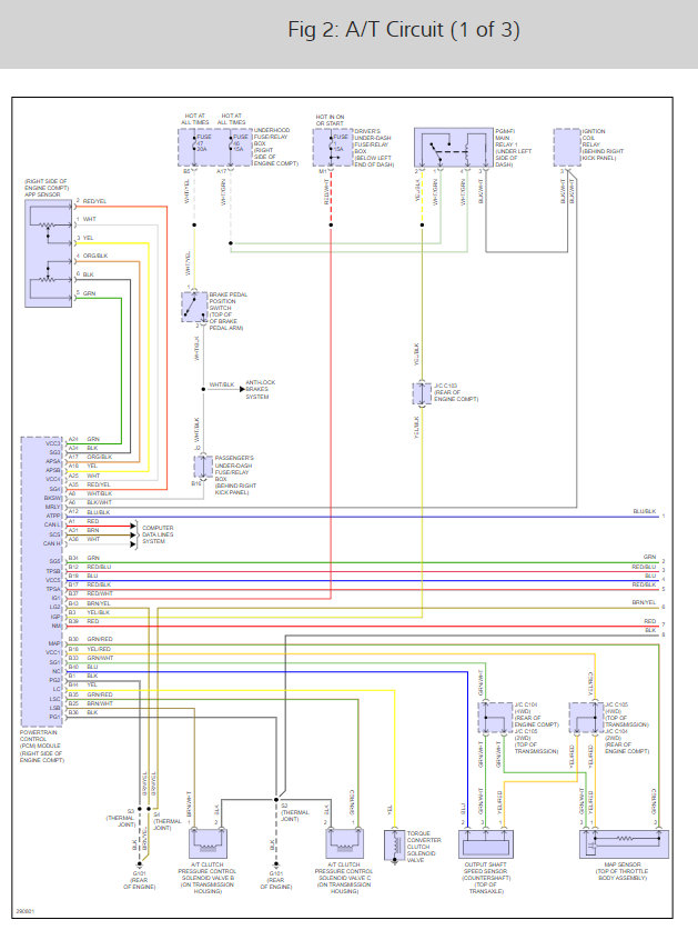
I do not think it is a shift control solenoid. It sounds more like you have a wiring issue. Lets run through this guide.

https://www.2carpros.com/articles/how-to-check-wiring

Please check the connection for the speed sensors to the PCM.

Here are the transmission wiring diagrams to help you see how it works.

Check out the diagrams (below).

Please let us know what happens.

Cheers, Ken
Apr 27, 2018 at 10:25 AM
Avatar
VICARUN
  • MEMBER
  • 8 POSTS
Hi, the sensors I removed (the originals) looks like the one in the picture. After replacement it did not work I took it to the Honda dealer and they removed the sensor that are the ones on the picture and say they need to replace it and flash the transmission and reprogram the ECU. An $800.00 job. After a week of calling and no straight answer they said they replace the sensors and still doing the same thing the said I need to replace the transmission. Any ideas? I think they just do not want to spend more sensors and time and they are going for the easy part replace the transmission for $4,200.00.
May 3, 2018 at 6:53 AM
Avatar
VICARUN
  • MEMBER
  • 8 POSTS
Image.
May 3, 2018 at 6:54 AM
Avatar
STRAILER
  • CERTIFIED EXPERT
  • 53,855 POSTS
Yes, you have a bearing going out allowing the internal part of the transmission moving inward which causes the sensor to have contact with the sensor, but I have heard of people using a spacer to move the sensor away form the timer wheel inside the transmission. I would try that first.
May 3, 2018 at 10:11 AM
Avatar
VICARUN
  • MEMBER
  • 8 POSTS
That is what I was thinking, I just do not know how far the sensor could be to cause damage and continue reading, but I will try it. Thank you.
May 3, 2018 at 11:38 AM
Avatar
ASEMASTER6371
  • CERTIFIED EXPERT
  • 52,796 POSTS
Okay, that sensor is really bad. The damage comes from the inside moving all over the place.

On this one the dealer is correct. You have internal damage and transmission will have to come out. There is no way of cheating this one.

You could consider a used transmission to save some money. There is a site called www.car-part.com. They are an excellent resource for used parts. I used them dozens of times for all my used parts with great success.

Roy
May 3, 2018 at 4:52 PM