Cooling fan does not work

2015 CHRYSLER TOWN AND COUNTRY
101,000 MILES • 3.6L • 2WD • AUTOMATIC
Avatar
PIXTURMAN
  • MEMBER
  • 5 POSTS
The high fan doesn't work. I replaced the radiator fan fuse and it worked for a day. the fuse is no other blown and the low fan works. Is there a high radiator fan relay and if there is, where is it located?
Oct 22, 2019 at 9:49 AM
Advertisement
Avatar
STRAILER
  • CERTIFIED EXPERT
  • 53,854 POSTS
Hello,

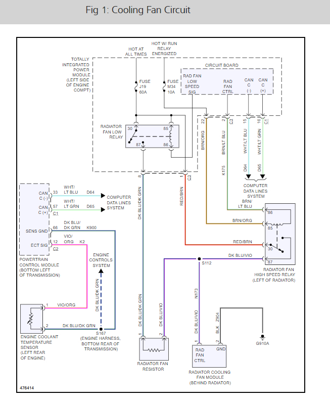
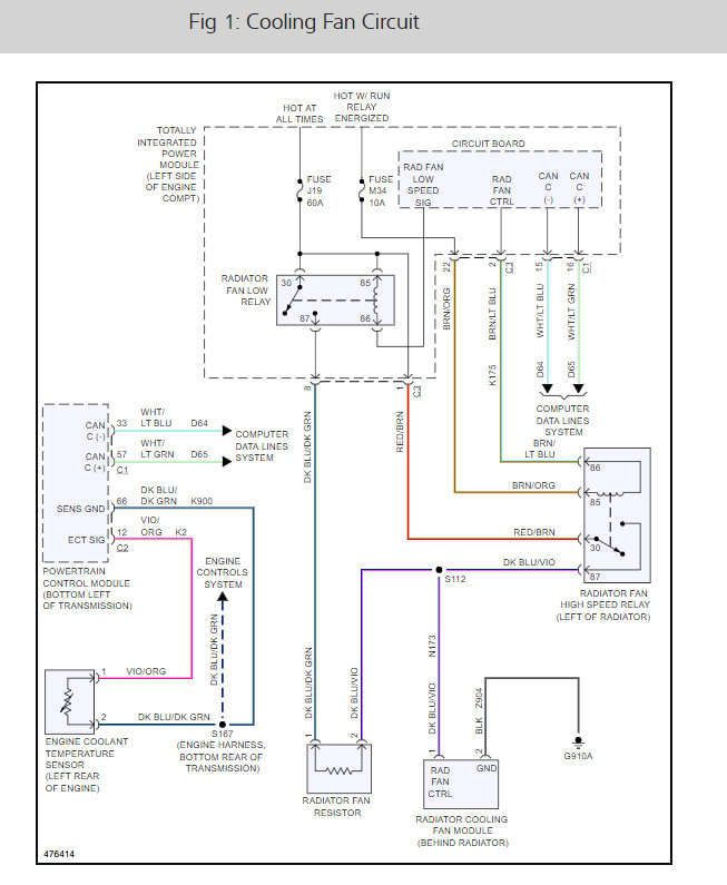
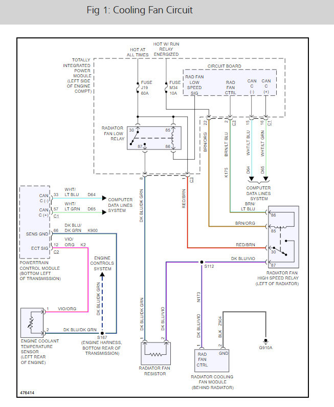
There is a high speed relay the TIPM controls it. Here is a cooling fan wiring diagrams so you can see how the system works plus instructions on how to replace the TIPM below. The TIPM replacement is easy because it self initializes. Check out the diagrams (below). Please let us know what happens.

Oct 23, 2019 at 11:57 AM
Avatar
PIXTURMAN
  • MEMBER
  • 5 POSTS
Would a bad TIPM be the the problem if only the hi cooling fan doesn't work? I would think that more than one thing would not be working?
Oct 23, 2019 at 2:31 PM
Advertisement
Avatar
STRAILER
  • CERTIFIED EXPERT
  • 53,854 POSTS
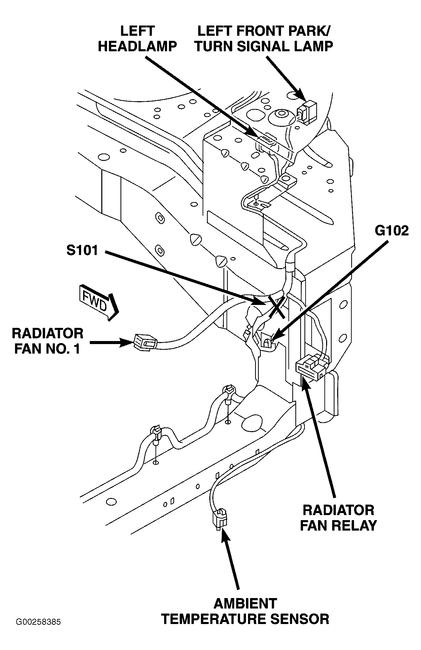
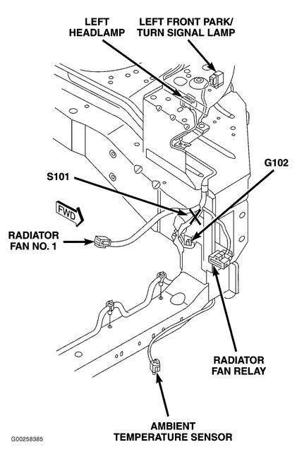
The TIPM controls the operation of both relays. have you tested the high speed relay? Can you please shoot a quick video with your phone so we can see what's going on?, that would be great. You can upload it here with your response. Here is the relay location. Check out the diagrams (below). Please let us know what happens.
Oct 24, 2019 at 10:13 AM
Avatar
PIXTURMAN
  • MEMBER
  • 5 POSTS
You said in the answer to my first question that there was no high speed relay? No I haven't tested it. Now that I know there's one I will test it. The low fan comes on when the engine gets hot.
Oct 24, 2019 at 10:37 AM
Avatar
STRAILER
  • CERTIFIED EXPERT
  • 53,854 POSTS
My bad, I didnt look closely at the wiring diagrams. Please let me know.
Oct 24, 2019 at 11:47 AM
Avatar
PIXTURMAN
  • MEMBER
  • 5 POSTS
I replaced the hi fan relay and the hi fan still doesn't come on. I noticed there's 2 relays so I swapped relays to see if the other one was bad.. still didn't work. Is it possible both relays run the hi fan and both went bad? Is it possible there's something with the AC that that would keep the hi fan from coming on? The lo fan will come on when the AC is turned on but the AC works when the lo fan is on but not when the lo fan is off.



Oct 25, 2019 at 2:20 PM
Avatar
STRAILER
  • CERTIFIED EXPERT
  • 53,854 POSTS
Thanks for the video. The brown and light blue wire going to the high speed fan relay must ground to get the hi fan to turn on. This is controlled by the TIPM. The brown and orange wire must have power.

https://www.2carpros.com/articles/how-to-check-wiring

and

https://www.2carpros.com/articles/how-to-check-an-electrical-relay-and-wiring-control-circuit

Please run down these guides and report back. It sounds like the TIPM is out which is common.
Oct 26, 2019 at 12:17 PM
Avatar
RICK DANIEL
  • MEMBER
  • 1 POST
Will only come on when AC is on.
Dec 21, 2020 at 9:47 AM (Merged)
Avatar
SCGRANTURISMO
  • CERTIFIED EXPERT
  • 4,897 POSTS
Hello,

This looks like it could be a problem with the Totally Integrated Control Module. It is on the left side of the engine compartment and it contains Radiator Low Speed Fan Relay, Low Speed Signal, Hi Speed Control, Connector Area Bus Inputs, and fused power. In the diagrams down below I have included factory diagnostic tests for both the cooling system as well the Electronic Coolant Temperature sensor (ECT), and the Totally Integrated Control Module. Please go through these tests and get back to us with what you find out.

Thanks,
Alex
2CarPros
Dec 21, 2020 at 9:47 AM (Merged)
Avatar
HAPPYJOSE
  • MEMBER
  • 2 POSTS
First the fan fuse blew - I replaced it. Then the passenger side fan smoked; I mean it - there was so much smoke I couldn't see. Pulled the fuse so I could get home. Disabled the fan by disconnecting the cable to the fan motor and replaced the fuse. Ran it that way till the following week when the replacement fan assembly came in. But in the meantime the cel came on - a P0480 code...cooling fan 1 control circuit malfunction. I replaced the fan assembly but the cel light is still on, and the fans are still not functioning. I thought the cooling fan relay might be bad but I'm having difficulty testing it without a wiring diagram to help me.

The 2 larger wires, say connected to pins 1 and 2 at the relay, I'm assuming provide the power to the fans. And the 2 smaller wires, pins 3 and 4, would be from the PCM to turn the relay on. With the connector off the relay I looked for any signals on pin 3 and 4 with the car running and the air conditioning turned on, but there wasn't any. So I am at a loss on how to proceed. My questions are primarily how should I proceed from here; are there any wiring diagrams available online I could avail myself of [without spending an arm and a leg]; where can I find the PCM module on this model car so I can test the wires and connectors from the pcm and the fan relay?

Any help would be greatly appreciated.
Dec 21, 2020 at 9:48 AM (Merged)
Avatar
HMAC300
  • CERTIFIED EXPERT
  • 48,601 POSTS
here is pic of diagram but be aware that there was a tsb for this code. it required reflashing computer as well as a new replacement part. So that may be part of your problem as well.
Dec 21, 2020 at 9:48 AM (Merged)
Avatar
HAPPYJOSE
  • MEMBER
  • 2 POSTS
hmac300 - thanks so much for the wiring diagram - that will help a lot. I read about the tsb regarding the reflash of the pcm. I have to admit though, if it was a software/firmware issue, I don't understand why this problem wouldn't have existed right from the git-go.

kudos to you - appreciate the info.
Dec 21, 2020 at 9:48 AM (Merged)
Avatar
HMAC300
  • CERTIFIED EXPERT
  • 48,601 POSTS
there was a newer replacement part involved inthis as well as reflash so if you don't have the part installed it may be that as well.
Dec 21, 2020 at 9:48 AM (Merged)
Avatar
NYCHAVEZ
  • MEMBER
  • 1 POST
Why wont the cooling fans turn on if i replaced theromostate and the sensor?
Dec 21, 2020 at 9:48 AM (Merged)
Avatar
DANNY L
  • CERTIFIED EXPERT
  • 5,648 POSTS
Hello, I'm Danny.

The first think I suggest you should check is the radiator fans fuse in the under hood integrated power module fuse box. It is on the left side of the engine compartment. The fuse is located in the space #27. Here is a tutorial showing how to check a fuse:

https://www.2carpros.com/articles/how-to-check-a-car-fuse

If the fuse checks good then I would check the fan relay. Here is a tutorial showing how to test a relay:

https://www.2carpros.com/articles/how-to-check-an-electrical-relay-and-wiring-control-circuit

I've attached pictures below of the locations of the fuse which is circled in red and and the relay including how to replace on your van. Hope this helps and thanks for using 2CarPros.
Dec 21, 2020 at 9:48 AM (Merged)
Avatar
MADHATTER503
  • MEMBER
  • 3 POSTS
With the temperature still in the low twenties, it is not am issue now, but when the spring gets here I will need it to work! Relay was tested, fuse good, but fan will not engage, even with A/C on. I jumped the fans and they work fine. Dealer said bad PCM or wiring issue as they changed temperature sensor to no avail. Any suggestions would be appreciated.
Dec 21, 2020 at 9:48 AM (Merged)
Avatar
OBXAUTOMEDIC
  • CERTIFIED EXPERT
  • 3,711 POSTS
Hello,

Okay, who tested the Relay? In my experience with that relay I have not been able to accurately test it and have replace to find that it was bad. And I take it the relay tested was located at the front frame rail on driver side.

Now with the fuse, was it tested with a meter or just looked at? I have found with just looking at them it is hard to tell if it is blown or not.

Also, is or was your engine light on? If it is now or was on and still is would have codes pulled. Could be that the coolant sensor that was replaced is defective, does not happen often but it does happen.

Note : A bad sensor will turn engine light on. A bad relay in most cases will not.

I have attached diagrams.

Fuse #27 is the 40 amp radiator fan.
Dec 21, 2020 at 9:48 AM (Merged)
Avatar
MADHATTER503
  • MEMBER
  • 3 POSTS
Thank you for your quick response. First, my mechanic removed the front grill to access the relay. He plugged a tool into a wire harness that tested the circuit and stated that the fuse and relay were working. not sure how fuse was tested but I have a multi-meter and can check. "check engine" light is on. Have not replaced sensor, but took it to dealer who said PCM or bad wire. I will check fuse, but I believe my mechanic said that there was power to relay. The A/C should trigger a fan regardless if the sensor is bad? Can an issue with the A/C circuit cause the problem? Thanks again.
Dec 21, 2020 at 9:48 AM (Merged)
Avatar
OBXAUTOMEDIC
  • CERTIFIED EXPERT
  • 3,711 POSTS
Okay, no the A/C will not trigger fan with bad relay. The temperature sensor signals the relay to trigger the fan/s.

You said he connect to the wiring harness of the sensor, do you know if it also connected to the relay? If just connected to wiring harness then he just check to see if harness was good and getting power, so yes the fuse is most likely good but if did not connect to relay how can he say it is good.

Okay, can you take it to an auto parts store and have them read codes? right it/them down and post please.

And to be honest if you go into a shop or dealer and they can tell you do not have a clue or do not know much about vehicle they will rip you off. That is why I work for myself with no employees, I am a Mobile Mechanic.
Dec 21, 2020 at 9:48 AM (Merged)
Avatar
ALLEN WOOD
  • MEMBER
  • 6 POSTS
My van fans wont run unless you unplug the coolant temperature sensor. Here is what I have done so far:

Replaced relay behind bumper.
Checked all other fuses and relays.
Replaced coolant temperature sensor twice.
Replaced pressure transducer.
I have checked all wires at relay. I have power, ground and signal.

The fans will run when I jump the relay harness.

The fans will run when you unplug the coolant temperature sensor.

The fans will not run when AC is on.

The fans will not run when the engine reaches the temperature in which the fans should turn on.

Help!
Dec 21, 2020 at 9:48 AM (Merged)
Avatar
ALLEN WOOD
  • MEMBER
  • 6 POSTS
I also removed G102 ground connection and cleaned with wire brush and reinstalled.
Dec 21, 2020 at 9:48 AM (Merged)
Avatar
CARADIODOC
  • CERTIFIED EXPERT
  • 34,306 POSTS
The fan runs when you unplug the coolant temperature sensor. The system is working. The fan ran, so there is no point in testing the fan motor, the relay, the wiring, etc. They all have to be working for the engine computer to turn on the fan relay when you unplug the sensor.

Radiators today are very efficient, and it is not uncommon for them to keep an engine sufficiently cool without the fan, even when standing still and idling for a while. If you think there is an overheating problem, use a scanner to view live data and see the exact temperature the engine computer is seeing. You can also view the "Inputs and Outputs" to see if the computer is commanding the fan on. If it is, but the fan is not running, that is the time to do testing related to that circuit.

For a long time, Chrysler turned their fans on at 210 degrees, and off at 198 degrees. That may have changed in recent years. GM typically does not turn their fans on until well over 220 degrees.
Dec 21, 2020 at 9:48 AM (Merged)
Avatar
ALLEN WOOD
  • MEMBER
  • 6 POSTS
Thank you. I believe it is time to check the circuit. The fans not turning on causes the compressor to struggle. The vehicle has gotten boiling hot without the fans turning on. Time to take it somewhere with some technology I do not possess.
Dec 21, 2020 at 9:48 AM (Merged)
Avatar
CARADIODOC
  • CERTIFIED EXPERT
  • 34,306 POSTS
Unplugging the coolant temperature sensor, like you did, is the way we test the circuitry. Turning the radiator fan on is the default for safety. With a break in the circuit, there is no way for the engine computer to know coolant temperature, so the fan is turned on in case the engine is overheating.

What I am questioning is why the fan does not run when the AC compressor cycles on. I would be looking at whether there are two fans or just one. There will be two when the AC condenser is beside the radiator, and not in front of it. In that case there will be two relay circuits to look at.
Dec 21, 2020 at 9:48 AM (Merged)
Avatar
JOSE RIVERA ACEVEDO
  • MEMBER
  • 3 POSTS
I have the same problem unplug the temperature sensor both fan turn on and I do not what to do now.

Dec 21, 2020 at 9:48 AM (Merged)
Avatar
CARADIODOC
  • CERTIFIED EXPERT
  • 34,306 POSTS
Nothing. The circuit is working if the fan turns on when you unplug the coolant temperature sensor. The previous person never replied back to say if they had two cooling fans or one. Reread the entire conversation to get some ideas of what to look for. Specifically, the fan that cools the AC condenser should run when "AC" or "defrost" is selected.
Dec 21, 2020 at 9:48 AM (Merged)
Avatar
ALLEN WOOD
  • MEMBER
  • 6 POSTS
I have two fans. I had to replace the fan on the passenger side. For some reason it was not kicking on when it was supposed to.
Dec 21, 2020 at 9:48 AM (Merged)
Avatar
JOSE RIVERA ACEVEDO
  • MEMBER
  • 3 POSTS
That help with your problem?
Dec 21, 2020 at 9:48 AM (Merged)
Avatar
ALLEN WOOD
  • MEMBER
  • 6 POSTS
Yes it did. It has been running ever since.
Dec 21, 2020 at 9:48 AM (Merged)
Avatar
CARADIODOC
  • CERTIFIED EXPERT
  • 34,306 POSTS
Do you mean working as it is supposed to, or it runs any time the ignition switch is on? If it runs all the time, there is likely an electronic relay that is shorted. I would have to do some quick research on that.
Dec 21, 2020 at 9:48 AM (Merged)
Avatar
ALLEN WOOD
  • MEMBER
  • 6 POSTS
My apologies. It has been in normal running order since the fan replacement.
Dec 21, 2020 at 9:48 AM (Merged)
Avatar
CARADIODOC
  • CERTIFIED EXPERT
  • 34,306 POSTS
Dandy. Carry on.
Dec 21, 2020 at 9:48 AM (Merged)