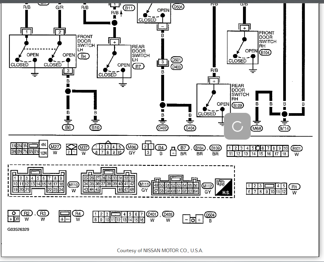
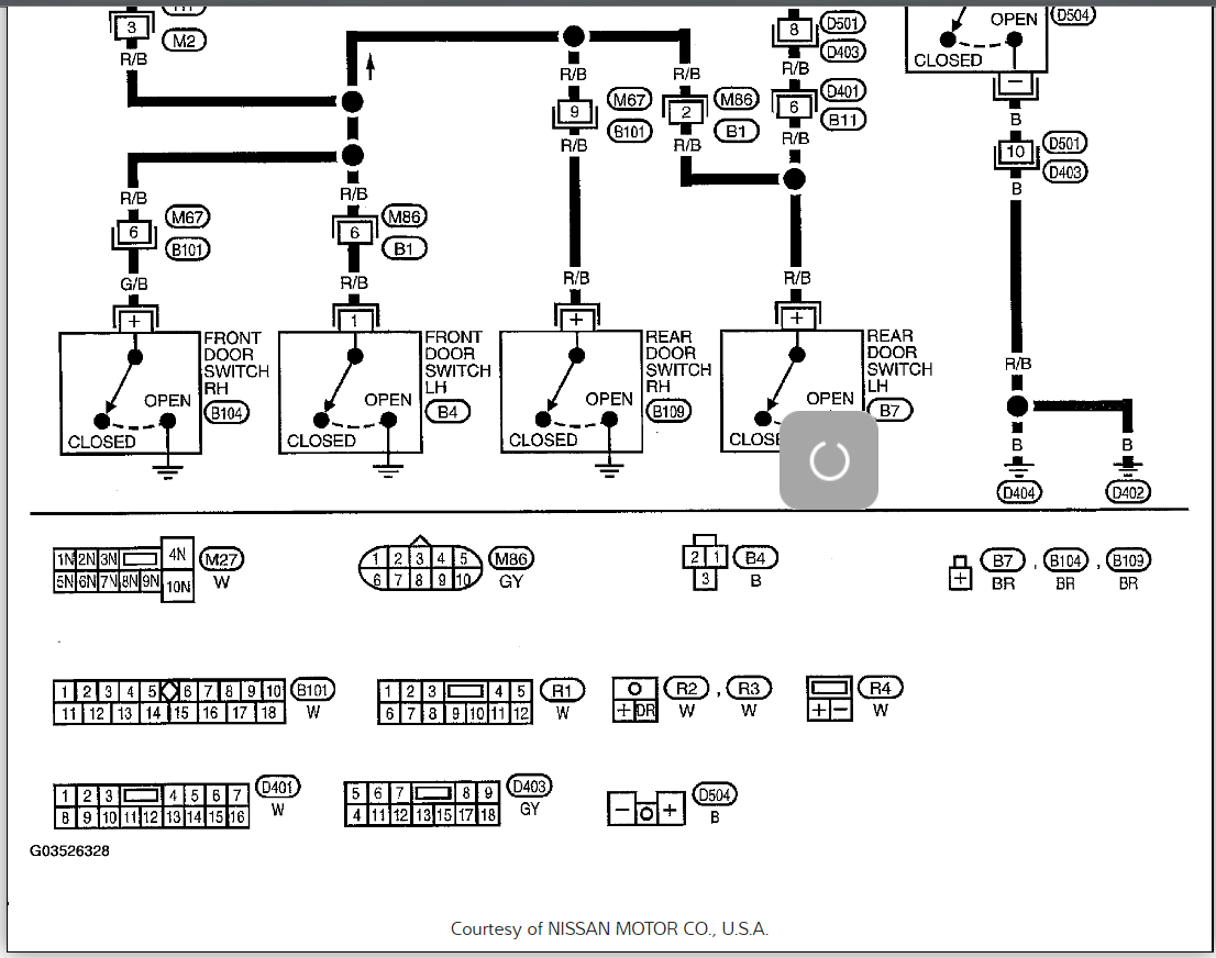
Okay, so I was giving this vehicle for some work I did. It was stolen from previous owner. Well when they got it back the ignition housing to key cylinder was bent to heck. Also the radio was stolen. I do not have original keys or fob. I've replaced from harness clip to the key. I have also replaced starter, and battery. I've replaced all fuses as well. I still can't get power to my interior lights at all done dash nothing. How can I get power to my dash? And is there a way to reset security system with it factory keys, fob, or radio?
Mar 21, 2019 at 5:25 AM




























