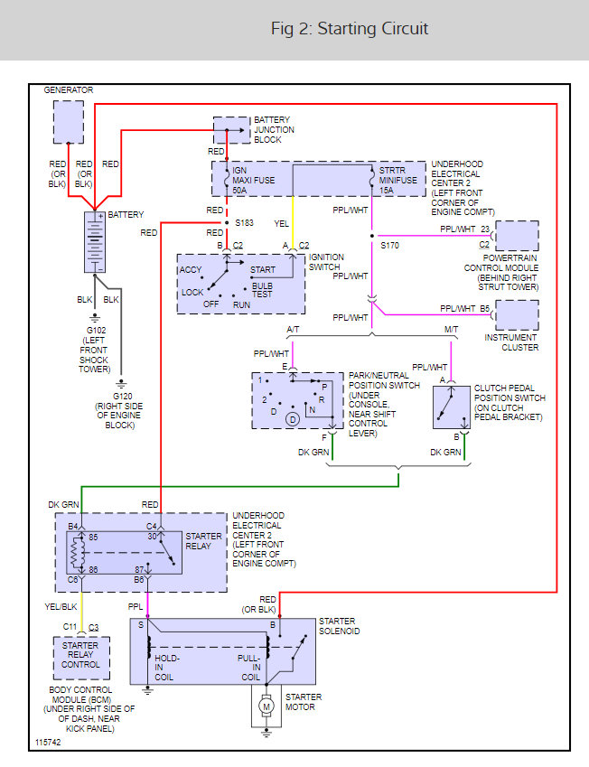
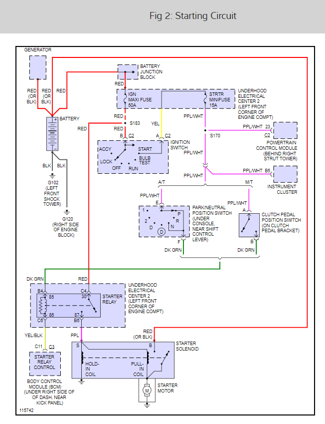
My car was just working fine. Went in the house for about an hour, went back out to the car to leave and it would not start. I have turned the key but the lights and everything came on. So I have changed the battery and starter and the car still will not start. It is making a clicking noise.
Apr 8, 2018 at 3:11 PM





