Where is the height control compressor located?

2013 MERCEDES BENZ GL450
154,000 MILES • V8 • TURBO • 4WD • AUTOMATIC
Avatar
DIVIDES
  • MEMBER
  • 903 POSTS
Where is the compressor on this car and if there is a relay.
Nov 22, 2021 at 2:49 PM
Advertisement
Avatar
JACOBANDNICKOLAS
  • CERTIFIED EXPERT
  • 110,175 POSTS
Hi,

The compressor for the air ride suspension is located behind the front bumper on the right side of the vehicle (passenger side). See pic 1.

To access it, you will need to remove the plastic splash shields under the front of the vehicle. I believe they are held in with 8mm bolts. There is also a couple of plastic retaining clips.

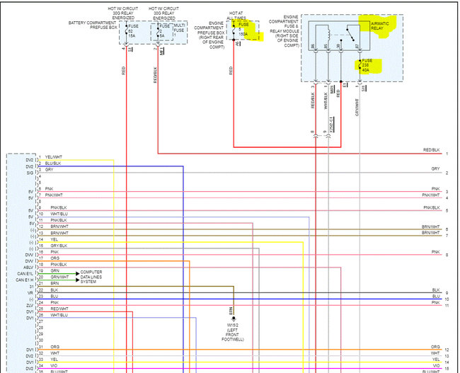
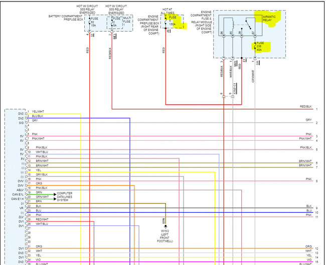
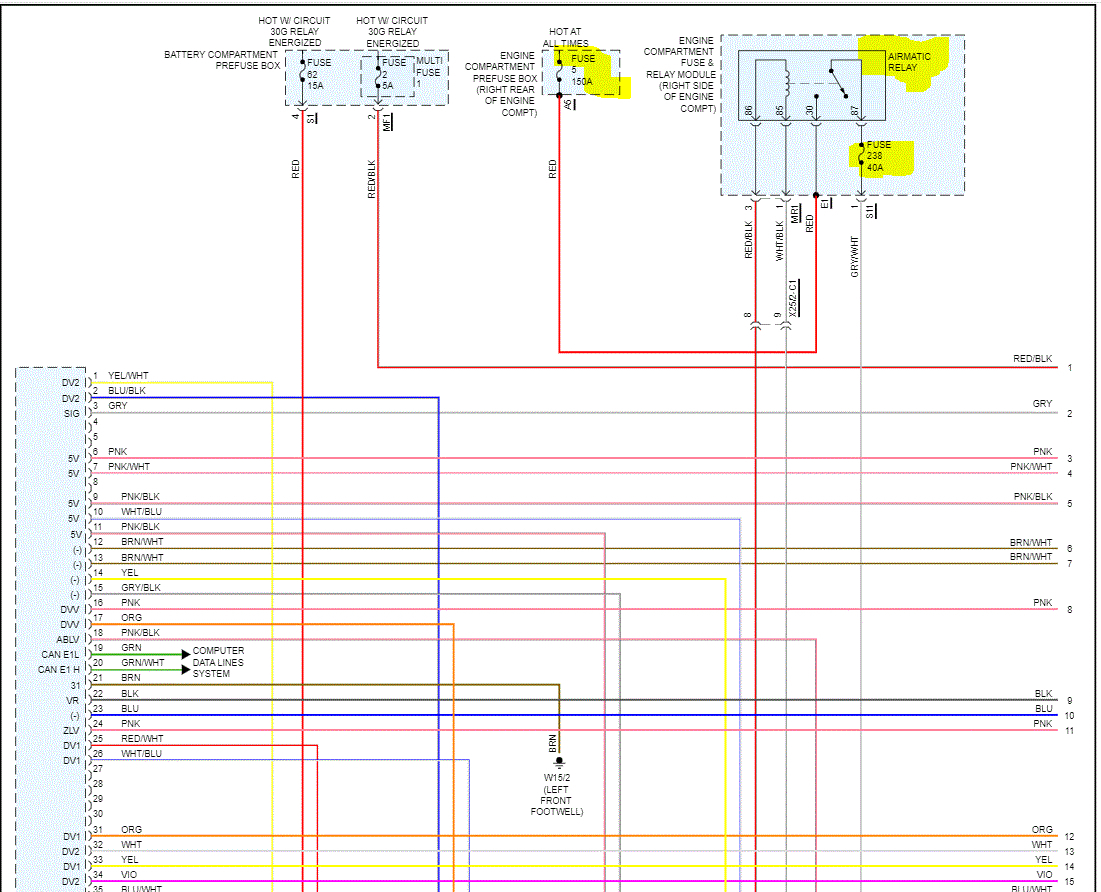
Pics 2-5 show the wiring schematic for the circuit. I highlighted a couple of fuses to check and the compressor relay. These are located under the hood in the pre-fuse box in the right rear of the engine compartment and the fuse/relay box right side of the engine compartment.

The remaining pics are directions for the replacement of the compressor.

I'm not sure exactly what you are experiencing, so I thought I would add as much as I could. Let me know if there is anything I can do to help.

Also, here is a link that explains how to test wiring:

https://www.2carpros.com/articles/how-to-check-wiring

Take care,

Joe

See pics below.
Nov 23, 2021 at 7:33 PM