locate the blend door actuator?

2003 GMC SAVANA
156,000 MILES • 5.3L • V8 • 2WD • AUTOMATIC
Avatar
LEMPHUNTER56
  • MEMBER
  • 3 POSTS
In my van listed above 1500, regardless what I dial in temperature control it blows only cold air. My A/C works just fine. My engine temperature gauge is reading normal and the blower motor is blowing just fine and operates at the various speeds that it's set to. I have no leaks in the coolant system.


I cannot locate the blend door actuator for temperature control and the heater control valve for the van.

Could you please illustrate and explain with pictures how to replace the blend door actuator and heater control valve for this particular van?

I'm sure both of these parts are going to require that I'm some sort of contortionist to replace....


Thank you!
Nov 13, 2020 at 5:38 AM
Advertisement
Avatar
ASEMASTER6371
  • CERTIFIED EXPERT
  • 52,796 POSTS
Good morning,

I attached the location and procedure for the blend door actuator. It is not difficult at all.

https://www.2carpros.com/articles/replace-blend-door-motor

I also attached the control valve. I would feel the hoses at the valve and see if one of them is colder than the others indicating the valve is not working.

I also attached the wiring diagram of the blend door actuator for you as well. I would verify voltage to the motor.

https://www.2carpros.com/articles/how-to-check-wiring

Roy

AIR TEMPERATURE ACTUATOR REPLACEMENT

REMOVAL PROCEDURE
1. Remove the passenger side knee bolster.
2. Disconnect the air temperature actuator electrical connector.


imageOpen In New TabZoom/Print

3. Remove the air temperature actuator retaining screws.
4. Remove the air temperature actuator (1) from the heater assembly (2).

INSTALLATION PROCEDURE


imageOpen In New TabZoom/Print

1. Install the air temperature actuator (1) to the heater assembly (2).
2. Install the air temperature actuator retaining screws.

NOTE: Refer to Fastener Notice in Service Precautions.

Tighten
Tighten the screws to 1.9 N.m (17 lb in).

3. Connect the air temperature actuator electrical connector.
4. Install the passenger side knee bolster.

Heater control valve

COOLANT BYPASS VALVE REPLACEMENT

TOOLS REQUIRED
J 38185 Hose Clamp Pliers

REMOVAL PROCEDURE
1. Remove the air cleaner.
2. Remove the upper fan shroud.


imageOpen In New TabZoom/Print

3. Drain the engine coolant.
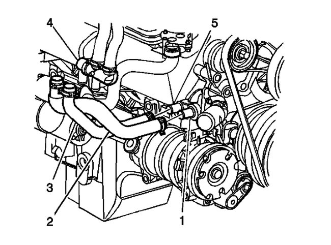
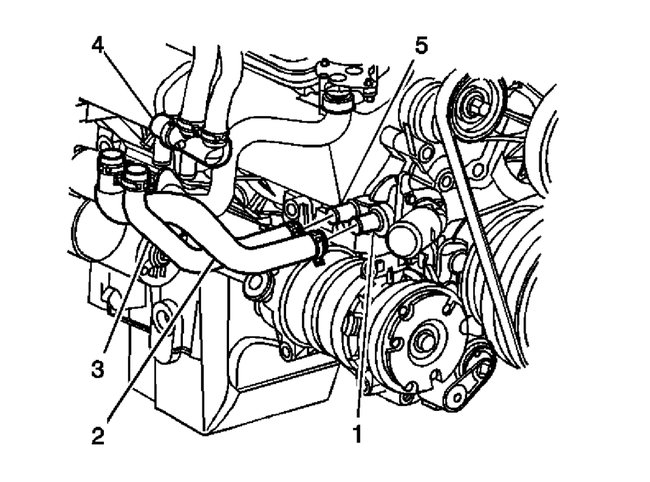
4. Remove the upper heater inlet hose clamp and the upper heater outlet hose clamp from the inlet of the coolant bypass valve (4) using the J 38185.
5. Remove the upper heater inlet hose and the upper heater outlet hose from the outlet of the coolant bypass valve.
6. Remove the lower heater inlet hose clamp and the lower heater outlet hose clamp from the outlet of the coolant bypass valve (4) using the J 38185.
7. Remove the lower heater inlet hose and the lower heater inlet hose from the inlet of the coolant bypass valve.
8. Remove the vacuum hose from the coolant bypass valve.

INSTALLATION PROCEDURE


imageOpen In New TabZoom/Print

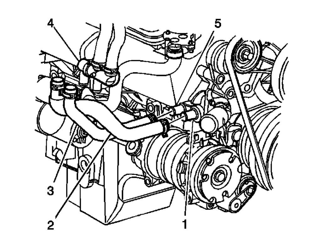
1. Install the coolant bypass valve (4).
2. Install the vacuum hose to the coolant bypass valve.
3. Install the lower heater inlet hose (5) and the lower heater outlet hose (6) to the inlet of the coolant bypass valve (4).
4. Install the lower heater inlet hose clamp and the lower heater outlet hose clamp to the inlet of the coolant bypass valve using the J 38185.
5. Install the upper heater inlet hose and the upper heater outlet hose to the outlet of the coolant bypass valve.
6. Install the upper heater inlet hose clamp and the upper heater outlet hose clamp to the inlet of the coolant bypass valve using the J 38185.
7. Fill the cooling system.
8. Install the upper fan shroud.
9. Install the air cleaner.
Nov 13, 2020 at 6:38 AM
Avatar
KAREN FORAKER GARYANTES
  • MEMBER
  • 1 POST
I need to know where it is located so I can replace.
Dec 15, 2020 at 7:10 PM (Merged)
Advertisement
Avatar
ASEMASTER6371
  • CERTIFIED EXPERT
  • 52,796 POSTS
Good afternoon.

Is it for the blend door, or cold to hot or is it the mode door for floor, defrost and vents? Check out the diagrams (Below). Please let us know if you need anything else to get the problem fixed.

Roy
Dec 15, 2020 at 7:10 PM (Merged)
Avatar
SHINIESTAR
  • MEMBER
  • 8 POSTS
What do i have to take out to get to the air door actuator? And its exact location would be from going under dash from the inside of van right?
Dec 15, 2020 at 7:10 PM (Merged)
Avatar
ASEMASTER6371
  • CERTIFIED EXPERT
  • 52,796 POSTS
Remove the engine cover.
Remove the center floor air outlet.
Disconnect the vacuum connector.
Remove the valve, inner mode door (1), outside air recirculation door (3), outer mode door (4), by unsnapping the valve from the heater case.
Disconnect the linkage from the valve.
INSTALLATION PROCEDURE





Connect the linkage to the valve, inner mode door (1), outside air recirculation door (3) and outer mode door (4).
Install the valve by snapping the valve to the heater case.
Connect the vacuum connector.
Install the center floor air outlet.
Install the engine cover.
Dec 15, 2020 at 7:10 PM (Merged)