There is no calibration on this door but there is an adjustment process.
I am attaching the process below.
Also, here is a guide that will help with replacement, but I don't think that is your issue, but it is still good info:
https://www.2carpros.com/articles/replace-blend-door-motor
What I would suggest is remove the actuator and turn the ignition on. Then move the temperature to full hot or full cold.
Then manually move the door with your finger to this position and install the actuator. This way you know for sure that it is set to full hot or cold.
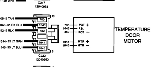
Then adjust the temperature and if it does the same thing then we need to run through the testing on the last attachment below.
Basically, this is going to tell us if we have a controller issue or a possible wiring issue.
Let me know what questions you have.
Thanks
Images (Click to enlarge)
Feb 10, 2022 at 4:29 PM