Heater stopped working

1994 CHEVROLET SUBURBAN
189,000 MILES • 7.4L • V8 • 4WD • AUTOMATIC
Avatar
CTP7138
  • MEMBER
  • 7 POSTS
Air goes to the rear but not the front. Coolant is full and not leaking, some condensation (h20) around blower motor. could it be actuator, blower motor or heater core, thermostat? It almost seems as if I hear the actuator opening the front vent but no air whatsoever. Thank you! Any help is surely appreciated!
Nov 22, 2017 at 5:10 PM
Advertisement
Avatar
BILLYMAC
  • CERTIFIED EXPERT
  • 2,204 POSTS
Hi, i believe you have front and rear heating/AC units the rear has its own blower motor and so does the front. If i am understanding your question you have no air or blower noise in the front. if this is right then very possibly a defected blower motor or possibly a bad circuit breaker, even possibly a bad blower motor resister.

If you test the resistor (located next to blower motor) if you have power there when heater is on.Then go to orange wire on the blower motor check for twelve volts also check the ground at the motor.If you have twelve volts in those places then switch resistor relays and breaker are all fine so motor is bad.

I hope this helps. feel free to ask if you have more questions. Thanks, BM
Nov 23, 2017 at 6:14 PM
Avatar
CTP7138
  • MEMBER
  • 7 POSTS
Are you talking the relay fuse?
Nov 24, 2017 at 7:11 PM
Advertisement
Avatar
STRAILER
  • CERTIFIED EXPERT
  • 53,854 POSTS
Hello,

When the heater is turned on with the fan speed on high can you hear the front blower motor working? I can send you any information you need such as wiring diagrams and such but I need to know if you can hear the blower motor working.

Here is a guide that can help:

https://www.2carpros.com/articles/car-heater-not-working

For the 4WD problem please start a new question.

https://www.2carpros.com/questions/new

Please let us know what happens.

Cheers, Ken

Nov 26, 2017 at 2:09 PM
Avatar
CTP7138
  • MEMBER
  • 7 POSTS
No. No front blower motor noise.
Nov 26, 2017 at 2:19 PM
Avatar
STRAILER
  • CERTIFIED EXPERT
  • 53,854 POSTS
Perfect. It could be the blower motor or the power supply has had a problem. Here is a guide to test the blower motor and wiring which will give you an idea of what to do when changing the blower motor as well.

https://www.2carpros.com/articles/blower-fan-motor-works-on-high-speed-only

and

https://www.2carpros.com/articles/how-to-use-a-test-light-circuit-tester

Here are the blower motor wiring diagrams to help trace the power source there is a control relay that can be bad as well

https://www.2carpros.com/articles/how-to-check-an-electrical-relay-and-wiring-control-circuit

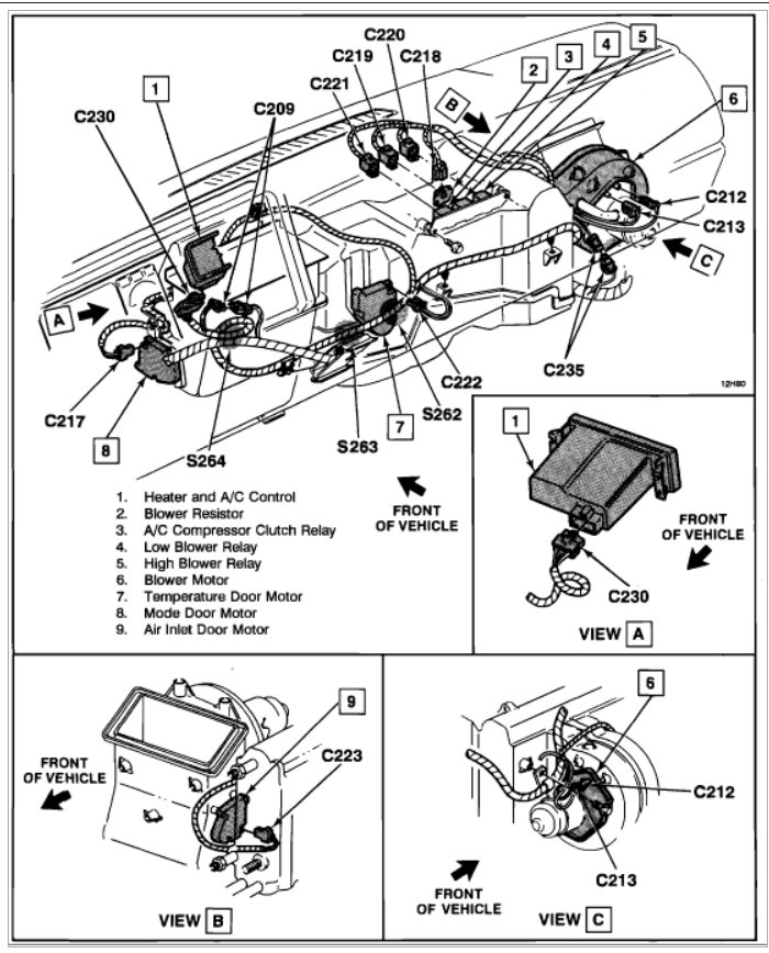
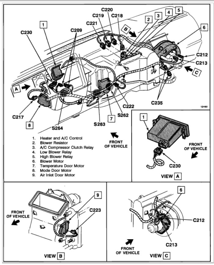
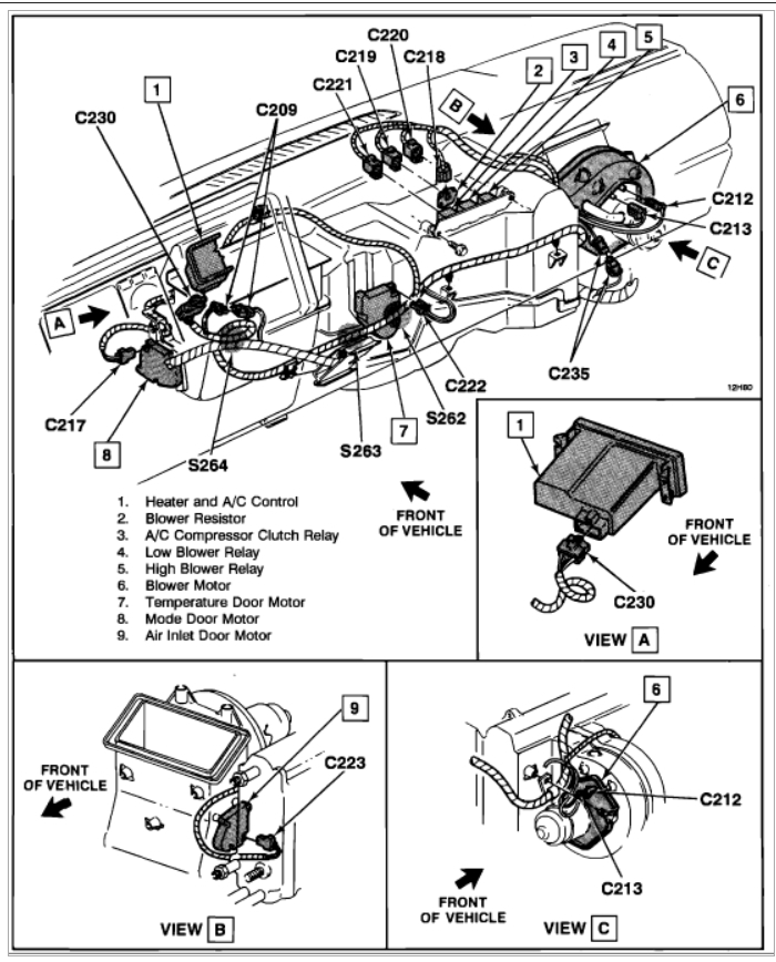
Check out the diagram (Below)

Please let us know what you find. We are interested to see what it is.

Cheers, Ken
Nov 26, 2017 at 2:47 PM