Heater problems

2002 OLDSMOBILE BRAVADA
142,459 MILES • 6 CYL • 4WD • AUTOMATIC
Avatar
YKUCERA
  • MEMBER
  • 1 POST
My heater is hmm. I can have the heater on 90 degrees and if too hot, I turn it down. It blows cooler, takes about 15 minutes before temperature warms up.
Then yesterday, I had my heat on, got too warm in car so turned it down. Went to turn it back up, but blew cold air. Rear heater was still blowing warm air. Turned it on this morning, and worked just fine. What's going on?
Oct 28, 2019 at 4:21 PM
Advertisement
Avatar
ASEMASTER6371
  • CERTIFIED EXPERT
  • 52,796 POSTS
Good evening,

Did you verify the coolant level?

https://www.2carpros.com/articles/car-heater-not-working

It could be the blend door not working. I attached the procedure and some pictures for you.

https://www.2carpros.com/articles/replace-blend-door-motor

There are 2 actuators. I doubt they are both bad. Before you remove the dash to replace them, I would remove the hoses on the heater core outside under the hood. Then use a garden hose and run water through the core. Run it back and forth until all dirt and debris are gone and you have a good flow.

Roy

1. Remove the IP carrier.See: Instrument Panel, Gauges and Warning Indicators > Testing and Inspection
2. Remove the air temperature actuator-right retaining screws.
3. Disconnect the air temperature actuator-right electrical connector.
4. Remove the air temperature actuator-right.

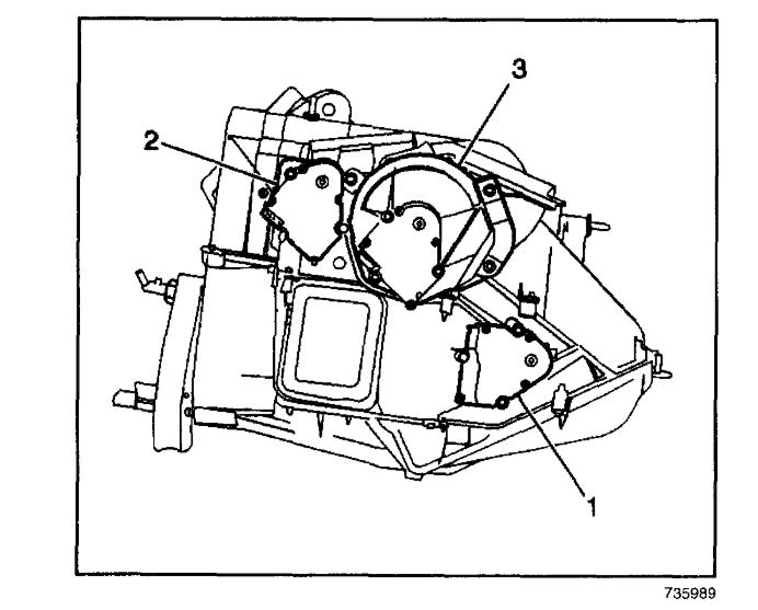
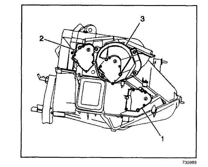
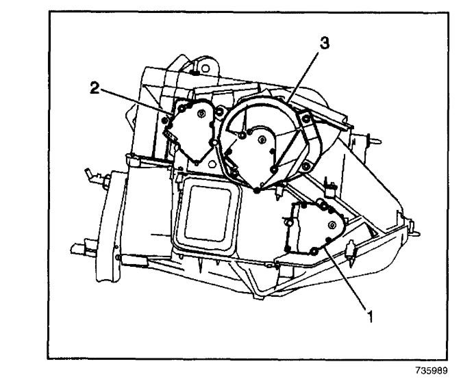
1. Remove the I/P carrier.See: Instrument Panel, Gauges and Warning Indicators > Testing and Inspection
2. Remove the air temperature actuator-left (1) retaining screws.
3. Disconnect the air temperature actuator-left electrical connector.
4. Remove the air temperature actuator-left.
Oct 28, 2019 at 4:44 PM