The heater only blows cold air?

2015 CHEVROLET CAPTIVA
150,000 MILES • 4 CYL • 2WD • AUTOMATIC
Avatar
CRIS87
  • MEMBER
  • 1 POST
The car listed above is a Sport model. When I turn on heater it only blows out cold air. The speed of the air is fine. When it comes to changing which vent, I want the air to blow out of it does not change. I cannot get heat to come out nor change where it blows out like defrost, feet, face etc. I changed thermostat and flushed. I changed the heat air door actuator and replaced it on the driver's side and it still does not change. Do I have to replace the passenger side also? I do not know what else to do and it’s getting to be wintertime here. A little bit of a cold ride. Please any advice.
Oct 10, 2022 at 4:31 PM
Advertisement
Avatar
BORIS K
  • CERTIFIED EXPERT
  • 836 POSTS
Hello,

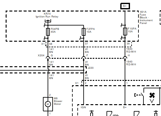
It sounds like a possible control module issue. see wiring diagram 1 below.
Both temperature and mode actuators are controlled by the control module.
Please first check that both fuses are intact.
On instrument panel fuse block check fuse F27, 10A, and fuse F15, 15A.
See image 3.

https://www.2carpros.com/articles/how-to-check-a-car-fuse

The fuse block is located on the passenger of the center console. See image 2.

Cheers, Boris
Oct 11, 2022 at 3:01 AM