Heater not blowing

2006 CHEVROLET IMPALA
160,000 MILES • 3.5L • 6 CYL • 2WD • AUTOMATIC
Avatar
SCOTTAKV
  • MEMBER
  • 2 POSTS
Heater is not producing heat at all. No power is getting to the blower motor.
Nov 10, 2019 at 1:40 PM
Advertisement
Avatar
ASEMASTER6371
  • CERTIFIED EXPERT
  • 52,796 POSTS
Good afternoon,

I attached a wiring diagram for you to view. I highlighted the wire that is power to the blower resistor that feeds the blower motor. Verify power on both sides of the fuse with a test light or voltmeter. This is not a visual test, it is a voltage test.

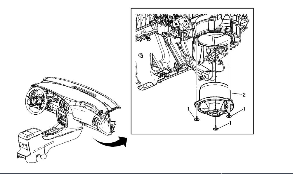
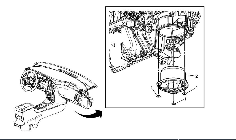
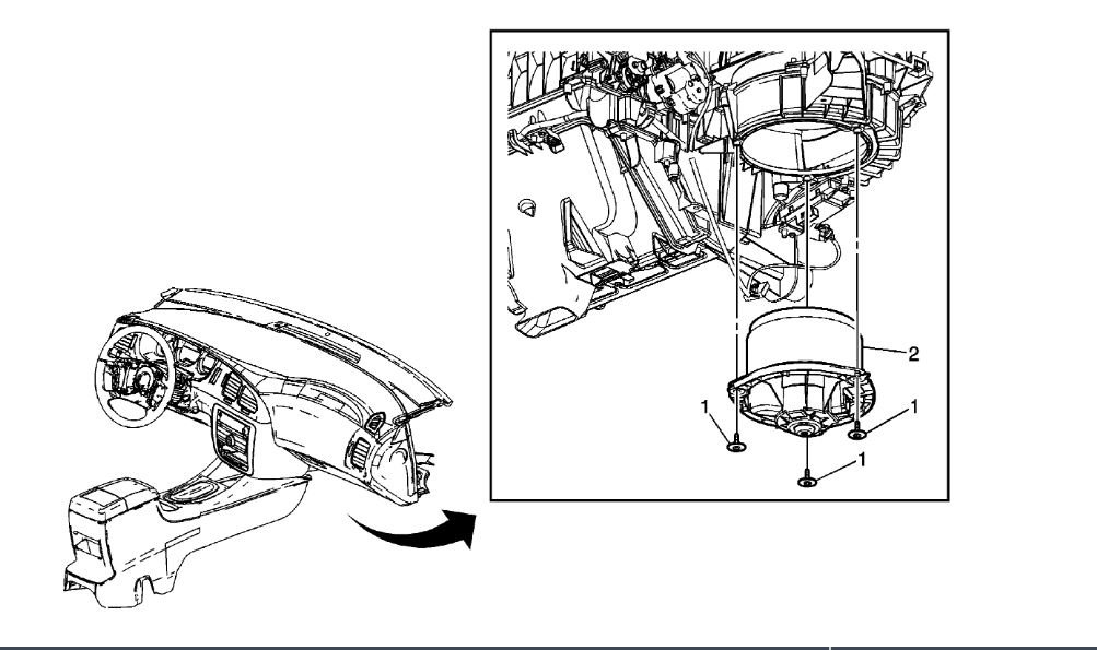
The blower motor location is attached and the resistor is right next to the motor.

Roy
Nov 10, 2019 at 2:58 PM
Avatar
SCOTTAKV
  • MEMBER
  • 2 POSTS
Have tried this and there is not any power coming in to the blower motor through the wiring.
Nov 11, 2019 at 7:53 AM
Advertisement
Avatar
ASEMASTER6371
  • CERTIFIED EXPERT
  • 52,796 POSTS
Did you check the red wire at the blower resistor? That is where the power starts and goes to the blower motor.

Roy
Nov 11, 2019 at 7:58 AM