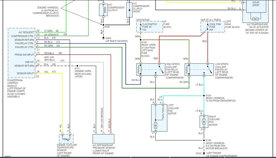
They both were working great, then it started shutting off and on when the knob is turned on. Now both want come on at all. When turn on it doesn't blow and nothing is coming out the vents.
Oct 19, 2020 at 6:06 AM



