Heater core replacement instructions needed

2004 HONDA CRV
100,000 MILES • 1.7L • 4 CYL • 2WD • AUTOMATIC
Avatar
AUTOCESAR
  • MEMBER
  • 1 POST
I’m not getting any heat in my car and I feel I need to replace my heater core. I’ve done other procedures but still not getting any heat. Is there a guide for the replacement of it? Thanks
Sep 28, 2020 at 10:09 PM
Advertisement
Avatar
DANNY L
  • CERTIFIED EXPERT
  • 5,648 POSTS
Hello, I'm Danny.

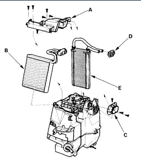
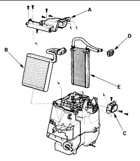
Here is the information you requested. Here also is a tutorial for heater core replacement to get you started:

https://www.2carpros.com/articles/replace-heater-core

I've attached picture steps below for your vehicle. Hope the helps and let us know if you have any further questions on this issue. Thanks for using 2CarPros.
Sep 28, 2020 at 10:36 PM
Avatar
HERBTHAT
  • MEMBER
  • 1 POST
Where can I find step by step removal of heater core in my car?
Nov 7, 2023 at 10:45 AM (Merged)
Advertisement
Avatar
STEVE W.
  • CERTIFIED EXPERT
  • 15,113 POSTS
Not a fun job. The basics are that you have to recover the AC charge if it has AC, drain the coolant, then remove the instrument panel and the heater unit. Take the heater apart and change the core and reverse the process. Book time in a fully equipped shop with experience in them is eight hours.

There are a few places that have the factory instructions Mitchell, Alldata and there are even full copies of the factory manuals online from back when Honda had them for free. Honda hookup is one such place, in their downloads area.
Nov 7, 2023 at 10:45 AM (Merged)