Sure here you go, I would disconnect the battery and drain the cooling system before you begin. Also, the AC with need to be vacuumed down and recharges, this video can help:
https://www.youtube.com/watch?v=4EqdrBVb0sY&t
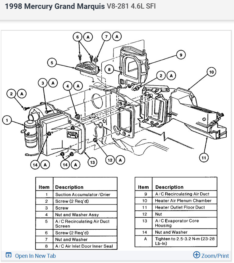
REMOVAL
1. Remove heater outlet floor duct.
2. Remove instrument panel.
3. Disconnect the heater water hoses from the heater core tubes. Plug the ends of the heater water hoses to prevent coolant loss.
4. Plug heater core tubes securely to prevent coolant leakage from heater core.
5. Remove one nut retaining the upper LH corner of the A/C evaporator core housing to the dash panel.
6. Disconnect two vacuum supply hoses from vacuum source. Push grommet and vacuum supply hose into passenger compartment.
7. Disconnect wiring harness from A/C electronic blend door actuator.
8. Disconnect the white vacuum hose from the heater and A/C air inlet duct door vacuum control motor.
9. Remove nuts from the studs along the lower flange of the heater air plenum chamber.
10. Disconnect connectors to A/C electronic blend door actuator and electronic module on side of heater air plenum chamber.
11. Remove heater air plenum chamber by pulling rearward.
INSTALLATION
1. Route the vacuum supply hose through the dash panel and seat the grommet in the opening.
2. Position the heater air plenum chamber under the instrument panel with the A/C register duct opening up and the heater core tubes down. Connect wire harness connector to A/C electronic blend door actuator and electronic module on side of heater air plenum chamber.
3. Rotate the heater air plenum chamber up behind the instrument panel and position the heater air plenum chamber to the dash panel. Insert the heater core tubes and mounting studs through their respective holes in the dash panel and the A/C evaporator core housing.
4. Install three nuts on the studs along the lower flange and one on the upper flange of the heater air plenum chamber.
5. Install three nuts below the windshield wiper motor to retain the LH end of the heater air plenum chamber to the dash panel.
6. Install one nut to retain the upper LH corner of the A/C evaporator core housing to the dash panel.
7. Connect the white vacuum hose to the heater and A/C air inlet duct door vacuum control motor.
8. Connect the vacuum jumper harness to the plenum harness at the multiple vacuum connector near the heater outlet floor duct. Install heater outlet floor duct.
9. Connect the sensor tube to the evaporator case connector on EATC-equipped vehicles.
10. Connect vacuum supply hose to vacuum supply.
11. Unplug the heater core tubes arid connect the heater water hoses to the heater core tubes.
12. Fill the cooling system with coolant to replace coolant lost during removal of the heater air plenum chamber.
13. Install heater outlet floor duct.
14. Install instrument panel.
Check out the images (below). Let us know if you need anything else.
Dec 6, 2024 at 10:51 AM