Welcome back:
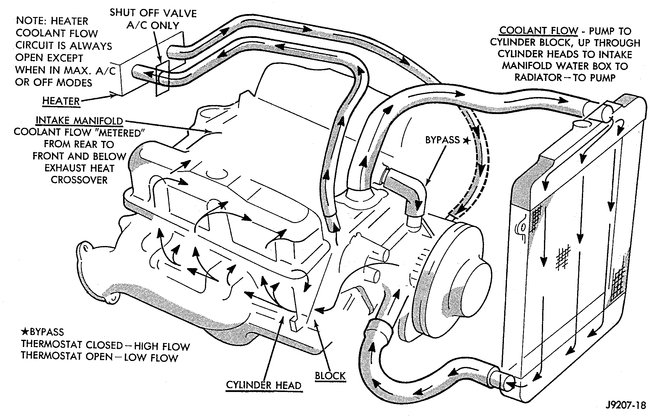
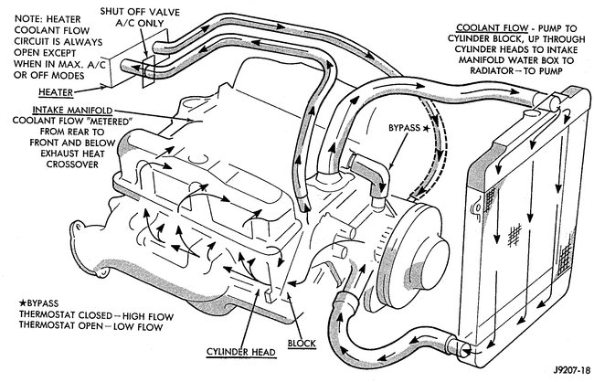
Since you replaced all of that, I have to ask if you flushed the cooling system, both the radiator and engine block? Is the belt turning the water pump tights? How hot does it get when driving in town or stop and go traffic? Also, check to make sure there is nothing preventing full air flow through the radiator such as dirt. If the cooling fins on the radiator seem plugged, spray them clean with water.
If you haven't flushed the cooling system, there could be a partial blockage in the radiator or block. I would suggest doing it. Here is a link that shows how it is done.
https://www.2carpros.com/articles/coolant-flush-and-refill-all-cars
Let me know.
Joe
Apr 30, 2019 at 7:23 PM