Hello, I'm Danny.
You will first need to remove coolant from the system before removal of the heater core. Here is a tutorial showing how to drain, flush, and refill the engines coolant:
https://www.2carpros.com/articles/coolant-flush-and-refill-all-cars
Here is a tutorial showing how to remove and replace a heater core:
https://www.2carpros.com/articles/replace-heater-core
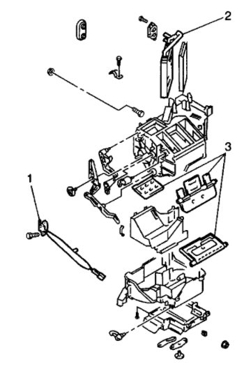
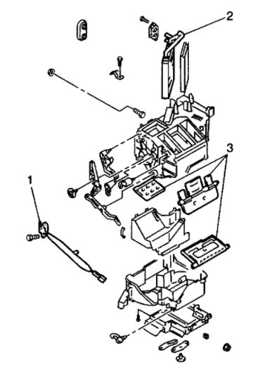
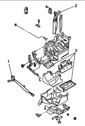
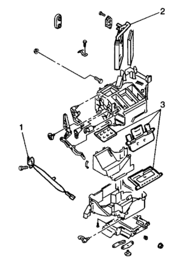
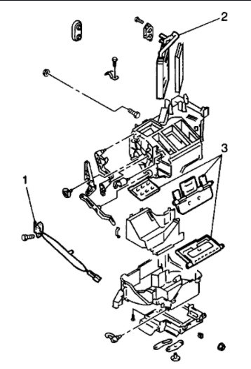
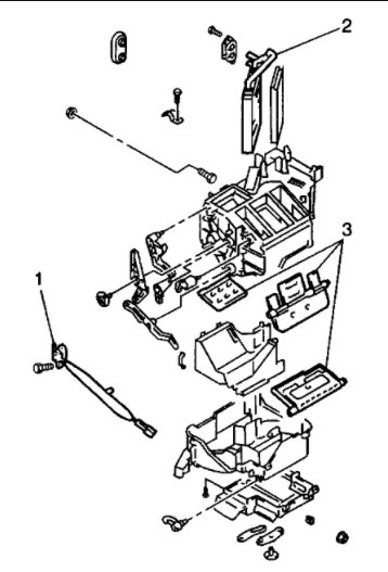
I've attached picture steps below on how to replace the heater core on your Tracker. Hope this helps and thanks for using 2CarPros.
Images (Click to enlarge)
Aug 22, 2021 at 6:41 AM