Heater controls will not switch off of vents to anything else and blows only cold air

1994 CHRYSLER CONCORDE
200,000 MILES • 3.3L • V6 • 2WD • AUTOMATIC
Avatar
KYLE DEAN
  • MEMBER
  • 1 POST
i don't have overheating problem and don't hear clicking from actuator. what is causing this?
Dec 31, 2020 at 10:44 AM
Advertisement
Avatar
ASEMASTER6371
  • CERTIFIED EXPERT
  • 52,796 POSTS
Good afternoon,

It does sound like the control head is the issue.

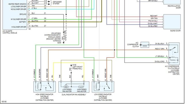
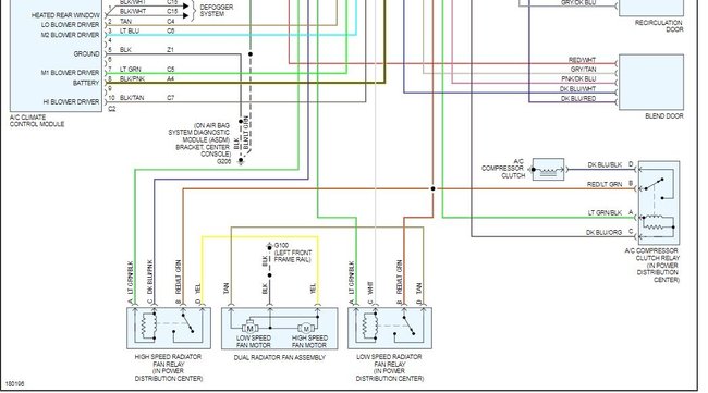
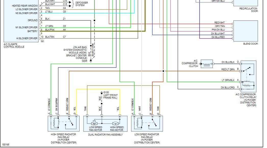
I attached a wiring diagram for you. Check the fuses and make sure they have power.

https://www.2carpros.com/articles/how-to-check-wiring

https://www.2carpros.com/articles/how-to-check-a-car-fuse

Roy

REMOVAL
1. Remove the ash receiver assembly, if necessary.

Lower Center Bezel
imageOpen In New TabZoom/Print

2. Remove the lower center bezel and remove the mounting screws from sides of control.
3. Remove the control and disconnect the two electrical connectors.

INSTALLATION
For installation, reverse the above procedures.
Dec 31, 2020 at 2:08 PM