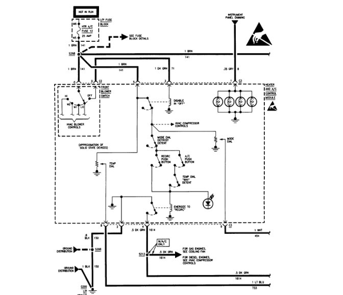
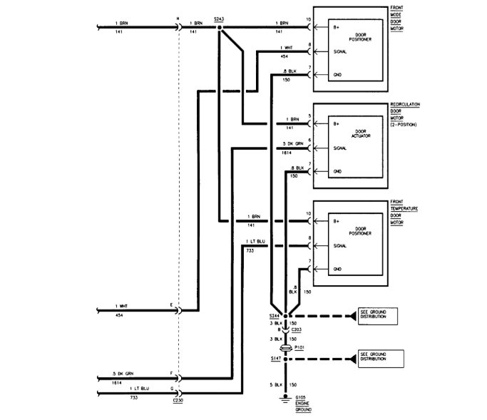
Heater control switch

1997 CHEVROLET TAHOE
255,000 MILES • 5.7L • V8 • 4WD
Avatar
PETER JOHN VOLNEK
  • MEMBER
  • 1 POST
I was wondering if it is possible to repair a faulty heater control switch, rather than replacing it? Sometimes the heater won't turn on and I have to crank it all the way up and down rapidly a few times to get it to blow. It usually will turn on, but it quit totally on me yesterday and a new one is pretty speedy. Junkyards have been picked over already, so that isn't really an option. Any help would be greatly appreciated.
Jan 12, 2019 at 5:57 AM
Advertisement
Avatar
ASEMASTER6371
  • CERTIFIED EXPERT
  • 52,796 POSTS
Good morning,

Are you sure it is not the actuator motor that the controls are sending the signal?

https://www.2carpros.com/articles/replace-blend-door-motor

Do you mean the blower motor or the heater actuator for heat?

https://www.2carpros.com/articles/blower-fan-motor-works-on-high-speed-only

Not clear on your exact issue.

As far as the control, it all depends on what is wrong. In most cases, no, it cannot be fixed. It would need to be replaced if in fact, that is the issue.

Roy
Jan 12, 2019 at 6:12 AM