Heater control output

1990 TOYOTA PICKUP
311,072 MILES • 2.4L • 4 CYL • 2WD • MANUAL
Avatar
KEITH DONALD
  • MEMBER
  • 1 POST
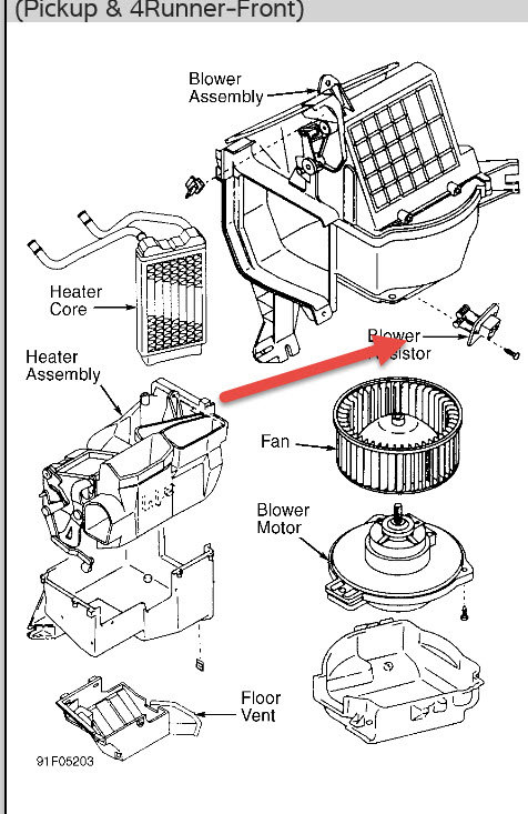
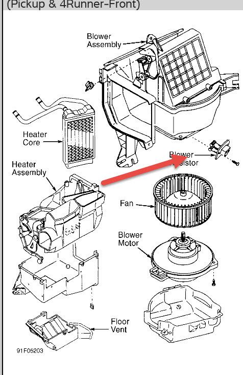
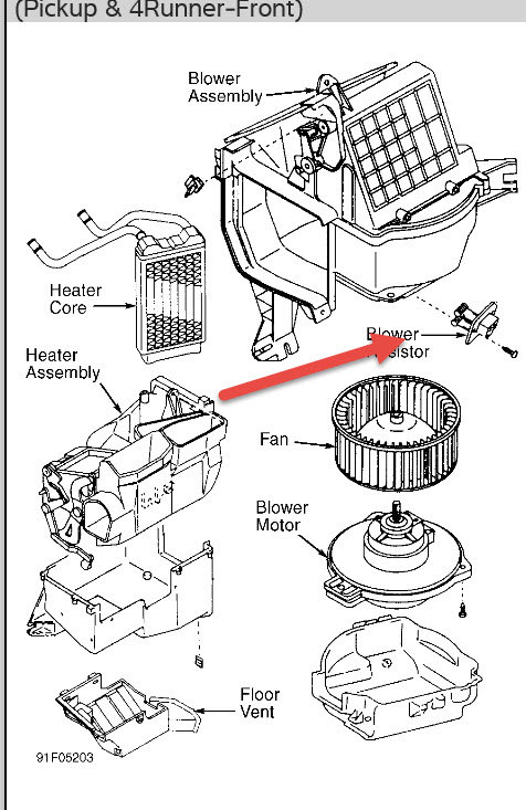
When I move control lever for low, medium, high air flow the high air flow is the only one that works, I have changed the blower control unit and air control switch but the low and medium control does not work.
Aug 20, 2016 at 6:15 AM
Advertisement
Avatar
HMAC300
  • CERTIFIED EXPERT
  • 48,601 POSTS
check to see if blower resistor is getting and sending power the resistor may be bad.
Aug 20, 2016 at 8:10 AM