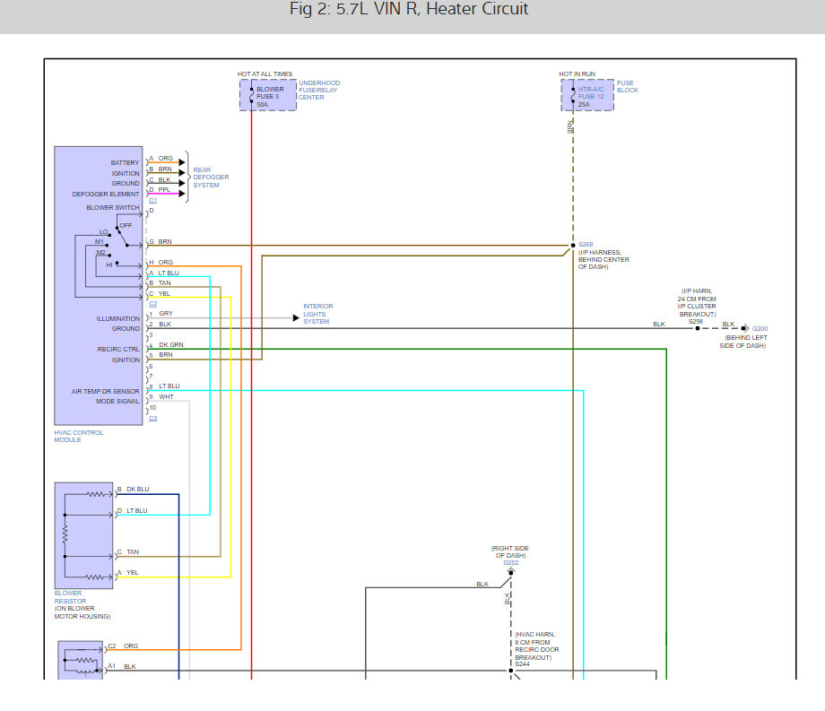
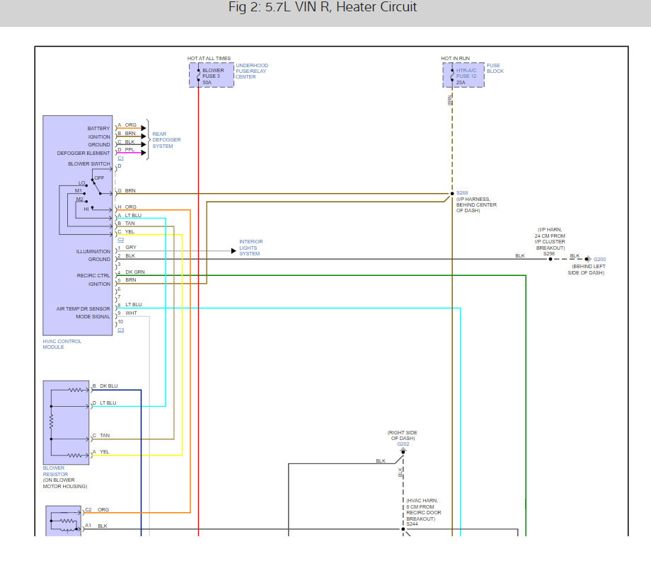
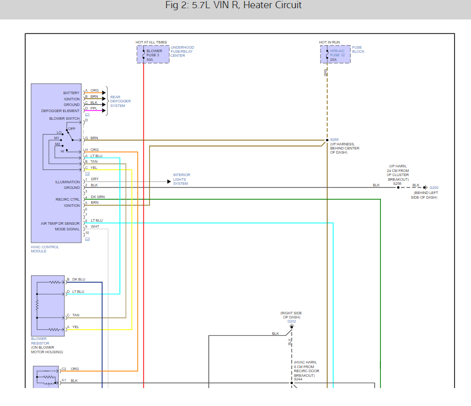
I just recently had my dash apart for a separate reason. The vehicle listed above is an SLT. I replaced the heater core and heater fan because they were bad. All wires plugged in. The problem is, my blend and heat/cold control knobs, recirculating button and A/C buttons do not work. The fan control does work. It feels like it is blowing about 60° to 70°when on and engine is warm. Could this be the heater control panel itself? I'm getting ready to order one, but I would like an expert's advice because I can always return it if it's something else. Any help would be greatly appreciated. Thank you
Nov 20, 2022 at 7:38 PM





