Heater not working

2006 HONDA PILOT
195,000 MILES • 3.5L • 6 CYL • 4WD • AUTOMATIC
Avatar
MANSOORAK
  • MEMBER
  • 6 POSTS
Additional to my first question. It feels as if it is blowing hotter in the rear console. Also I switched out the control assembly on the dash with one from recycle yard, but no changes. I got a new blend door actuator from AutoZone plugged it into the connector outside before switching out, but that did not show any movement on the cam, instead, when connected and the system is on, the screen on control goes blank after turning the ignition off and disconnect actuator it resolves back to normal but no movement. Thanks I hope my explanation makes some sense.
Oct 19, 2018 at 8:11 PM
Advertisement
Avatar
STRAILER
  • CERTIFIED EXPERT
  • 53,854 POSTS
Hello,

It sounds like you have a bad actuator. I would try a OEM unit can you confirm the heater hoses coming into and going out from the fire wall are hot? You may have air trapped inside the heater core which is common.

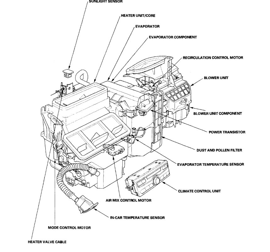
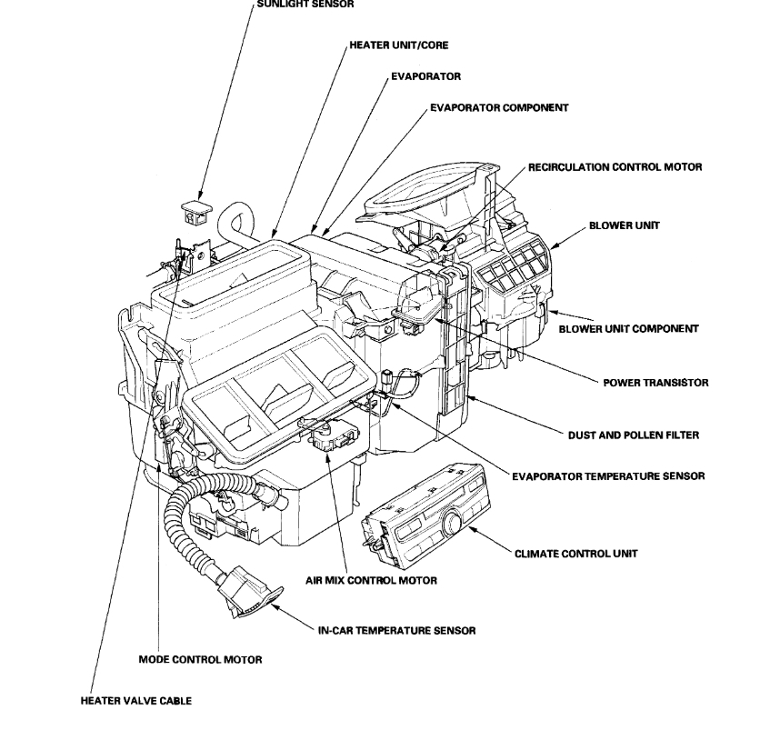
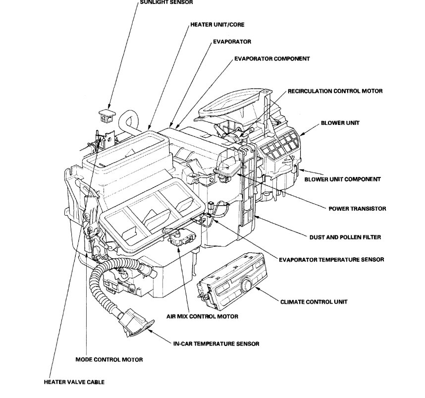
Here is a guide that can help and diagrams below to show you how the system works and the locations of each blend door actuators:

https://www.2carpros.com/articles/car-heater-not-working

and

https://www.2carpros.com/articles/replace-blend-door-motor

Check out the diagrams (below). Please let us know what you find. We are interested to see what it is.

Cheers, Ken
Oct 22, 2018 at 12:04 PM
Avatar
MANSOORAK
  • MEMBER
  • 6 POSTS
Thanks Ken.
Oct 22, 2018 at 7:44 PM
Advertisement
Avatar
MANSOORAK
  • MEMBER
  • 6 POSTS
No heat. Changed heater valve and thermostat, still no heat. Discovered cable on old valve was stuck on partial open before replacement. All vents are functioning as they should, but the cable on the valve is still in the same position. Right now the cable on the valve is disconnected in order to facilitate some heat. Thanks for any advise.
Oct 22, 2018 at 8:03 PM (Merged)
Avatar
JACOBANDNICKOLAS
  • CERTIFIED EXPERT
  • 110,175 POSTS
HI and thanks for using 2CarPros.com.

It sounds like the cable itself is either damaged, disconnected in the vehicle, or needs adjustment.

First, since you already have it disconnected under the hood, have a helper move the temperature control knob in the vehicle while you watch under the hood to see if it is moving.

If it is moving correctly, follow these directions for adjustment. The first three pictures correlate with adjustment.
________________________________________

Heater Valve Cable Adjustment
1. From under the hood, open the cable clamp (A), then disconnect the heater valve cable (B) from the heater valve arm (C).
2. From under the dash, disconnect the heater valve cable housing from the cable clamp (A), and disconnect the heater valve cable (B) from the air mix control linkage (C).
3. Set the temperature control dial to Max Cool with the ignition switch ON (II).
4. Attach the heater valve cable (B) to the air mix control linkage (C) as shown in step 2. Hold the end of the heater valve cable housing against the stop (D), then snap the heater valve cable housing into the cable clamp (A).
5. From under the hood, turn the heater valve arm (C) to the fully closed position as shown, and hold it. Attach the heater valve cable (B) to the heater valve arm, and gently pull on the heater valve cable housing to take up any slack, then install the heater valve cable housing into the cable clamp (A).

______________________________________

If the cable doesn't move when it is being adjusted in the vehicle, either it is broken, detached on the interior, or it is corroded internally and needs replaced.

Let me know if any of this helps.

Take care,
Joe
Oct 22, 2018 at 8:03 PM (Merged)
Avatar
MANSOORAK
  • MEMBER
  • 6 POSTS
Thanks will do.
Oct 22, 2018 at 8:03 PM (Merged)
Avatar
JACOBANDNICKOLAS
  • CERTIFIED EXPERT
  • 110,175 POSTS
Happy to help. Let me know what you find.

Take care,
Joe
Oct 22, 2018 at 8:03 PM (Merged)
Avatar
MANSOORAK
  • MEMBER
  • 6 POSTS
Will do thanks.
Oct 22, 2018 at 8:03 PM (Merged)
Avatar
JACOBANDNICKOLAS
  • CERTIFIED EXPERT
  • 110,175 POSTS
No problem.
Oct 22, 2018 at 8:03 PM (Merged)