heater blows cold

1990 CHEVROLET 1500
144,450 MILES • 4.3L • V6 • 2WD • AUTOMATIC
Avatar
PMDOUCET
  • MEMBER
  • 1 POST
I have change actuator three times and still does not work.
Apr 19, 2018 at 1:07 PM
Advertisement
Avatar
ASEMASTER6371
  • CERTIFIED EXPERT
  • 52,796 POSTS
Good morning.

Did you calibrate the new one once you installed it??

did you check for power to the actuator itself??

Roy

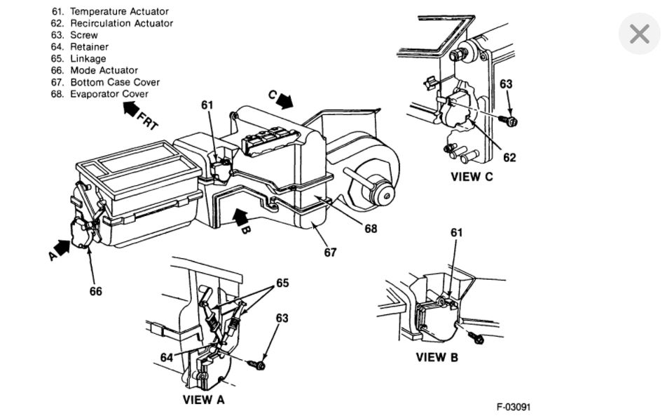
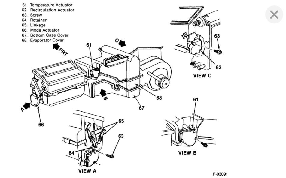
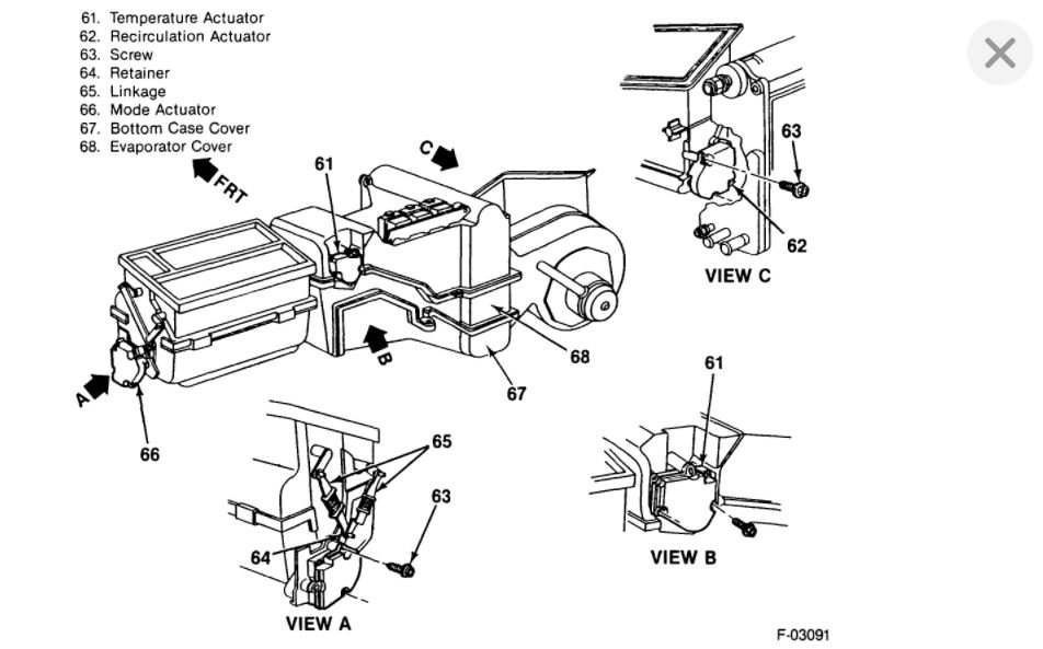
REMOVE OR DISCONNECT
1. Battery ground cable.
2. Instrument panel compartment for excess.
3. Electrical connection.
4. Screws.
5. Actuator.

ADJUST
1. Install the battery ground cable.
2. Electrical connection to the actuator.
3. Turn the ignition key to the accessory position.
4. Allow the actuator to position itself.
5. Turn off the ignition key.
6. Disconnect the electrical connection from the actuator.
7. Disconnect the battery ground cable.

INSTALL OR CONNECT
1. Actuator to the heater assembly.
2. Screws.
3. Electrical connection to the actuator.
4. Instrument panel compartment.
5. Battery ground cable.
Apr 20, 2018 at 5:36 AM