heater blower motor resistor location

2008 PONTIAC MONTANA
229,000 MILES • 3.9L • 6 CYL • 2WD • AUTOMATIC
Avatar
BELEMONTANA
  • MEMBER
  • 2 POSTS
Drove vehicle with good heat blowing on Friday, purchased and replaced the battery today and when started the vehicle the heater fan not working now.
Dec 15, 2019 at 5:08 PM
Advertisement
Avatar
DANNY L
  • CERTIFIED EXPERT
  • 5,648 POSTS
Hello, I'm Danny.

Here is a tutorial showing how to replace blower motor/resistor:

https://www.2carpros.com/articles/blower-fan-motor-works-on-high-speed-only

I've attached pictures and step-by-step instructions below on how to replace blower motor/resistor for your Montana. Hope this helps and thanks for using 2CarPros.
Dec 15, 2019 at 5:27 PM
Avatar
STEVE W.
  • CERTIFIED EXPERT
  • 15,113 POSTS
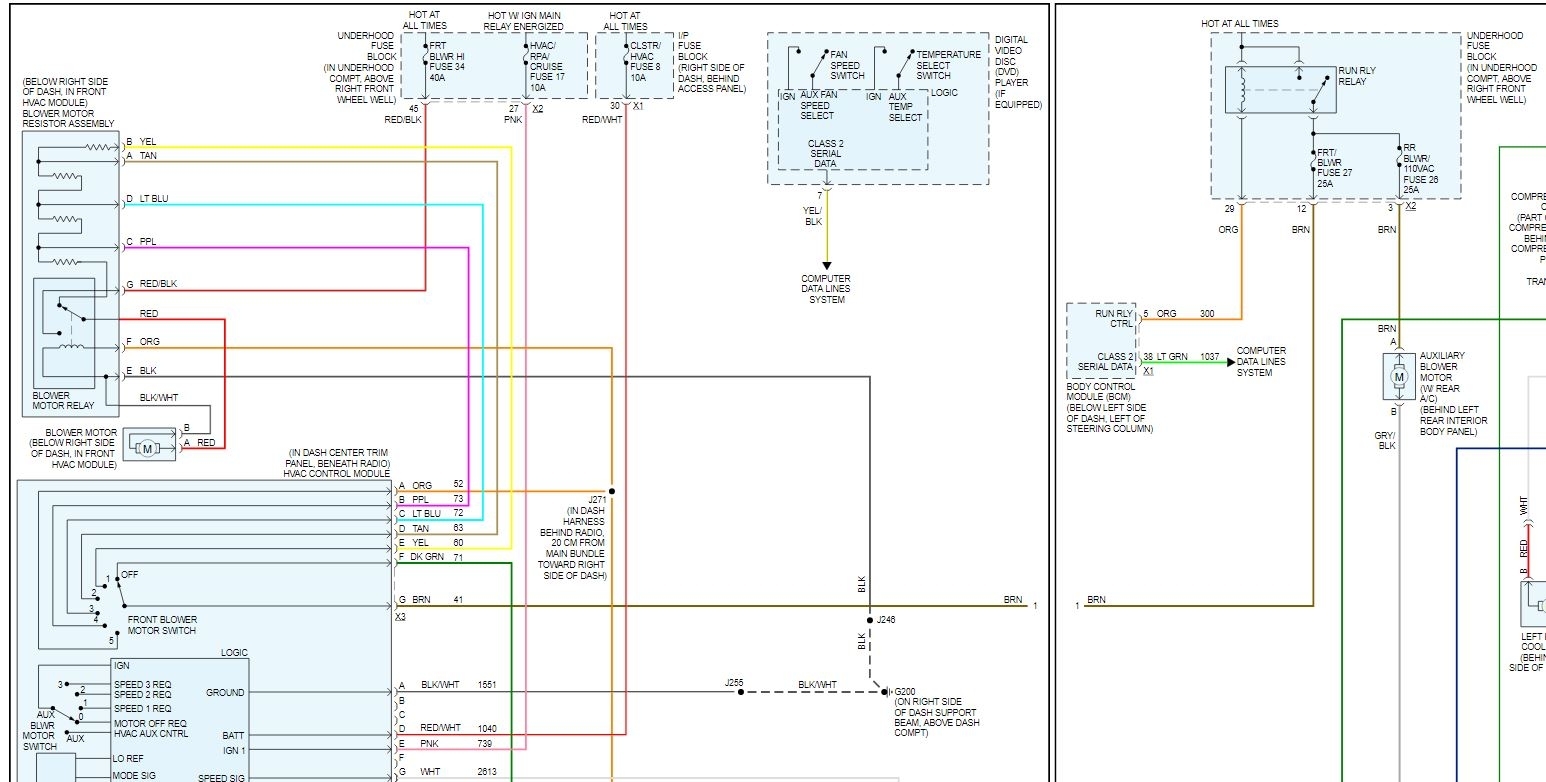
If it doesn't work on any speed including high it is more likely the motor itself. On high the resistor is bypassed and the blower gets full power. I would check fuse 34 and fuse 27 first. A quick test for the run relay is if you have the aux. real heater, if it works the relay is good. Use a test light to be sure you have power at both sides of the fuse then unplug the wiring at the blower resister and check for battery voltage on terminal G the Red wire with black stripe. If you have power there but no blower on high then test the blower motor itself by applying battery voltage to the Red terminal and grounding the other. If the blower works check that the Black wire has a good ground, they have a bad habit of failing.
Removing the blower and resister is easy, they are in the passenger foot-well. Remove the blower first, then loosen the rear screws on the resister and remove the front one The rear ones are slotted. Two common issues with them, the blower motor starts to fail and the higher current burns the relay contacts or the resister or the ground fails.
Dec 15, 2019 at 5:39 PM
Advertisement
Avatar
DON 0987
  • MEMBER
  • 1 POST
Need to know the location of blower motor resistor on the vehicle listed above. Please and thank you.
Oct 18, 2020 at 12:02 PM (Merged)
Avatar
ASEMASTER6371
  • CERTIFIED EXPERT
  • 52,796 POSTS
Good evening,

It is under the dash, right side and next to the blower motor. Check out the diagrams (Below). Please let us know what happens.

Roy
Oct 18, 2020 at 12:02 PM (Merged)
Avatar
68MALIBULEE
  • MEMBER
  • 2 POSTS
The heater fan in my 2004 Pontiac Montana only works on 3 or 5. This started a week ago. I replaced the fan resistor behind the fan motor with a new on. This did not fix the problem, and it still only blows on 3 or 5. Also 3 and 5 seem the same, but before yo could tell the different speed all the way from 1 to 5. What should I check now ?
Oct 18, 2020 at 12:02 PM (Merged)
Avatar
WRENCHTECH
  • CERTIFIED EXPERT
  • 20,761 POSTS
That would pretty much have to be a bad switch or the wiring to it. Speed 5 doesn't even pass through the resister so that could have been anticipated that it wasn't your problem.
Oct 18, 2020 at 12:02 PM (Merged)
Avatar
SATURNTECH9
  • CERTIFIED EXPERT
  • 30,869 POSTS
Do you have a multimeter to do some testing?You will need one.
Oct 18, 2020 at 12:02 PM (Merged)
Avatar
WRENCHTECH
  • CERTIFIED EXPERT
  • 20,761 POSTS
I have to take part of my answer back. the relay is included in the resister so all 5 speeds actually do pass through it.
Oct 18, 2020 at 12:02 PM (Merged)
Avatar
VSTOWE
  • MEMBER
  • 5 POSTS
The A/C fan will only blow on low, if you turn the fan switch it does not work at all. To get it to work it's in the 'off' position, but there it will blow a very minimal amount of air. Back A/C works great! It started suddenly when we hit a bump, at first it would just take a few tries to get the fan back working. But as time has went by, it is down to this - low (sometimes it seems less than low) air flowing from front vents and if we turn the fan knob (low/med/high) it will stop working all together. Please give some help on what this could be. I've looked online and thought it could be the blower motor resistor block, but my husband seems to think it's the fan switch on the dash. How do we check to see which it is?
Oct 18, 2020 at 12:02 PM (Merged)
Avatar
SATURNTECH9
  • CERTIFIED EXPERT
  • 30,869 POSTS
The resistor wont cause the fan to work with the switch off.Do you have a mulitmeter to do some testing?Also do you have manual ac or auto climate control?
Oct 18, 2020 at 12:02 PM (Merged)
Avatar
SATURNTECH9
  • CERTIFIED EXPERT
  • 30,869 POSTS
Usually the way the switches work is they supply a ground to different parts of the resistor to make the different speeds.
Oct 18, 2020 at 12:02 PM (Merged)
Avatar
VSTOWE
  • MEMBER
  • 5 POSTS
I do not have a multimeter. It's a manual climate control. The knob on the dash for the fan can be turned, it blows very little air in the off position as well as between med/high position, sometimes this changes and instead of these positions it may be the high only position with very little air coming out. How do I go about checking to see if it's the switch on the fan knob or the resistor? Everyone keeps telling me it's the resistor due to the fact that only one speed is working on the unit.
Oct 18, 2020 at 12:02 PM (Merged)
Avatar
SATURNTECH9
  • CERTIFIED EXPERT
  • 30,869 POSTS
Do you have factory video entertainment?Also you will need a multimeter to check this out to figure out whats going on.
Oct 18, 2020 at 12:02 PM (Merged)
Avatar
VSTOWE
  • MEMBER
  • 5 POSTS
There's no video entertainment on the van. The a/c controls are located right below the radio/cd player. Can I buy a multimeter at a auto parts store? And what am I checking with it?
Oct 18, 2020 at 12:02 PM (Merged)
Avatar
VSTOWE
  • MEMBER
  • 5 POSTS
Here's what it looks like
Oct 18, 2020 at 12:02 PM (Merged)
Avatar
SATURNTECH9
  • CERTIFIED EXPERT
  • 30,869 POSTS
Yes you can buy a multimeter at the auto parts store.You would be checking the blower motor circuit with it.Can you feel this little bit of air coming thru the vents with the blower off without the van moving?
Oct 18, 2020 at 12:02 PM (Merged)
Avatar
RODADWG
  • MEMBER
  • 1 POST
My blower motor only works on 4 & 5. 1,2, & 3 All of a sudden just stopped working.
Is it the resistor? If so where is it?
Oct 18, 2020 at 12:02 PM (Merged)
Avatar
DENNYP
  • CERTIFIED EXPERT
  • 1,824 POSTS
(1) Electric Slave Actuator (2) I/P Harness (3) Connector to Electric Air Inlet Actuator (4) Pass Through P100 (5) Blower Motor Resistor (6) Blower Motor


https://www.2carpros.com/forum/automotive_pictures/102900_447167_1.jpg

Oct 18, 2020 at 12:02 PM (Merged)
Avatar
VSTOWE
  • MEMBER
  • 5 POSTS
The knob is in the off position to get any air to blow out, sometimes it'll work if I move the knob, but most of the time if I move it from this position no air will blow. Doesn't matter if the van is sitting still or moving as long as I don't touch the knob it'll blow and blows cold!
Oct 18, 2020 at 12:02 PM (Merged)
Avatar
SATURNTECH9
  • CERTIFIED EXPERT
  • 30,869 POSTS
I was only asking because if it only had air coming thru the vents with the switch off and moving that would just be fresh air being brought in so you didnt fall asleep at the wheel.So do you have a multimeter yet so we can do some testing?
Oct 18, 2020 at 12:02 PM (Merged)
Avatar
DIB46
  • MEMBER
  • 1 POST
hi guys i own 2000 montana and i only have 3-5 speeds on blower motor where is the resistor located any help would be appeciated i cant find it thanks,lost low speeds
Oct 18, 2020 at 12:02 PM (Merged)
Avatar
D0NALD
  • MEMBER
  • 1 POST
I have the same problem, fan not working 1-2 speeds,any help would be appeciated .
Oct 18, 2020 at 12:02 PM (Merged)
Avatar
WILFRID
  • MEMBER
  • 1 POST
I OWN A 2000 MONTANA & CHANGED THE FAN RESISTOR ONCE. LOCATED UNDER THE GLOVE COMPARTEMENT BESIDE THE BLOWER FAN. GOOD LOCK, NOT EASY TO REMOVE WILL
Oct 18, 2020 at 12:02 PM (Merged)
Avatar
DENNYP
  • CERTIFIED EXPERT
  • 1,824 POSTS
next to the blower motor.under the dash on passenger side.


https://www.2carpros.com/forum/automotive_pictures/102900_blo_1.jpg

Oct 18, 2020 at 12:03 PM (Merged)