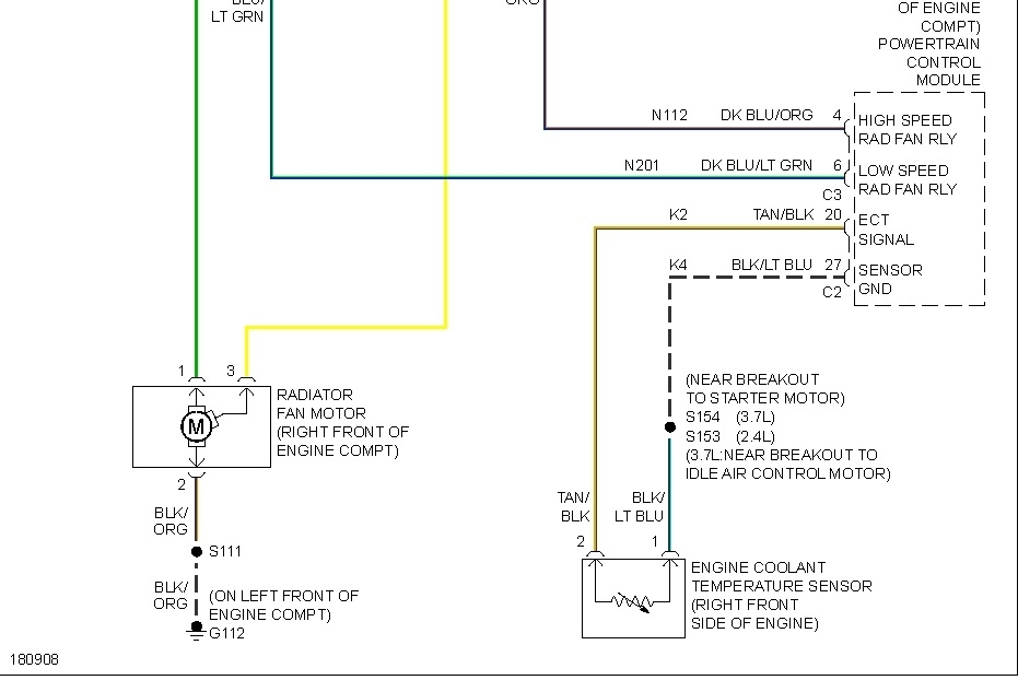
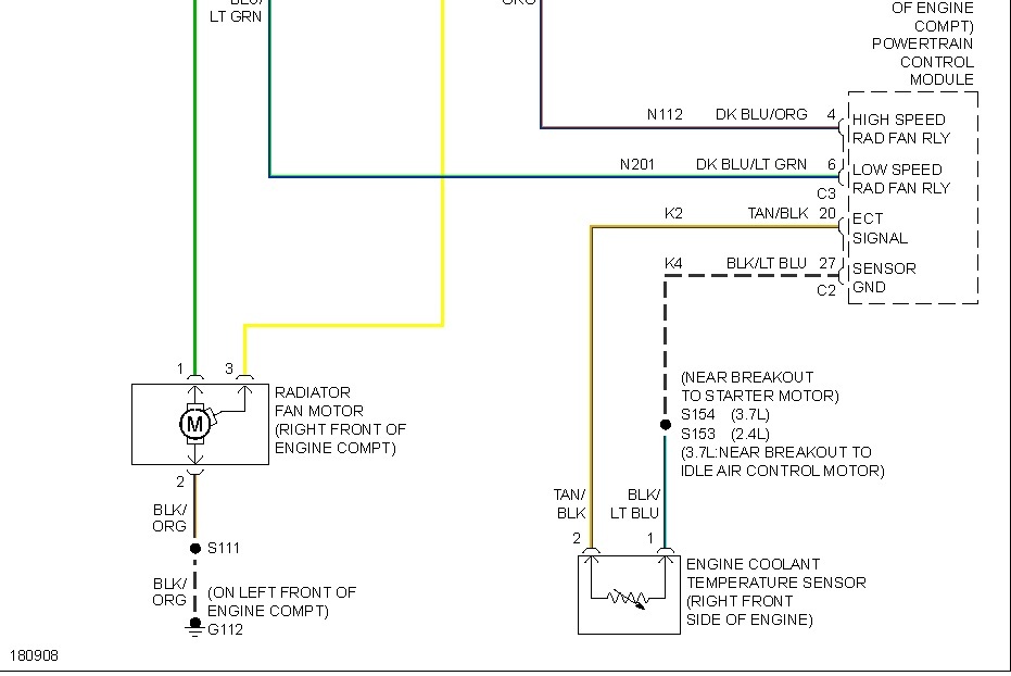
i have the radiator fan wont work but can straight wire it and it will run.
also the same with the heater blower motor
also the same with the heater blower motor
Apr 26, 2013 at 4:37 AM


