My blower motor will not shut off it just keeps going?

2005 NISSAN ALTIMA
140,000 MILES • 3.5L • 6 CYL • 2WD • AUTOMATIC
Avatar
VERNON G GANO JR
  • MEMBER
  • 2 POSTS
The AC/heat fan will not turn off?
May 20, 2018 at 2:55 PM
Advertisement
Avatar
STRAILER
  • CERTIFIED EXPERT
  • 53,854 POSTS
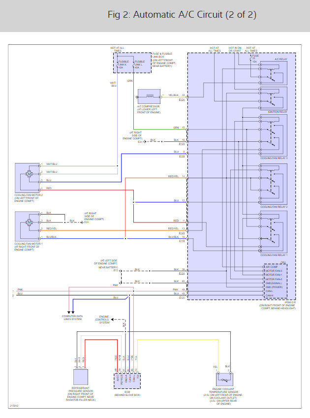
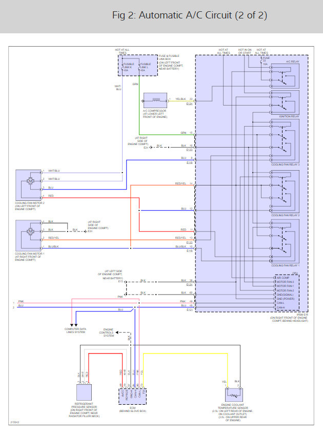
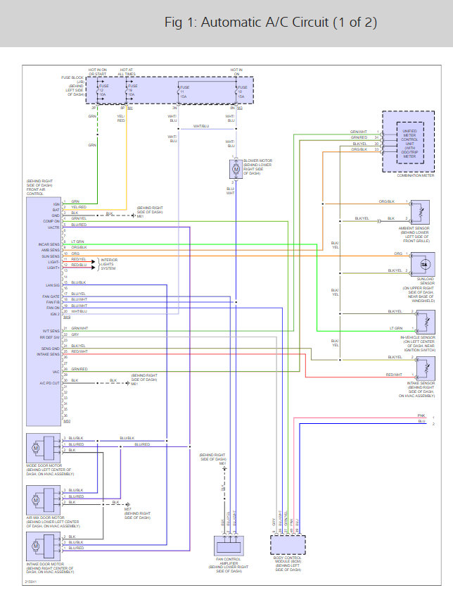
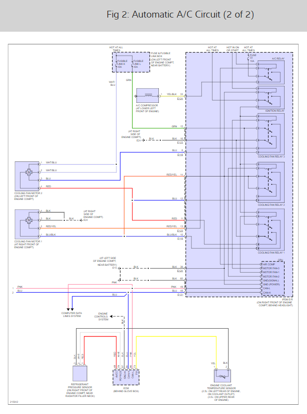
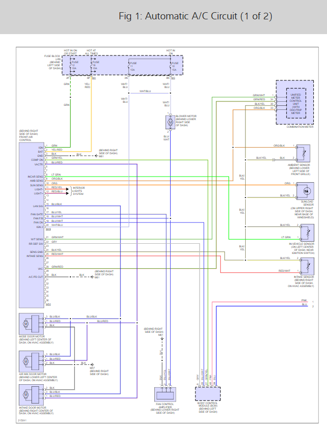
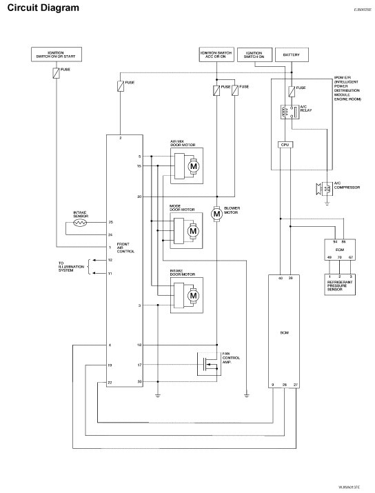
The blower motor is staying on yes? This is caused by the blower motor amplifier shorting out. Below is a blower motor wiring diagram so you can see how the system works and where the amplifier is located unplug it to see if the blower motor stops.

Check out the diagrams (below). Please let us know what happens.

Cheers, Ken
May 22, 2018 at 11:49 AM
Avatar
VERNON G GANO JR
  • MEMBER
  • 2 POSTS
I found and replaced it. Works fine now thanks.
May 23, 2018 at 6:27 AM
Advertisement
Avatar
STRAILER
  • CERTIFIED EXPERT
  • 53,854 POSTS
Nice work, we are here to help, please use 2CarPros anytime.

Cheers, Ken
May 23, 2018 at 10:46 AM
Avatar
DAVID020585
  • MEMBER
  • 3 POSTS
Got into my car this morning and my fan blower won't cut off. It stays on high. The heating element and A/C work, as well as the circulation.
May 25, 2021 at 11:20 AM (Merged)
Avatar
KASEKENNY
  • CERTIFIED EXPERT
  • 18,907 POSTS
This could be a could things but most likely it is the blower controller is shorted.

In your vehicle this is called the front air control module. We need to test voltage coming from the highlighted wire when changing speed of the fan and i am sure this will not change. If it does not, then we need to suspect the amplifier is the cause. Basically this changes the resistance of the ground to change the speed of the fan.

I attached below the complete testing and replacement if you need to replace the blower or the amp. Let's run through this testing and go from there.

Here is a guide that will with this type of testing:

https://www.2carpros.com/articles/how-to-check-wiring

Thanks
May 25, 2021 at 11:20 AM (Merged)
Avatar
JHNBOS
  • MEMBER
  • 1 POST
The air is blowing on high even when the A/C is off and the knob is in any position. What else should I check? I can adjust the vents, and where the air blows from (defrost/floor/combo), but it is constantly on high. I have checked all of the fuses and they all are good. The compressor works, and kicks in fine, and the air blows cold with no smell.
May 25, 2021 at 11:20 AM (Merged)
Avatar
RIVERMIKERAT
  • CERTIFIED EXPERT
  • 6,110 POSTS
The blower motor is constantly receiving high current. This could be the control module or the fan control switch. Check the blower motor resister for damage or short.
May 25, 2021 at 11:20 AM (Merged)
Avatar
NWALKER1
  • MEMBER
  • 2 POSTS
I would like to know why the blower won't go off
May 25, 2021 at 11:20 AM (Merged)
Avatar
JACOBANDNICKOLAS
  • CERTIFIED EXPERT
  • 110,175 POSTS
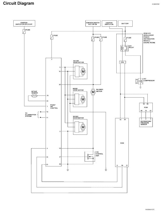
Hi and thanks for using 2CarPros.com. I have to be honest, I have a feeling the switch itself is bad. What I have seen happen with these is the switch melts down internally allowing current to constantly run. Here is what I suggest. First, you need to access the blower motor unit. Here directions and a picture to help do that.

REMOVAL
Remove the glove box assembly. Refer to "Instrument Lower Cover RH and Glove Box".
Remove the ECM.
Disconnect the blower motor, intake door motor and blower motor resistor connector.
Remove the two bolts and one screw from the blower unit, then remove it.
INSTALLATION
Installation is in the reverse order of removal.

Next, you need to access the motor itself. Here are the directions and a picture for that.

BLOWER MOTOR

Removal and Installation
REMOVAL
Remove the blower unit. Refer to "Removal and Installation"
Release the eight tabs attaching blower motor to blower unit case and then remove it.
INSTALLATION
Installation is in the reverse order of removal.

Once you access the motor, disconnect the wiring to it and you will need to check for power to the motor. Here are directions and a video to help you use a test light.

https://youtu.be/Hlna_kUt7As

https://www.2carpros.com/articles/how-to-use-a-test-light-circuit-tester


Now that you have the wiring removed, prove the different wires for power using the test light. See if the power stays on at all times regardless of the switch position. If it does, chances are the switch is bad. If the power supply changes location, suspect a short to power.

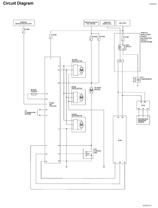
I have attached a wiring schematic for your review. I hope it helps.

Take care and let me know if you identify the problem.

Joe
May 25, 2021 at 11:20 AM (Merged)