Heater/AC blower not working

1998 BUICK REGAL
120,000 MILES • 3.8L • 6 CYL • 2WD • AUTOMATIC
Avatar
GCLINE
  • MEMBER
  • 5 POSTS
The fan switch worked intermittently at first then just on high. I have replaced the resistor and checked all the fuses now it only clicks when put on high. I have read that it can be the ignition switch sometimes. I do not want to just replace parts. What else can I check before doing that? Thanks
Aug 8, 2018 at 5:58 PM
Advertisement
Avatar
STRAILER
  • CERTIFIED EXPERT
  • 53,855 POSTS
Hello,

This guide will show you how to check the power and ground of the blower motor to help determine if the problem is the fan motor or something else.

https://www.2carpros.com/articles/blower-fan-motor-works-on-high-speed-only

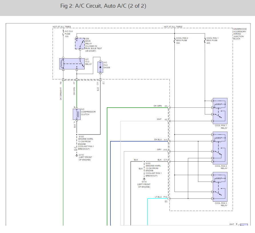
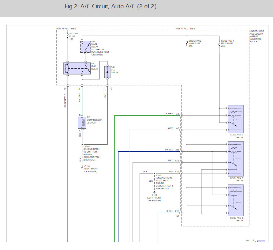
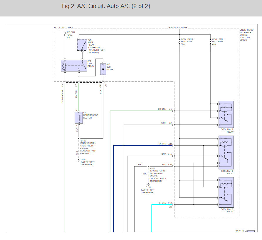
Here is the blower fan wiring diagrams so you can see how then system works.

Check out the diagrams (below). Please let us know what happens.

Cheers, Ken
Aug 12, 2018 at 12:13 PM