heater/AC blower cover replacement?

1993 CHEVROLET 2500
232,000 MILES • 5.7L • V8 • 4WD • AUTOMATIC
Avatar
TOMJJONAS
  • MEMBER
  • 10 POSTS
I am looking for a new one.
Dec 31, 2023 at 9:32 AM
Advertisement
Avatar
JACOBANDNICKOLAS
  • CERTIFIED EXPERT
  • 110,175 POSTS
Hi,

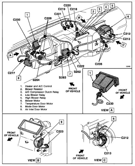
I'm not sure what you are looking for. I attached a picture below. Take a look at it and let me know if you see the part you are referring to.

Take care and Happy New Year,

Joe

See pic below.
Dec 31, 2023 at 5:44 PM
Avatar
STRAILER
  • CERTIFIED EXPERT
  • 53,854 POSTS
This is the only diagram I could find to show the cover for the blower motor.

It is part #12.

what exactly is this part for and what does it do? thanks
Jan 1, 2024 at 5:35 PM
Advertisement