Heater/A/C blower motor does not work

1996 TOYOTA RAV4
210,000 MILES • 4 CYL • 2WD • AUTOMATIC
Avatar
CARRALLE
  • MEMBER
  • 1 POST
I have no voltage at control switch. I have checked heater 50 amp fuse (good). i do not have a wiring diagram to follow the voltage flow. I cannot find any fuse marked blower motor. Does engine have to be running to get voltage at control switch?
Dec 7, 2019 at 7:51 PM
Advertisement
Avatar
JACOBANDNICKOLAS
  • CERTIFIED EXPERT
  • 110,175 POSTS
Hi,

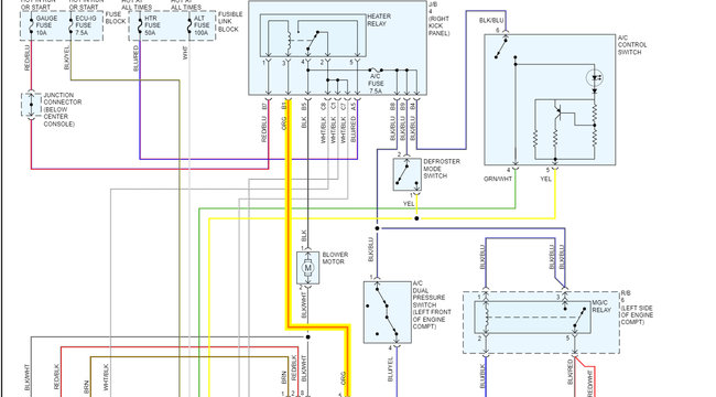
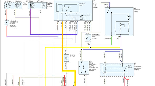
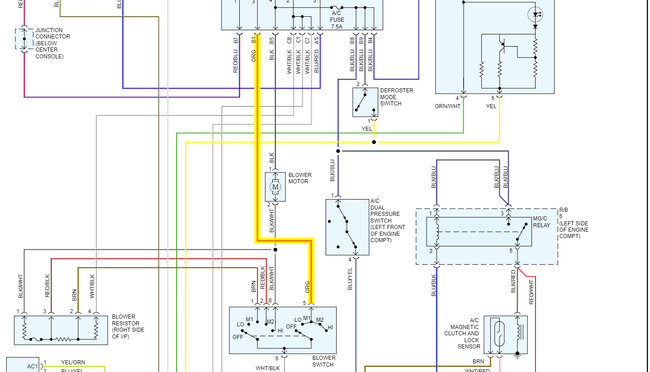
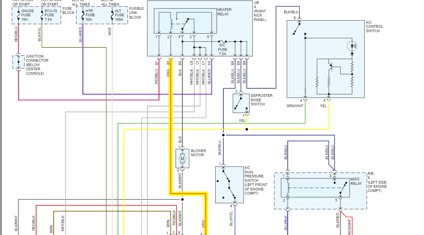
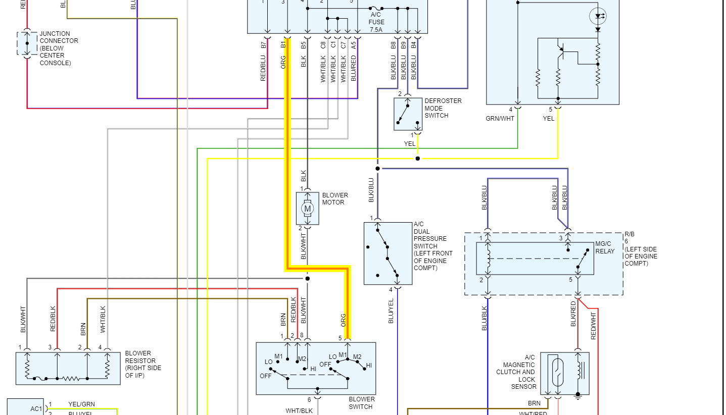
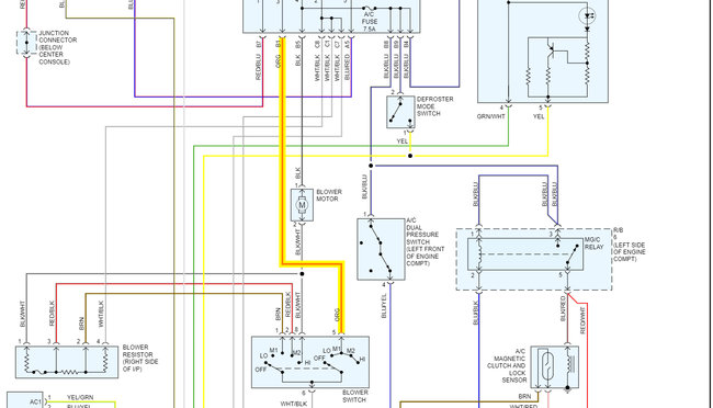
Power to the switch comes from the blower motor relay, which receives power from the 50 amp fuse you checked. I attached a pic of the schematic below. I had to break it into two pictures to make it readable. Also, I highlighted the power wire to the switch.

If there is no power to the switch either the relay is bad or you have an open circuit between the relay and the switch.

Here are a few links you may find helpful:

https://www.2carpros.com/articles/how-to-check-an-electrical-relay-and-wiring-control-circuit

https://www.2carpros.com/articles/how-to-use-a-test-light-circuit-tester

https://www.2carpros.com/articles/how-to-use-a-voltmeter

https://www.2carpros.com/articles/how-to-check-wiring

The last picture shows the blower motor relay location.

Let me know if this helps.

Joe

Dec 7, 2019 at 11:30 PM