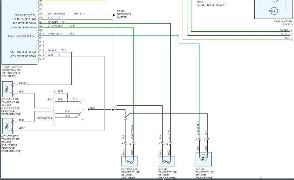
My heater and A/C does not blow any air. temperature is set at 90 degrees. when car is off I can hear a motor that shuts off and on when car isn't even in use.
Feb 4, 2020 at 5:53 PM









