Heater

1987 CHEVROLET 2500
250,000 MILES • 7.4L • V8 • 4WD • MANUAL
Avatar
C&R
  • MEMBER
  • 4 POSTS
No power to heater switches and to the blower fuses are good.
Sep 21, 2017 at 4:27 PM
Advertisement
Avatar
WRENCHTECH
  • CERTIFIED EXPERT
  • 20,761 POSTS
Are you sure about the vehicle description. They did not have a 2500 or a 7.4 engine in 1987.
Sep 21, 2017 at 6:08 PM
Avatar
C&R
  • MEMBER
  • 4 POSTS
1987 Chevrolet with a 454 throttle body and it is the six pack on the side of the truck says 30 that is all.
Sep 21, 2017 at 6:22 PM
Advertisement
Avatar
C&R
  • MEMBER
  • 4 POSTS
I do not have no power to the controls or any wires of the wires. I have changed fuses and checked the fusible link. I have traced all wires no broken ones.
Sep 21, 2017 at 6:28 PM
Avatar
WRENCHTECH
  • CERTIFIED EXPERT
  • 20,761 POSTS
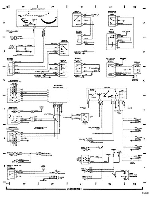
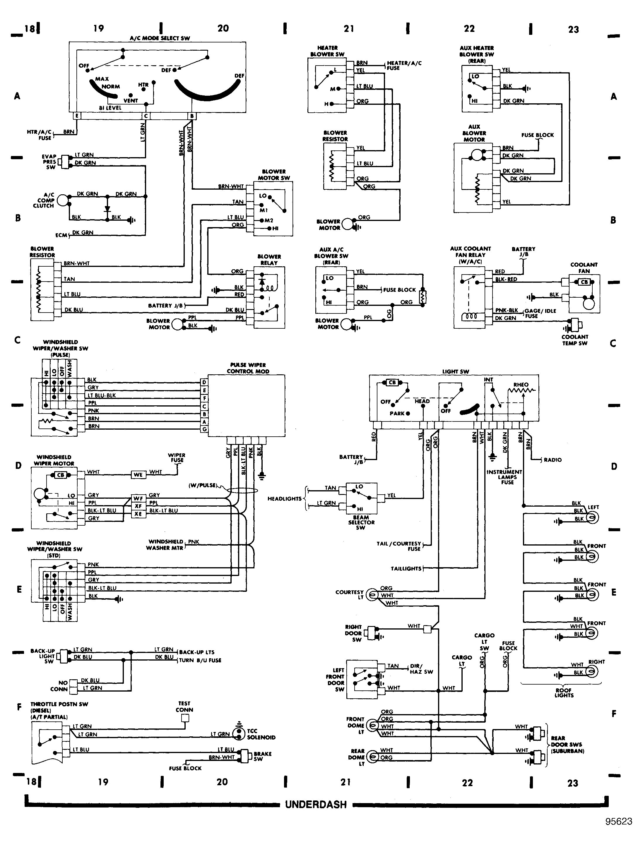
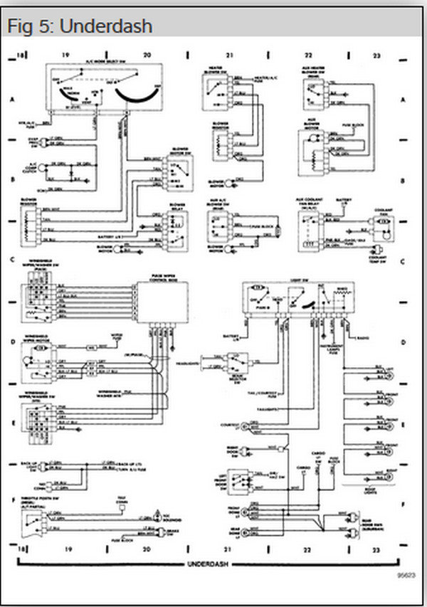
I found it under R30. The blower motor is powered and controlled by the blower relay and the relay is powered and controlled by the blower switch through the blower resister. The blower switch gets its power from the ignition switch so you are going to have to track down where it is being lost.
I uploaded the wiring diagram for you.
Sep 21, 2017 at 6:36 PM
Avatar
WRENCHTECH
  • CERTIFIED EXPERT
  • 20,761 POSTS
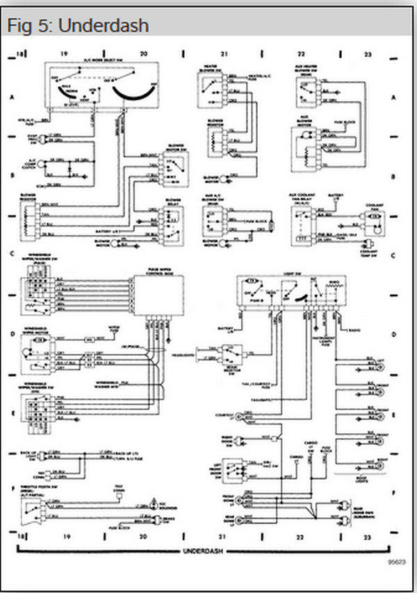
This one might be clearer.
Sep 21, 2017 at 6:41 PM
Avatar
C&R
  • MEMBER
  • 4 POSTS
Thank you.
Sep 21, 2017 at 6:46 PM
Avatar
STRAILER
  • CERTIFIED EXPERT
  • 53,854 POSTS
Here is a guide to help you do the testing:

https://www.2carpros.com/articles/how-to-use-a-test-light-circuit-tester

Please let us know what happens so it will help others.

Cheers, Ken
Sep 23, 2017 at 2:03 PM