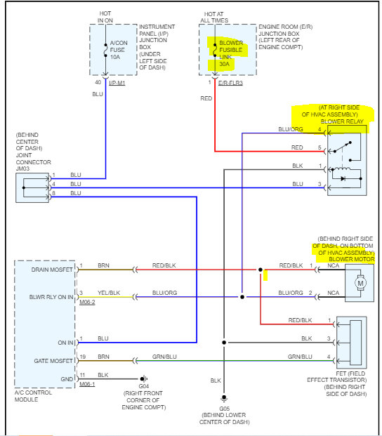
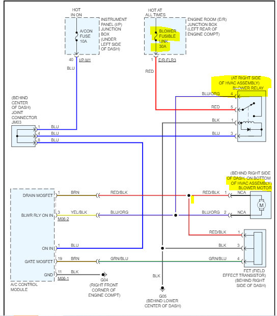
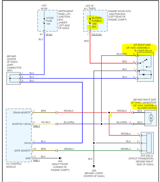
So, this just started happening. About half the time I start my car and I turn my heater on, it doesn’t turn on right away, but turns on after a couple minutes of driving. Every other time I start it and turn it on, it starts blowing right away. Anybody got any ideas on what that would be? Thanks in advance.
Apr 6, 2023 at 10:18 PM


