Heated Seats Not Working?

2014 FORD F-150
130,000 MILES • 3.5L • 6 CYL • 4WD • AUTOMATIC
Avatar
DESERTECOBOOST
  • MEMBER
  • 1 POST
Both heated seats are not working, but the touch screen indicates that they are on.
Jan 27, 2023 at 2:24 PM
Advertisement
Avatar
STEVE W.
  • CERTIFIED EXPERT
  • 15,113 POSTS
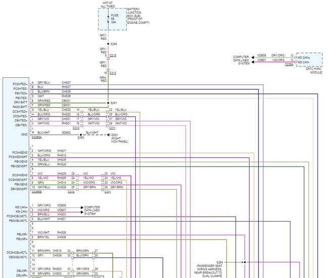
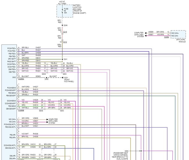
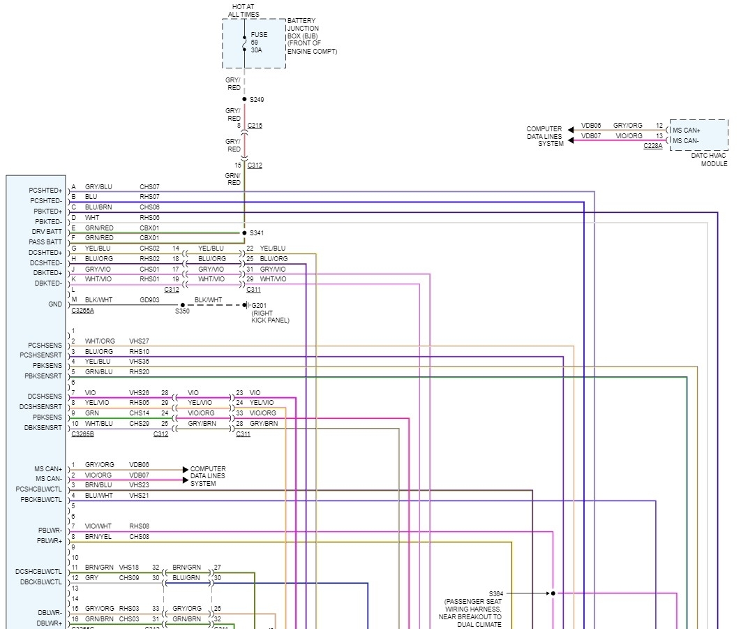
Okay, the first thing will be to check the 30-amp fuse that powers the seat heater system. It is fuse 69 in the battery junction box under the hood. If it tests good, then we need to go to the seat control module under the passenger seat and check there for the powers and grounds. The power wires are Green with red stripes and are in terminals E and F in connector 3265A
The Ground is the black with white stripe in terminal M of that same connector. If the powers and grounds check out the next step involves using an oscilloscope to verify that the control signals are getting to the module. If those check out as well then, the module gets replaced.
Jan 28, 2023 at 6:49 AM