Heated seat on the drivers' side does not work?

2010 LINCOLN MKX
120,000 MILES • 3.5L • 4 CYL • 4WD • AUTOMATIC
Avatar
AUTOISSUE
  • MEMBER
  • 6 POSTS
Heated seats not working.
Feb 6, 2025 at 8:53 AM
Advertisement
Avatar
CARDOCTOR74
  • CERTIFIED EXPERT
  • 62 POSTS
Hi Rob here. Was there any work or add electronics prior to this happening and have you checked under your seat to make sure no wires are damaged? There are many issues with the switches failing on these vehicles as well as the heaters embedded in the seats as well.
Feb 6, 2025 at 1:30 PM
Avatar
AUTOISSUE
  • MEMBER
  • 6 POSTS
There was no work or added electronics prior to this happening. All wiring under the seat appears to be okay.
Feb 6, 2025 at 1:43 PM
Advertisement
Avatar
CARDOCTOR74
  • CERTIFIED EXPERT
  • 62 POSTS
If all the wiring is okay and fuses check out, then the most common issue is the module under the driver seat these fail and causes the problem you were having. This will control cooling and heated seats. I would check this next. If you want to try to test the module yourself, I do have the test procedure but will need a meter and be able to use it properly to diagnose this.
Feb 6, 2025 at 2:47 PM
Avatar
AUTOISSUE
  • MEMBER
  • 6 POSTS
Yes I will test the module. Please send me the procedure. I am very familiar with the use of a multimeter. I pulled the connector from the module under the passenger seat to check a common issue of the ground burnt. It was okay. Fuse #16 in engine compartment and fuse #35 in vehicle both tested okay. Neither were open.
Feb 6, 2025 at 8:06 PM
Avatar
CARDOCTOR74
  • CERTIFIED EXPERT
  • 62 POSTS
Okay, let me post that procedure here for you.
Feb 6, 2025 at 8:21 PM
Avatar
CARDOCTOR74
  • CERTIFIED EXPERT
  • 62 POSTS
Check the wiring connector for the passenger side module you replaced. Usually, the black ground wire on the connector heats up and melts int the connector.

There is a fuse that runs the system #12 - 30 amp in the fuse panel under the hood. Here is a guide to help you test it and the fuse location in the diagrams below:

https://www.2carpros.com/articles/how-to-check-a-car-fuse

These will help as well.
Feb 6, 2025 at 8:46 PM
Avatar
AUTOISSUE
  • MEMBER
  • 6 POSTS
The only fuse under the hood that has any relationship to the heated seats according to the wiring diagrams appears to be #16. Please correct me if I'm wrong. One issue that I noted with the use of a test light is that I don't seem to have any power at fuse #35 in the inside fuse box which shows hot at all times on the schematic.
Feb 7, 2025 at 8:10 AM
Avatar
CARDOCTOR74
  • CERTIFIED EXPERT
  • 62 POSTS
Yes, if that fuse is not blown that smart junction box has failed most likely.
Feb 7, 2025 at 8:23 AM
Avatar
AUTOISSUE
  • MEMBER
  • 6 POSTS
The fuse is not blown. I don't have any issues with the other fuses in that smart junction box. Everything else in the car works fine.
Feb 7, 2025 at 9:49 AM
Avatar
STRAILER
  • CERTIFIED EXPERT
  • 53,854 POSTS
I have seen both the module go out and the heating element go to open circuit. Can I ask if the light goes on when the system is on? If so, I would use a test light to see if the yel/blu wire has power.

This guide can help:

https://www.2carpros.com/articles/how-to-use-a-test-light-circuit-tester

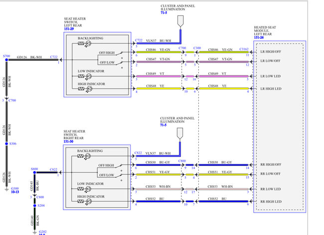
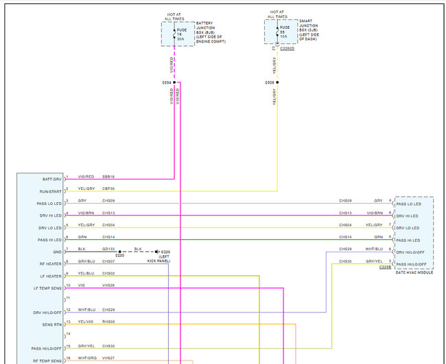
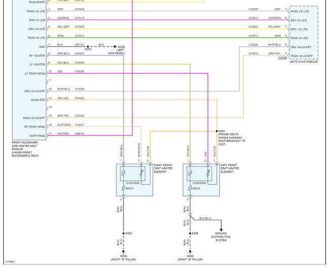
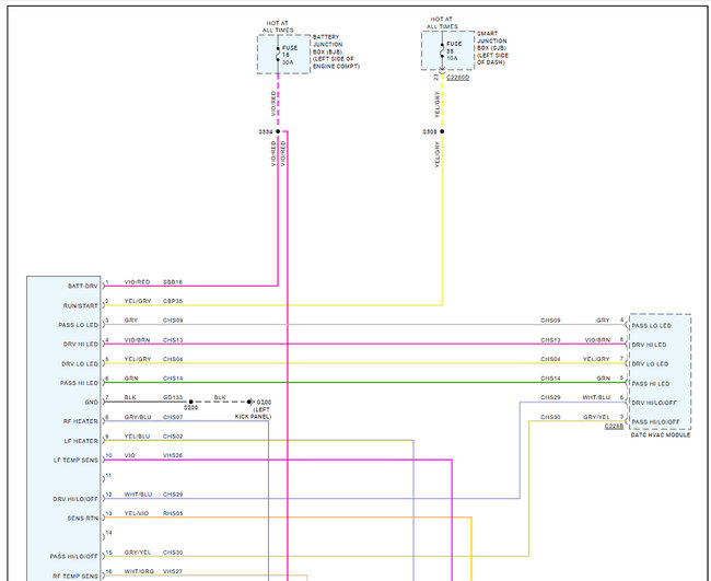
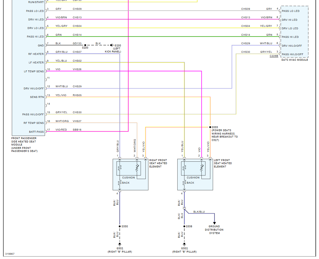
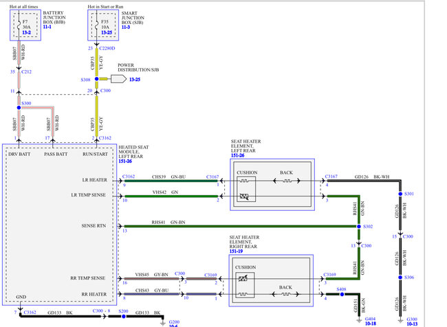
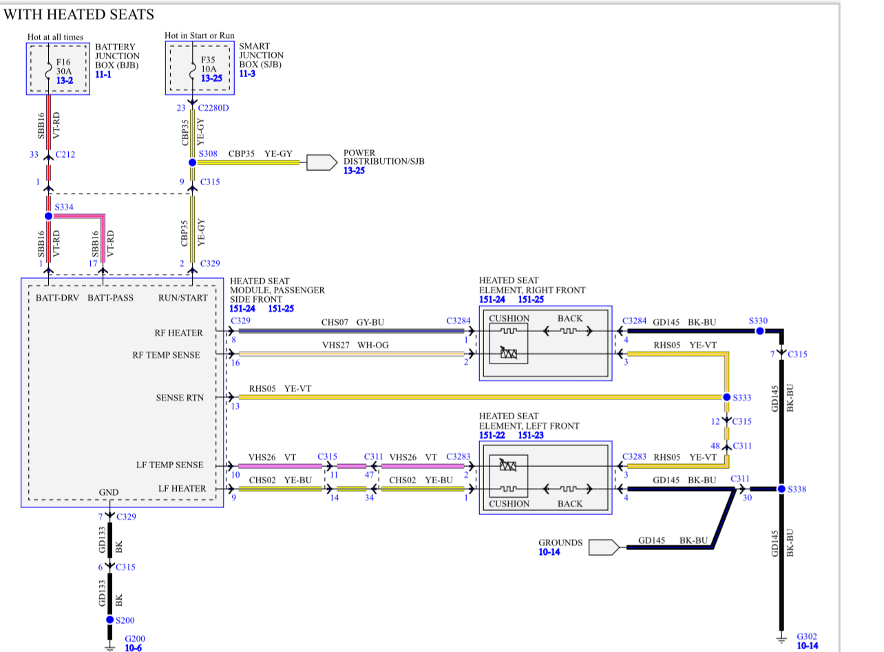
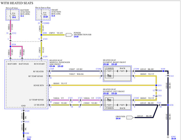
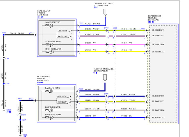
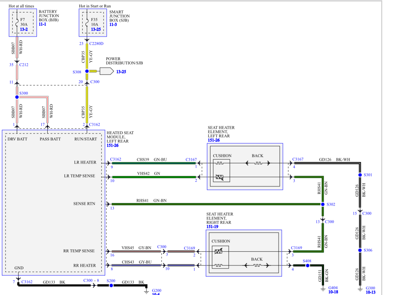
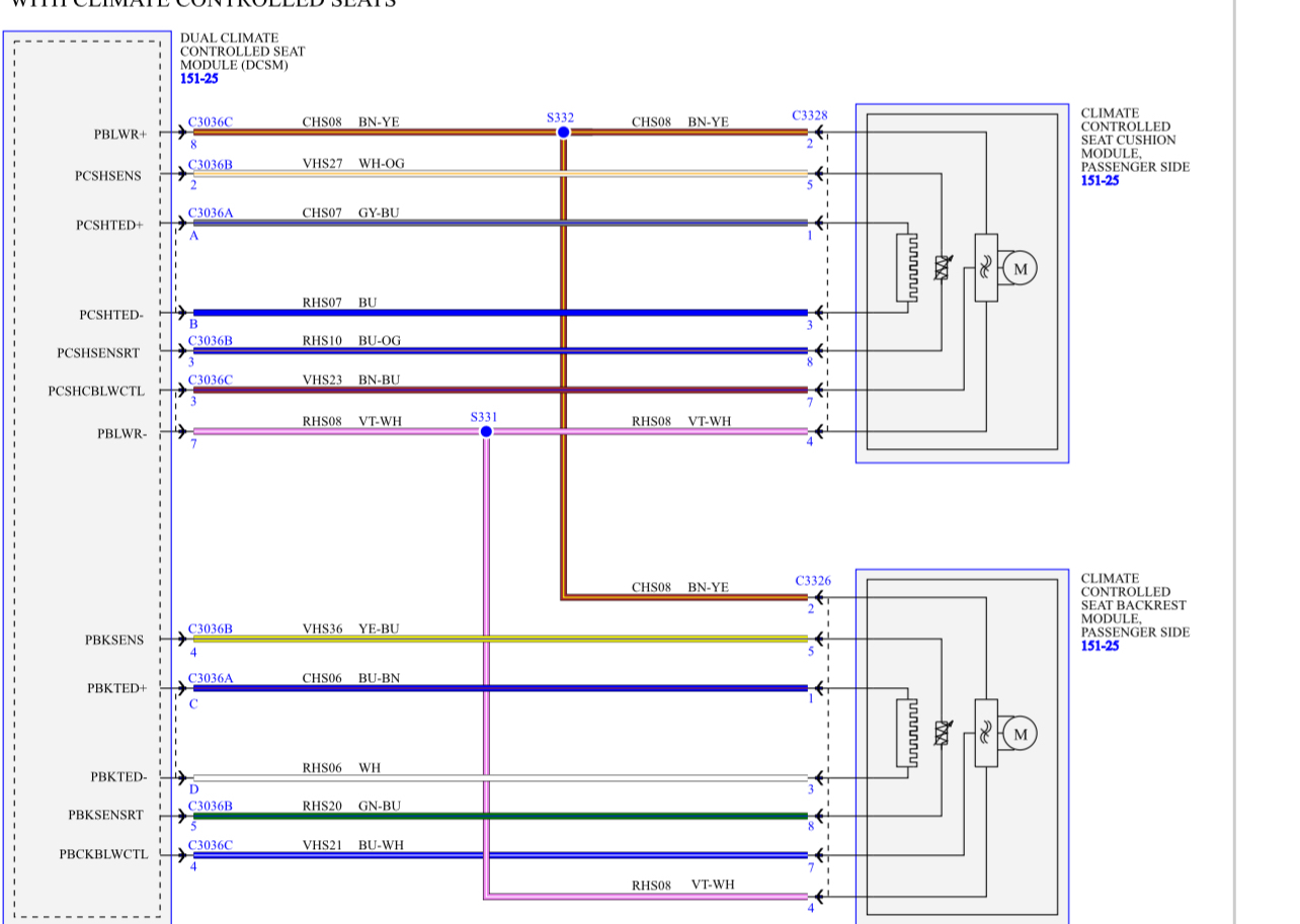
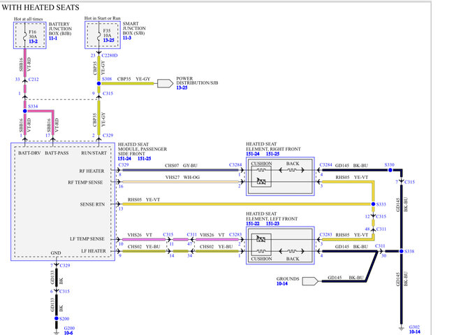
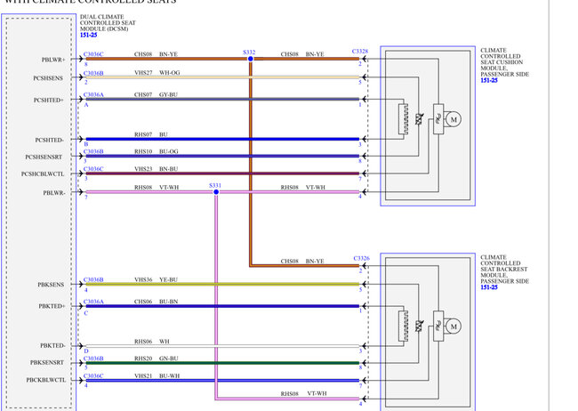
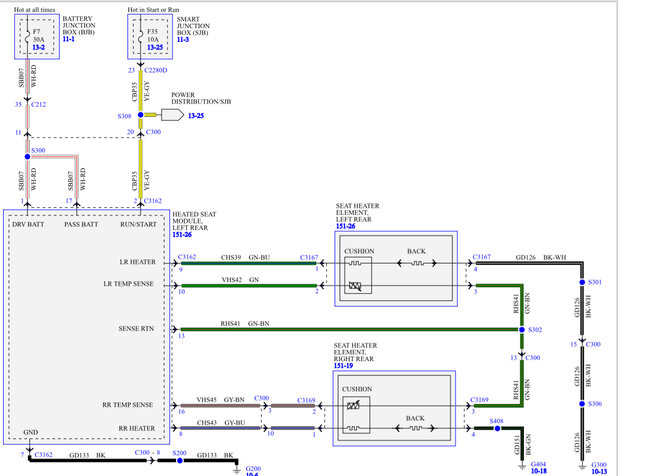
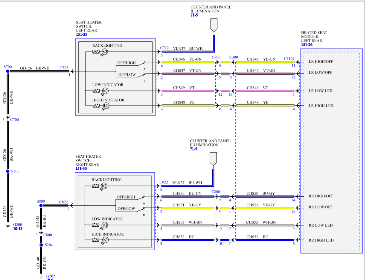
Here is the wiring diagrams for the seat heaters a little larger so you can read it. Also, I would double check fuse #16 in the under hood fuse panel and fuse # 35 in the smart junctions bow with the system on. This can help eliminate the SJB. Check out the images (below). Please let us know what happens.
Feb 9, 2025 at 12:59 PM
Avatar
AUTOISSUE
  • MEMBER
  • 6 POSTS
The light goes on only for a short time when you turn the switch on and then shuts off so it would seem that the yel/blu wire only gets power during that time. I don't have the car available right now so I can't do the other checks. Would the SJB be an issue if the other fuses in it are, okay?
Feb 10, 2025 at 2:46 PM
Avatar
STRAILER
  • CERTIFIED EXPERT
  • 53,854 POSTS
The yel/blu must have power all the time so we should test this, if so, the problem can still be the module or the heating element.
Feb 11, 2025 at 10:10 AM