Heated Seat not Working

2016 FORD EDGE
37,000 MILES • 2.0L • 4 CYL • 4WD • AUTOMATIC
Avatar
MARK COPFER
  • MEMBER
  • 2 POSTS
The driver's seat will not heat at all. How should I troubleshoot this issue?
Mar 2, 2020 at 9:45 AM
Advertisement
Avatar
STRAILER
  • CERTIFIED EXPERT
  • 53,854 POSTS
Hello,

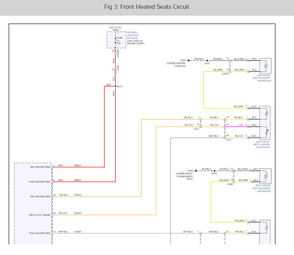
There is a fuse # 65 20 amp in the under hood fuse panel. here is a guide to help you test it and the fuse location with the wiring diagrams for the heated seats so you can see how the system works:

https://www.2carpros.com/articles/how-to-check-a-car-fuse

I have included both fuse panels in case you need them later on. Check out the diagrams (below). Please let us know what you find. We are interested to see what it is.
Mar 10, 2020 at 1:34 PM