Hi,
When the vehicles are manufactured, different wiring harnesses are used. Also, the Grand Prix will not have the power supply or control module for it.
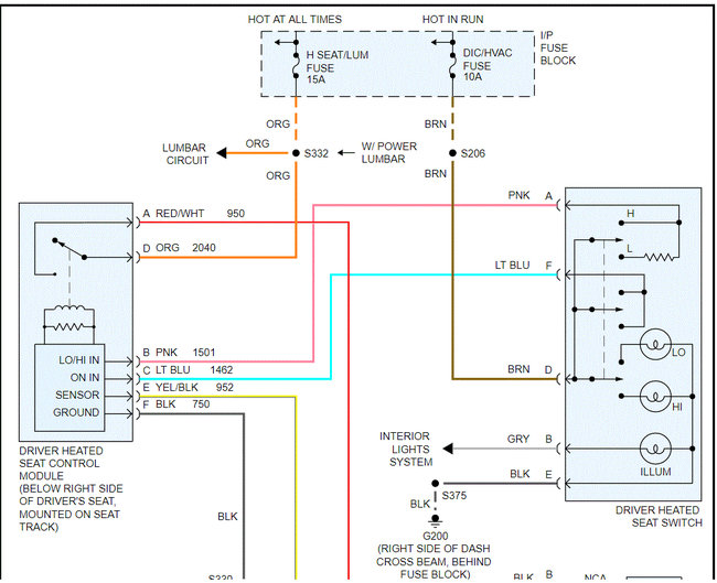
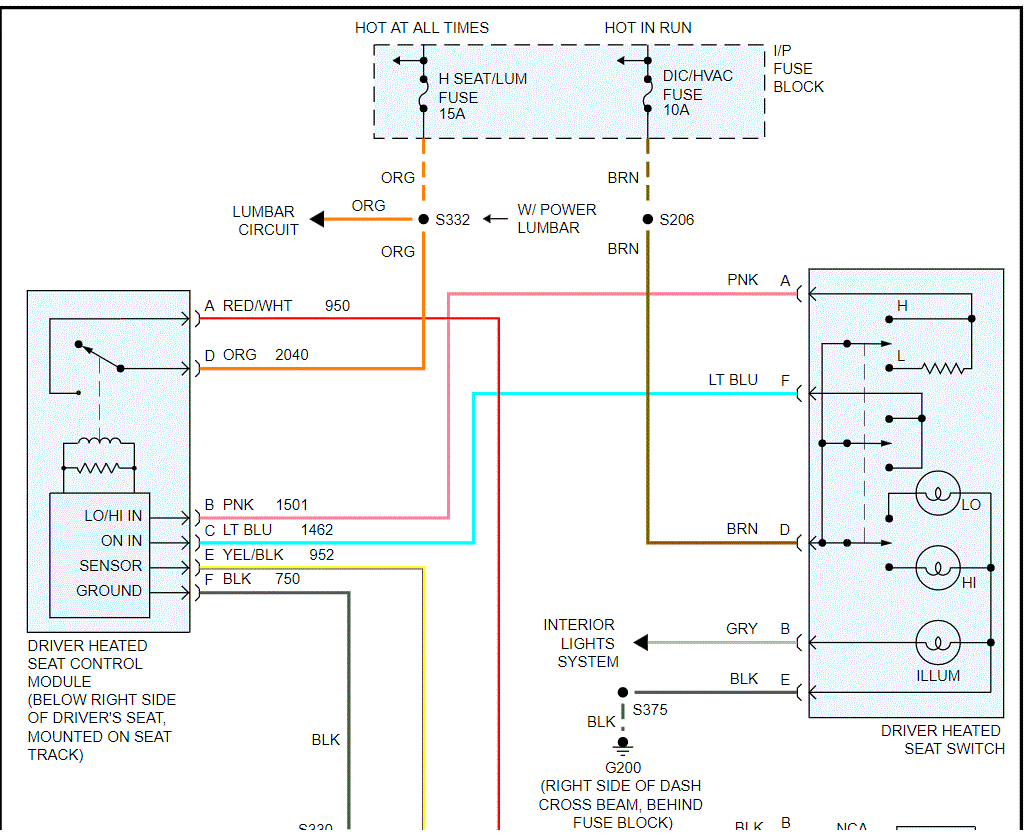
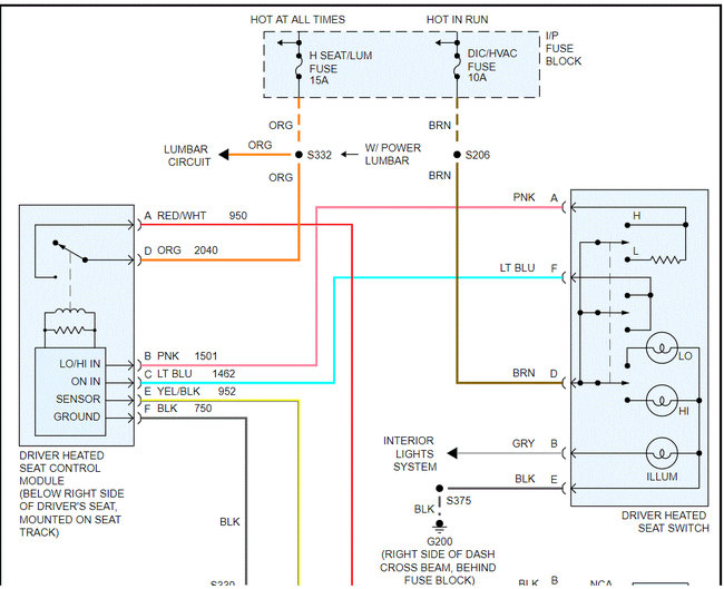
I won't say it couldn't be done, but it will take a lot of work. What I've done is attach the wiring schematic for the heated seat circuit in a 2002 Grand Prix. Take a look through it and see if it is something you want to perform.
Note: I cut the original wiring schematic in two so it is easier to read. I did overlap the two pics so you can follow them.
________________________________
Let me know if you have other questions.
Take care and God Bless,
Joe
Images (Click to enlarge)
Feb 24, 2021 at 8:50 PM