Heated/Cooled seats do not work

2015 LINCOLN MKZ
119,000 MILES • 2.0L • 4 CYL • 2WD • AUTOMATIC
Avatar
COKEFIRST
  • MEMBER
  • 4 POSTS
Car listed above is a Hybrid. It has Heated/Cooled front seats but neither side heats or cools. The indicator lights show that the system is on but there is no heat nor does the fane even run on cool for either seat. On the scanning tool, when the seats are turned on, the scan tool changes from inactive to active then right back to inactive. The indicator lights show that the system is on. There are no fault codes when scanned. I just purchased the car and the previous owner said that the seats just stopped working. The fuses were checked and found to be in working order.
Apr 11, 2022 at 2:28 PM
Advertisement
Avatar
KASEKENNY
  • CERTIFIED EXPERT
  • 18,907 POSTS
This is normally because of one of two reasons. Either the motor is shorted and not able to turn on or the module has failed.

Due to neither the heat or cool and on both sides, the most likely cause is the module has failed.

Normally you would have codes to go along with this but if you have no codes then we need to do some testing.

https://www.2carpros.com/articles/checking-a-service-engine-soon-or-check-engine-light-on-or-flashing

The scan tool is good but not definitive. However, since they are not changing status basically means they are not turning on and the module is not getting the signal back that they are on. The switch showing that they are on just tells you that the command is getting to the module.

So that means it is sending the signal to the module, but the module is not turning them on.

I am pretty confident that this is the issue, but I would like to confirm that by checking for voltage to the seats.

https://www.2carpros.com/articles/how-to-check-wiring

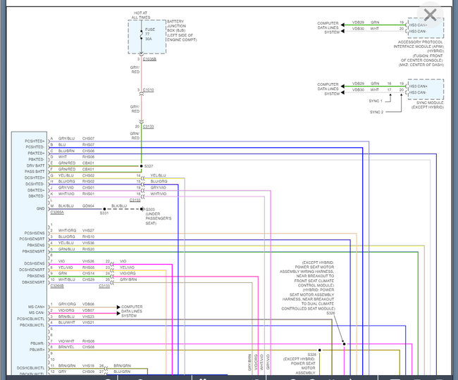
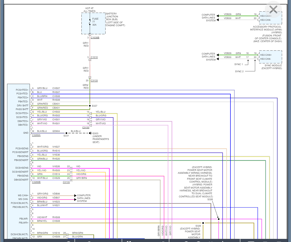
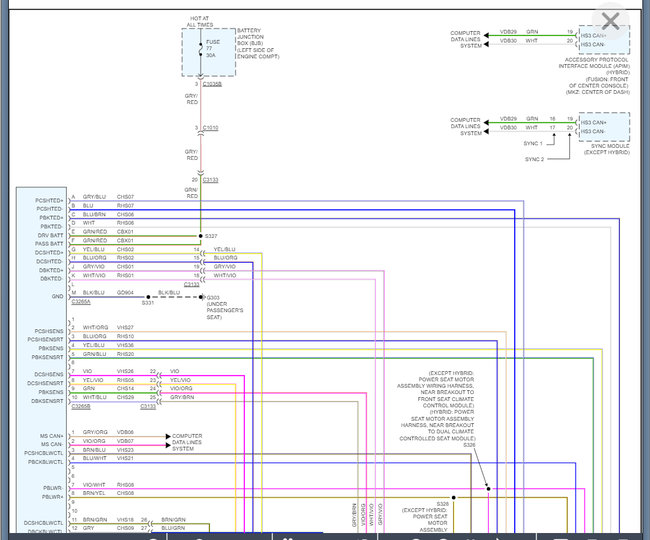
Below are the wiring diagrams so please run through this and let me know what questions you have.

Thanks
Apr 12, 2022 at 6:56 PM
Avatar
COKEFIRST
  • MEMBER
  • 4 POSTS
Thank you. Since I first wrote the question, I checked the rear seat, which is also heated, it does not work either. Is this controlled by the same module?
Apr 16, 2022 at 11:14 AM
Advertisement
Avatar
KASEKENNY
  • CERTIFIED EXPERT
  • 18,907 POSTS
Interesting. They are not. They are totally separate systems.

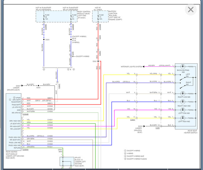
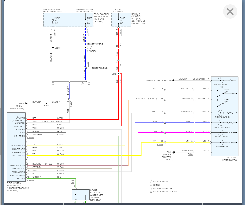
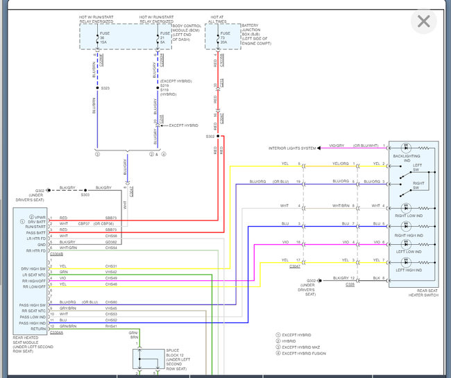
The rear seat heaters are a very simple circuit. I am attaching the info on these so that you can see this as well.

When did this start? Did you just buy this vehicle?
Apr 16, 2022 at 4:59 PM
Avatar
COKEFIRST
  • MEMBER
  • 4 POSTS
yes, just purchased. all other systems are working.
Apr 18, 2022 at 10:41 AM
Avatar
KASEKENNY
  • CERTIFIED EXPERT
  • 18,907 POSTS
Okay. Then I suspect these are separate issues. Basically, this is odd that they will fail at the same time, but we don't know when they failed.

At this point they could have been intentionally disabled for some reason, so we need to pick the front or rear and work through it to find the issue.

Then we can move to the other system.

The rear is a pretty simple circuit so I would suggest starting with that one.

Basically, we need to check for power at the heating elements and then track it back through the system and finally to the module or switch.

Once you find the issue with the rear then we will have a better idea what may have happened to the front if this happens to be disabled on purpose.
Apr 18, 2022 at 12:41 PM