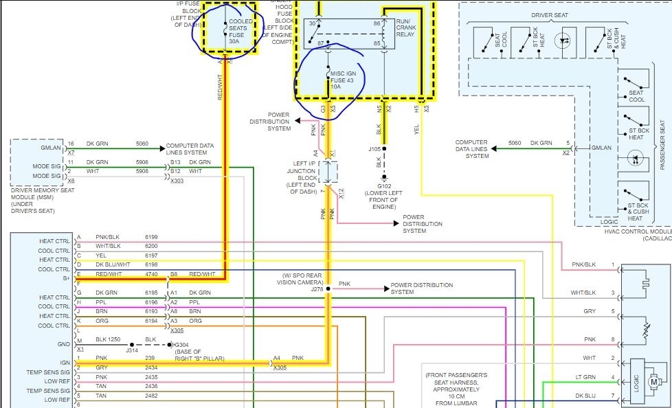
all 4 seats will not heat up the front 2 seats also have ac that will not work. in the front the button on the dash that controls heaters will illuminate and stay illuminated until you shut off but will not heat/ac the seats up. in the rear the indicator to turn the heated seats will illuminate and will shut off within 30 seconds. checked all known fuses and none to my knowledge are blown.
May 13, 2020 at 11:01 AM

